|
|
|
Aus Simulink Libary "write array" wie auswählen? |
|
| I_like_Matlab |
Gast
|
 |
Beiträge: ---
|
 |
|
 |
Anmeldedatum: ---
|
 |
|
 |
Wohnort: ---
|
 |
|
 |
Version: ---
|
 |
|
|
 |
|
Verfasst am: 24.02.2014, 13:06
Titel: Aus Simulink Libary "write array" wie auswählen?
|
 |
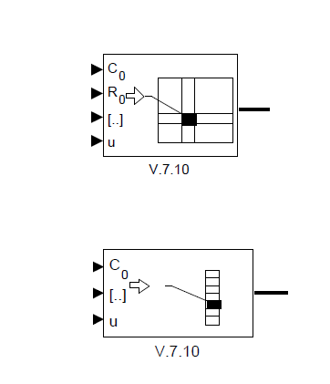
hallo,
ich arbeite mich aktuell in Simulink ein und möche fragen wie ich aus der Simulink Library die folgenden Symbole auswählen ( siehe Anhang )
Oder kann man das auch als Direct-Lookup Table (n-D) sehen?!
Danke im Voraus.
| Beschreibung: |
|
 Download |
| Dateiname: |
Simulink.png |
| Dateigröße: |
8.92 KB |
| Heruntergeladen: |
476 mal |
|
|
|
|
|
|
|
|
|
Einstellungen und Berechtigungen
|
|
Du kannst Beiträge in dieses Forum schreiben. Du kannst auf Beiträge in diesem Forum antworten. Du kannst deine Beiträge in diesem Forum nicht bearbeiten. Du kannst deine Beiträge in diesem Forum nicht löschen. Du kannst an Umfragen in diesem Forum nicht mitmachen. Du kannst Dateien in diesem Forum posten Du kannst Dateien in diesem Forum herunterladen
|
|
Impressum
| Nutzungsbedingungen
| Datenschutz
| FAQ
| RSS
Hosted by:
Copyright © 2007 - 2026
goMatlab.de | Dies ist keine offizielle Website der Firma The Mathworks
MATLAB, Simulink, Stateflow, Handle Graphics, Real-Time Workshop, SimBiology, SimHydraulics, SimEvents, and xPC TargetBox are registered trademarks and The MathWorks, the L-shaped membrane logo, and Embedded MATLAB are trademarks of The MathWorks, Inc.
|
|