|
|
| Krueger |

Forum-Fortgeschrittener
|
 |
Beiträge: 53
|
 |
|
 |
Anmeldedatum: 25.06.13
|
 |
|
 |
Wohnort: ---
|
 |
|
 |
Version: R2011b
|
 |
|
|
 |
|
Verfasst am: 17.04.2014, 13:13
Titel: Block error: switch
|
 |
| |
 |
|
Hallo zusammen,
ich schlage mich jetzt schon einige Zeit mit dem folgenden Problem herum. Ich versuche stark vereinfacht, ein Energiemodell abzubilden. Das ganze wird stundenweise in Simulink für ein Jahr simuliert.
Startzeit: 1
step: 1
Endzeit: 8760
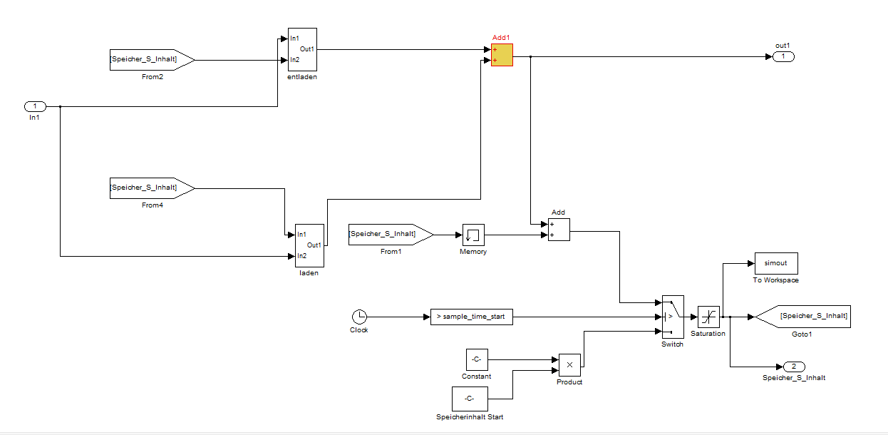
In Abbildung "Speicher1" ist der Speicher zu sehen. Links kommt die Residuallast rein. Der Speicher soll nun je nachdem ob er geladen oder entladen wird, einen Wert zu der Residuallast addieren (+ oder -).
In Abbildung "Speicher2" ist das Subsystem des Speichers zu sehen. Ob der Speicher geladen oder Entladen wird ist davon abhängig ob eine positive oder negative Residuallast vorliegt und ob der Speicher geladen ist oder jenachdem voll ist. Im unteren Bereich ist der Switch Block zu sehen, der mir den error ausspuckt. Den Switch block habe ich eingebaut um zu Beginn einen Startinhalt des Speichers vorzugeben. Dieser soll natürlich nur im ersten Zeitschritt vorgegeben werden. Danach entwickelt sich der Verlauf des Speicherinhalts je nach lade/entlade menge. Daher muss ich den Speicherinhalt ja fortlaufend zurückführen. Wenn ich den Input aus dem Switch entferne, kann ich im Scope3 den Verlauf sehen, wann der Speicher theoretisch geladen werden müsste. Der Fehler tritt im Zeitschritt 1430 auf. Hier würde der Speicher, aufgrund der negativen Residuallast, das erste mal geladen werden.
Die Vorschläge aus dem Error habe ich schon getestet. Die veränderung des Algebraicloopsolver bringt nichts und die Schrittweite zu verkleinern ist nicht möglich.
Hat jemand von euch eine Idee, wie ich den Fehler behebeb kann?
| Beschreibung: |
|
 Download |
| Dateiname: |
Error.PNG |
| Dateigröße: |
20.67 KB |
| Heruntergeladen: |
519 mal |
| Beschreibung: |
|
 Download |
| Dateiname: |
Speicher2.PNG |
| Dateigröße: |
19.88 KB |
| Heruntergeladen: |
507 mal |
| Beschreibung: |
|
 Download |
| Dateiname: |
Speicher1.PNG |
| Dateigröße: |
3.51 KB |
| Heruntergeladen: |
505 mal |
|
|
|
|
|
|
| Krueger |
Themenstarter

Forum-Fortgeschrittener
|
 |
Beiträge: 53
|
 |
|
 |
Anmeldedatum: 25.06.13
|
 |
|
 |
Wohnort: ---
|
 |
|
 |
Version: R2011b
|
 |
|
|
 |
|
Verfasst am: 17.04.2014, 13:14
Titel:
|
 |
|
Wenn noch weitere Daten benötigt werden, liefere ich diese gerne nach...
|
|
|
|
| Harald |

Forum-Meister
|
 |
Beiträge: 24.502
|
 |
|
 |
Anmeldedatum: 26.03.09
|
 |
|
 |
Wohnort: Nähe München
|
 |
|
 |
Version: ab 2017b
|
 |
|
|
 |
|
Verfasst am: 17.04.2014, 14:06
Titel:
|
 |
Hallo,
ein Modellierungsproblem.
Du modellierst, wenn man Saturation mal vernachlässigt:
Daraus kann Speicher aber nicht berechnet werden.
Sinnvoll wäre
Dazu müsstest du aber in die Schleife ein verzögerndes Element einbauen (z.B. Unit Delay, Memory).
Grüße,
Harald
|
|
|
|
| Krueger |
Themenstarter

Forum-Fortgeschrittener
|
 |
Beiträge: 53
|
 |
|
 |
Anmeldedatum: 25.06.13
|
 |
|
 |
Wohnort: ---
|
 |
|
 |
Version: R2011b
|
 |
|
|
 |
|
Verfasst am: 17.04.2014, 14:10
Titel:
|
 |
Danke für die schnelle Antwort. Ich werde mich mit den von dir benannten Elementen mal auseinandersetzen... Melde mich wieder
|
|
|
|
| Krueger |
Themenstarter

Forum-Fortgeschrittener
|
 |
Beiträge: 53
|
 |
|
 |
Anmeldedatum: 25.06.13
|
 |
|
 |
Wohnort: ---
|
 |
|
 |
Version: R2011b
|
 |
|
|
 |
|
Verfasst am: 17.04.2014, 14:50
Titel:
|
 |
|
Es funktioniert soweit. Vielen Dank für deine Hilfe!
|
|
|
|
| Krueger |
Themenstarter

Forum-Fortgeschrittener
|
 |
Beiträge: 53
|
 |
|
 |
Anmeldedatum: 25.06.13
|
 |
|
 |
Wohnort: ---
|
 |
|
 |
Version: R2011b
|
 |
|
|
 |
|
Verfasst am: 23.04.2014, 13:13
Titel:
|
 |
| |
 |
|
Hallo zusammen,
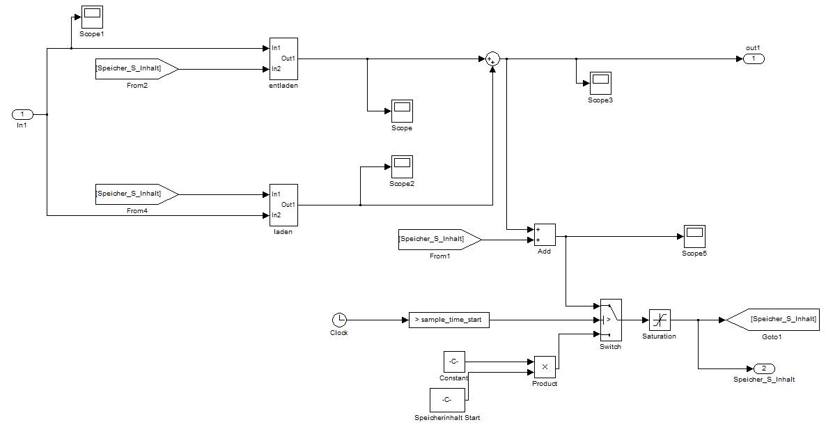
ich muss das Thema leider noch einmal aufmachen. Ich habe in dem Modell leider immer noch ein paar Fehler verbaut und finde diese einfach nicht.
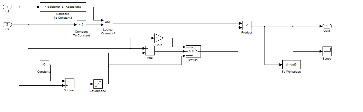
Im Anhang habe ich nocheinmal den "Speicher" und das Subsystem "Laden" hinzugefügt. Das Subsystem "Entladen" ist ähnlich aufgebaut.
Ich bekomme wieder den Fehler "Simulink can not solve the algebraic loop..." ausgelöst durch den Add1 Block wie in der Grafik "Speicher" zu sehen.
Wie schon erwähnt, sollte es 8760 Zeitschritte geben. Dazu habe ich den Solver Typ auf Fixed-step gesetzt mit der step size auf 1 (Solver:ode8).
Bei dem Zeitschritt 3171 tritt dann der Fehler auf. Ich habe mir an den verschiedensten stellen schon einmal die Variablen in den Workspace geschrieben um zu gucken wie der Wert aktuell ist.
Was mir aufgefallen ist, dass bei dem Subsystem "Laden" oder "entladen" hinter dem Function Block "Product" werte größer 0 auftreten, auch wenn in dem Zeitschritt eigentlich mit 0 multipliziert wird. Woher kommt das? Könnte dies zu dem Fehler führen?
Über eure Hilfe oder Anregung bin ich euch sehr dankbar.
VG
Krueger
| Beschreibung: |
|
 Download |
| Dateiname: |
laden.PNG |
| Dateigröße: |
13.63 KB |
| Heruntergeladen: |
492 mal |
| Beschreibung: |
|
 Download |
| Dateiname: |
Speicher.PNG |
| Dateigröße: |
19.54 KB |
| Heruntergeladen: |
492 mal |
|
|
|
|
| Krueger |
Themenstarter

Forum-Fortgeschrittener
|
 |
Beiträge: 53
|
 |
|
 |
Anmeldedatum: 25.06.13
|
 |
|
 |
Wohnort: ---
|
 |
|
 |
Version: R2011b
|
 |
|
|
 |
|
Verfasst am: 23.04.2014, 15:18
Titel:
|
 |
Hat sich erledigt...
Ich muss natürlich bei der Rückführung, die in das Subsystem "Laden" bzw. "Entladen" geht auch den Memory einsetzen.
|
|
|
|
|
|
|
Einstellungen und Berechtigungen
|
|
Du kannst Beiträge in dieses Forum schreiben. Du kannst auf Beiträge in diesem Forum antworten. Du kannst deine Beiträge in diesem Forum nicht bearbeiten. Du kannst deine Beiträge in diesem Forum nicht löschen. Du kannst an Umfragen in diesem Forum nicht mitmachen. Du kannst Dateien in diesem Forum posten Du kannst Dateien in diesem Forum herunterladen
|
|
Impressum
| Nutzungsbedingungen
| Datenschutz
| FAQ
| RSS
Hosted by:
Copyright © 2007 - 2026
goMatlab.de | Dies ist keine offizielle Website der Firma The Mathworks
MATLAB, Simulink, Stateflow, Handle Graphics, Real-Time Workshop, SimBiology, SimHydraulics, SimEvents, and xPC TargetBox are registered trademarks and The MathWorks, the L-shaped membrane logo, and Embedded MATLAB are trademarks of The MathWorks, Inc.
|
|