|
|
|
Diskretisierung von Beobachterzustandsrückführung geht nic |
|
| jo36s |

Forum-Newbie
|
 |
Beiträge: 2
|
 |
|
 |
Anmeldedatum: 11.08.23
|
 |
|
 |
Wohnort: ---
|
 |
|
 |
Version: ---
|
 |
|
|
 |
|
Verfasst am: 31.08.2023, 14:58
Titel: Diskretisierung von Beobachterzustandsrückführung geht nic
|
 |
| |
 |
|
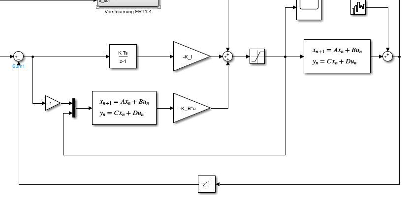
Hallo, ich habe Folgendes Problem:
Ich habe ein SIS0-System mit zwei unbekannten Zuständen (Modell wurde experimentell über System-Identifikation bestimmt).
Ich habe dafür in Simulink eine Beobchterzustandsrückführung mit Soll-Regelung und Integralanteil entworfen.
Zunächst habe ich das System mit LQR-Regelung zeitkontinuierlich ausgelegt und es hat in der Simulation funktioniert!
Nun ist aber ja der Beobachter nicht ohne Weiteres ohne Diskretisierung in das reale System zu implementieren, deshalb habe ich mit dem c2d-Befehl und der Abtatstzeit von 0.0002 s eine Diskretisierung des Gesamtsystems gemacht und auch die LQR-Regelung mit den passenden lqrd-Befehlen sowie die Beobachterverstärkung neu ausgelegt und ich bekomme kein stabilisierendes Verhalten mehr hin!
Ich habe in Simulink praktisch nur die Statespace-Blöcke gegen Discret-State-Space-Blöck ausgtauscht. (Für Beobachter: A= A_system- L*C_system und B= [L B_System]
Siehe Bild im Anhang... wieso bekomme ich die Diskrtisierung nicht mehr stabilisiert?
| Beschreibung: |
|
 Download |
| Dateiname: |
Diskreter_Beobachter.PNG |
| Dateigröße: |
21.32 KB |
| Heruntergeladen: |
681 mal |
|
|
|
|
|
|
|
|
|
Einstellungen und Berechtigungen
|
|
Du kannst Beiträge in dieses Forum schreiben. Du kannst auf Beiträge in diesem Forum antworten. Du kannst deine Beiträge in diesem Forum nicht bearbeiten. Du kannst deine Beiträge in diesem Forum nicht löschen. Du kannst an Umfragen in diesem Forum nicht mitmachen. Du kannst Dateien in diesem Forum posten Du kannst Dateien in diesem Forum herunterladen
|
|
Impressum
| Nutzungsbedingungen
| Datenschutz
| FAQ
| RSS
Hosted by:
Copyright © 2007 - 2026
goMatlab.de | Dies ist keine offizielle Website der Firma The Mathworks
MATLAB, Simulink, Stateflow, Handle Graphics, Real-Time Workshop, SimBiology, SimHydraulics, SimEvents, and xPC TargetBox are registered trademarks and The MathWorks, the L-shaped membrane logo, and Embedded MATLAB are trademarks of The MathWorks, Inc.
|
|