|
|
|
Drehmomentregelung über Erregerkreis beim DC-Motor |
|
| Epfi |

Forum-Meister
|
 |
Beiträge: 1.134
|
 |
|
 |
Anmeldedatum: 08.01.09
|
 |
|
 |
Wohnort: ---
|
 |
|
 |
Version: ---
|
 |
|
|
 |
|
Verfasst am: 10.08.2014, 19:03
Titel:
|
 |
Das Gezappel könnte numerischen Ursprungs sein - begrenz mal die maximale Schrittweite des Solvers auf 0,5ms oder so...
Der Ankerstrom wird nicht null, weil Du ja die mechanische Reibung überwinden musst. Quasi ein unvermeidbares Lastmoment, das man vom elektrischen (inneren) Moment (Luftspaltmoment) der Maschine abziehen muss, um das nutzbare Wellenmoment zu bekommen. Wenn Du in Deine Messung guckst, siehst Du, dass da auch ein Reststrom bleibt (etwa 1A).
Das Modell müsste so eigentlich passen.
|
|
|
|
|
|
| Romik79 |
Themenstarter

Forum-Anfänger
|
 |
Beiträge: 21
|
 |
|
 |
Anmeldedatum: 06.08.14
|
 |
|
 |
Wohnort: Dortmund
|
 |
|
 |
Version: ---
|
 |
|
|
 |
|
Verfasst am: 10.08.2014, 21:58
Titel:
|
 |
Das Gezappele bin ich los! Danke!
Aber ich bin immer noch nicht Zufrieden.
Ich bin nicht zufrieden mit dem Strom. Ich habe einen Sprung erwartet, der bis zur 30 Ampere geht und auf 3A zurück geht. Außerdem habe ich das Drehmoment an falscher Stelle gemessen. Ich muss ja das resultierende Moment hier messen:
hier ist das, wo ich jetzt stehen geblieben bin. Das Drehmoment ist zu groß. Verkleinere ich die Dämpfung, kommt es zum Schwingen. Und somit ähnelt es meinen Messungen nicht mehr.
Ich habe mit verschiedenen Spannungen gespielt. Steigere ich die Erregerspannung, fällt der Ankerstrom und es kommt auch zum Überschwingen.
| Beschreibung: |
|
 Download |
| Dateiname: |
scope.JPG |
| Dateigröße: |
91.91 KB |
| Heruntergeladen: |
905 mal |
| Beschreibung: |
|
 Download |
| Dateiname: |
moment.JPG |
| Dateigröße: |
18.5 KB |
| Heruntergeladen: |
919 mal |
|
|
|
|
| Romik79 |
Themenstarter

Forum-Anfänger
|
 |
Beiträge: 21
|
 |
|
 |
Anmeldedatum: 06.08.14
|
 |
|
 |
Wohnort: Dortmund
|
 |
|
 |
Version: ---
|
 |
|
|
 |
|
Verfasst am: 11.08.2014, 22:27
Titel:
|
 |
also, ich habe dieses Model mit der aus Simscape DC-Machine vergliechen. Die Parameter meiner reellen Maschine dort eingegeben und ich bekomme die gleiche Ergebnisse. Also ist das Model doch richtig.
Die Frage ist, wieso die Ergebnisse mit den Messungen nicht übereinstimmen?
Wahrscheinlich habe ich einige Parameter falsch abgelesen
Oder hast du eine Idee?
|
|
|
|
| Epfi |

Forum-Meister
|
 |
Beiträge: 1.134
|
 |
|
 |
Anmeldedatum: 08.01.09
|
 |
|
 |
Wohnort: ---
|
 |
|
 |
Version: ---
|
 |
|
|
 |
|
Verfasst am: 12.08.2014, 08:21
Titel:
|
 |
Moin,
ich habe mal Deinen Parametersatz mit einem verglichen, den ein Diplomarbeiter von mir an einer 5kW-GSM ermittelt hat und ich glaube, bei der Anker-Induktivität bist Du um Faktor 1000 verrutscht. Das müssten mH sein, nicht H, was Du hast.
Unser Parametersatz:
R_Erreger = 123,5 Ohm
L_Erreger = 22,4H
R_Anker = 1,07 Ohm
L_Anker = 9,3mH = 0,0093H
R_Kompensationswicklung = 0,04 Ohm
L_Kompensationswicklung = 40nH
Für die Reibung sind wir an unserer Maschine auf reine trockene Reibung gekommen (0,67Nm) - sprich, wenn man die Maschine auslaufen lässt, fällt die Drehzahl linear ab. Dazu ist aber zu sagen, dass wir eine fremdbelüftete Maschine vermessen haben, die Lüfterverluste also nicht berücksichtigt werden müssen.
|
|
|
|
| Romik79 |
Themenstarter

Forum-Anfänger
|
 |
Beiträge: 21
|
 |
|
 |
Anmeldedatum: 06.08.14
|
 |
|
 |
Wohnort: Dortmund
|
 |
|
 |
Version: ---
|
 |
|
|
 |
|
Verfasst am: 12.08.2014, 08:45
Titel:
|
 |
Vielen Dank für den Hinweis!
ich habe die Induktivität mit einem RLC-Messgerät gemessen. Weder ich noch die Laborassisten (mit Diplom-Abschluss) wußte, wie man damit richtig umgeht. Mit diesem Messgerät kann man mit verschiedenen Frequenzen und mit verschiedenen Einstellungen (Parallel oder Seriel-Schaltung mit einen Widerstand) messen. Und verschiedene Frequenzen ergaben verschiedene Induktivitäten.
Das war so ein ähnlicher wie hier: http://www.pinsonne-elektronik.de/pi8/pd103.html
Hättest du einen Tipp für mich, wie man damit richtig misst?
|
|
|
|
| Epfi |

Forum-Meister
|
 |
Beiträge: 1.134
|
 |
|
 |
Anmeldedatum: 08.01.09
|
 |
|
 |
Wohnort: ---
|
 |
|
 |
Version: ---
|
 |
|
|
 |
|
Verfasst am: 12.08.2014, 09:06
Titel:
|
 |
| |
 |
|
Ich glaube, im Wesentlichen hast Du die Ankerinduktivität falsch notiert und das "milli" vor dem Henry vergessen. Hast Du das mal in der Simulation geändert?
Messung der Parameter ist bei elektrischen Maschinen so ne Sache... Recht zuverlässig funktioniert die Identifikation, wenn Du einen Spannungssprung (gar nicht so einfach) auf Deine Maschine gibst und die Stromantwort aufzeichnest. Die Messung mit so einem RLC-Meter ging bei uns ziemlich daneben...
Wenn Du einen sauberen Spannungssprung realisieren kannst, kannst Du am stationären Endwert den Widerstand R=U/I ablesen und durch Anlegen einer Tangente die Zeitkonstante tau = L/R bestimmen. Ineinander einsetzen bringt Dir dann auch noch den Wert für L. Spannungssprung ist leider schwer, da handelsübliche Schaltnetzteile mit Stromanregelzeiten von ein paar Millisekunden daherkommen, was leider bedeutet, dass die Spannung bei sprunghafter Belastung in dem Zeitbereich einbricht, in dem auch die Zeitkonstante Deiner Maschine liegt.
Wenn ich mal Zeit habe und hier irgendwo ein passendes Gerät finde, wollte ich das aber auch mal mit einem "analogen" Netzteil testen.
Wenn Du keinen sauberen Spannungssprung hinbekommst, kannst Du aber trotzdem mit der System Identification Toolbox brauchbare Ergebnisse erzielen, da die auch den Einbruch der Eingangsspannung berücksichtigen kann.
Aber wie gesagt: probier erst mal, ob Du die Induktivität richtig eingesetzt hast.
|
|
|
|
| Romik79 |
Themenstarter

Forum-Anfänger
|
 |
Beiträge: 21
|
 |
|
 |
Anmeldedatum: 06.08.14
|
 |
|
 |
Wohnort: Dortmund
|
 |
|
 |
Version: ---
|
 |
|
|
 |
|
Verfasst am: 12.08.2014, 11:59
Titel:
|
 |
Ich habe schon mal so einen Spannungsprung aufgenommen:
Den Ankerwiderstand habe ich mit einem Miltimeter ermittelt: 1,86 Ohm
Auf dem Bild oben sind drei Tangenten zu sehen um tau zu bestimmen.
Ich habe dann durch diese tau's das L vom Anker bestimmt, indem ich die drei Unterschiedlichen Induktivitäten gemittelt habe:
Ist das so richtig?
Zur Simulation:
Ich habe mit unterschiedlichen Induktivitäten gespielt und kam somit ungefär auf die Sprungantwort die ich gemessen habe. Ich habe leider keinen Rechner mit Simulink zur Hand, um die angepassten Werte zu zeigen. Das mach ich heute Abend.
| Beschreibung: |
|
 Download |
| Dateiname: |
tau.JPG |
| Dateigröße: |
16.46 KB |
| Heruntergeladen: |
915 mal |
| Beschreibung: |
|
 Download |
| Dateiname: |
sprung.JPG |
| Dateigröße: |
62.82 KB |
| Heruntergeladen: |
875 mal |
|
|
|
|
| Epfi |

Forum-Meister
|
 |
Beiträge: 1.134
|
 |
|
 |
Anmeldedatum: 08.01.09
|
 |
|
 |
Wohnort: ---
|
 |
|
 |
Version: ---
|
 |
|
|
 |
|
Verfasst am: 12.08.2014, 13:12
Titel:
|
 |
| |
 |
|
Mit der Messung, die Du da vorliegen hast, bestimmst Du nicht die elektrische Zeitkonstante, da sich der Anker ja dreht und dadurch eine Gegenspannung induziert wird. Und das Massenträgheitsmoment spielt in der Messung auch noch eine Rolle. Und zu guter letzt sollte man für so eine Messung die Spannung so weit absenken, dass man nicht in die Stromgrenze der Quelle fährt ;)
Die Messung zur Bestimmung der Anker- und Erregerparameter macht man am besten getrennt voneinander und zwar so, dass die Maschine kein Drehmoment ausbildet. Das erspart einem, dass man eine weitere Spannungsquelle (die induzierte Spannung) im System hat:
* eine Messung mit einem Spannungssprung auf die Ankerwicklung ohne Erregerstrom (Läufer vorsichtshalber fixieren - wegen Remanenz)
* eine Messung mit einem Spannungssprung auf die Erregerwicklung (unkritisch)
Daraus kannst Du dann (näherungsweise) die Zeitkonstanten und Widerstände der Anker- und Erregerwicklung ablesen.
Multimeter kann man für so kleine Widerstände meistens auch vergessen. Selbst wenn man die Anschlüsse mit einem Laborkabel verbindet, messen die ja schon irgendwas zwischen 0,1 und 0,2 Ohm.
Aber ich denke, Du bist erst mal ganz gut bedient, wenn Du die Induktivität mit Faktor 1/1000 einsetzt.
|
|
|
|
| Romik79 |
Themenstarter

Forum-Anfänger
|
 |
Beiträge: 21
|
 |
|
 |
Anmeldedatum: 06.08.14
|
 |
|
 |
Wohnort: Dortmund
|
 |
|
 |
Version: ---
|
 |
|
|
 |
|
Verfasst am: 19.08.2014, 20:50
Titel:
|
 |
| |
 |
|
hallo, mal wieder.
inzwischen hatte ich einen Termin beim Professor gehabt. Ich muss jetzt zunächst die Parameter der Maschine bestimmen. Und er hat mir auch erklärt/ hingewiesen wie es geht. Ich habe nun eine kleinere Maschine bekommen damit da auch nichts passiert! Denn es gibt Leute, die es nicht glauben wollen, dass eine fremderregte Gleichstrommaschine ohne Erregung durch dreht.
Spaß bei Seite!
Also, ich habe folgende Parameter bereits raus bekommen:
Ra, La, Re, Le, J (Trägheit), Mr (Reibmoment)
Was ich nicht berechnen kann ist der Fluss (phi) und die Maschinenkonstante (Cm).
Hier ist eine Tabelle mit durchgeführten Messungen beim variablen Erregerstrom und konstant gehaltenem Ankerstrom:
Beim Gespräch mit dem Prof, sagte er mir, dass man den Fluss doch problemlos berechnen könnte und zwar über die Induktivität und Strom.
Er meinte wahrscheinlich diese Formel:
Aber da kommt dann eine weitere Unbekannte rein: N
Ich hab schon mit all meiner mathematischer Kraft versucht, das Phi raus zu bekommen. Leider vergeblich.
Ich hab mir überlegt anstatt den mag. Fluss und die Maschinenkonstante getrennt zu nehmen, dann die Kombination Cm*Phi in meine Regelstrecke einzubauen. Denn die habe ich ja und die ist im linearen Bereich ja linear von dem Strom abhängig. Dann regele ich halt nur im linearem Bereich das Drehmoment. Muss dann halt eine Begrenzung einbauen.
Außerdem ist das Drehmoment auch linear vom Erregerspannung abhängig, was meine Aufgabe ja im Prinzip erleichtert. Oder???
| Beschreibung: |
|
 Download |
| Dateiname: |
messungen.JPG |
| Dateigröße: |
123.92 KB |
| Heruntergeladen: |
891 mal |
| Beschreibung: |
|
 Download |
| Dateiname: |
moment.JPG |
| Dateigröße: |
25.9 KB |
| Heruntergeladen: |
893 mal |
| Beschreibung: |
|
 Download |
| Dateiname: |
cmphi.JPG |
| Dateigröße: |
27.04 KB |
| Heruntergeladen: |
885 mal |
| Beschreibung: |
|
 Download |
| Dateiname: |
formel.JPG |
| Dateigröße: |
9.72 KB |
| Heruntergeladen: |
881 mal |
|
|
|
|
| Epfi |

Forum-Meister
|
 |
Beiträge: 1.134
|
 |
|
 |
Anmeldedatum: 08.01.09
|
 |
|
 |
Wohnort: ---
|
 |
|
 |
Version: ---
|
 |
|
|
 |
|
Verfasst am: 20.08.2014, 10:14
Titel:
|
 |
| Romik79 hat Folgendes geschrieben: |
| Denn es gibt Leute, die es nicht glauben wollen, dass eine fremderregte Gleichstrommaschine ohne Erregung durch dreht. |
Einfach mal ausprobieren, wenn keiner hinguckt ;)
| Zitat: |
Also, ich habe folgende Parameter bereits raus bekommen:
Ra, La, Re, Le, J (Trägheit), Mr (Reibmoment)
|
Super!
| Zitat: |
| Außerdem ist das Drehmoment auch linear vom Erregerspannung abhängig, was meine Aufgabe ja im Prinzip erleichtert. |
Laut Deiner Messung ist das so. Ob Dein Prof. zufrieden ist, wenn Du nur in diesem kleinen Bereich stellst, musst Du rausfinden ;)
Du könntest die Kennlinie auch noch weiter nach oben und unten vermessen und in Deiner Regelung die inverse Kennlinie zur Kompensation der Nichtlinearität vorschalten. Dann kannst Du für den Regler von einer linearen Strecke ausgehen und hast auch noch einen erweiterten Stellbereich.
|
|
|
|
| Romik79 |
Themenstarter

Forum-Anfänger
|
 |
Beiträge: 21
|
 |
|
 |
Anmeldedatum: 06.08.14
|
 |
|
 |
Wohnort: Dortmund
|
 |
|
 |
Version: ---
|
 |
|
|
 |
|
Verfasst am: 20.08.2014, 14:35
Titel:
|
 |
und wie man die Maschinenkonstante da raus bekommt, kannst du mir nicht sagen, oder???
|
|
|
|
| Epfi |

Forum-Meister
|
 |
Beiträge: 1.134
|
 |
|
 |
Anmeldedatum: 08.01.09
|
 |
|
 |
Wohnort: ---
|
 |
|
 |
Version: ---
|
 |
|
|
 |
|
Verfasst am: 22.08.2014, 21:52
Titel:
|
 |
|
Bei mir ist es zeitlich leider gerade etwas ungeschickt... Aber versuch mal an die Dissertation von Jana Kertzscher (TU Freiberg) zu kommen, da geht es um die Identifikation elektrischer Maschinen - vielleicht kannst Du da ja was nutzbares rausziehen.
|
|
|
|
| Romik79 |
Themenstarter

Forum-Anfänger
|
 |
Beiträge: 21
|
 |
|
 |
Anmeldedatum: 06.08.14
|
 |
|
 |
Wohnort: Dortmund
|
 |
|
 |
Version: ---
|
 |
|
|
 |
|
Verfasst am: 28.08.2014, 10:31
Titel:
|
 |
|
Ich habe leider keine Dissertation von Jana Kertzscher gefunden. Mittlerweile hab ich die Maschinenkonstante mit Hilfe von Simulink raus gefunden. Dazu hab ich die Simulation mit verschiedenen Cm ausprobiert, bis die Drehzahl (und sonstige Messwerte) meinen Messungen entsprach. Und ich kam dabei auf 1,94. Dann hab ich noch die Firma ELWE, von den die Maschinen im Labor sind, angeschrieben und wollte von denen die Daten haben. Oder komplettes Datenblatt. Mal gucken ob die mir weiter helfen können. Zurzeit arbeite ich an Simulation und PI-Regler für das Drehmoment durch Erregerspannung.
|
|
|
|
| Romik79 |
Themenstarter

Forum-Anfänger
|
 |
Beiträge: 21
|
 |
|
 |
Anmeldedatum: 06.08.14
|
 |
|
 |
Wohnort: Dortmund
|
 |
|
 |
Version: ---
|
 |
|
|
 |
|
Verfasst am: 29.08.2014, 01:00
Titel:
|
 |
| |
 |
|
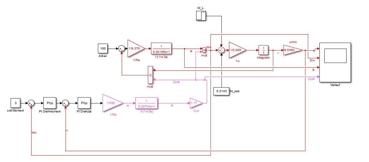
so, und nun bin ich wieder mit der Regelung am kämpfen.
Hier ist mein Regelkreis mit 2 PI-Regler in Kaskade geschaltet.
Das Lastmoment kommt mit 2 Nm nach 5 Sekunden. Und das ist das Ergebnis der Simulation:
Wie man sieht sind hier zwei Sachen falsch oder nicht OK.
1. Das Sollmoment wird einfach ignoriert, auch wenn ich da 1000 eingebe.
2. Strom ist seltsame Weise zu hoch
Wenn ich ohne den Drehzahlregler das Moment regle, also direkt, kommt folgendes raus:
Damit wir das weiter verfolgen können, erhöhe ich die Simulationszeit auf 100:
Der Regler kann mit der Erregung kein Drehmoment regeln! Der Fluss steigt, aber das Drehmoment ändert sich nicht!
Was stimmt hier nicht? Regle ich das Drehmoment an der falschen Stelle?
P.S. Fall Ihr euch wundert wieso Cm hier nicht 1,94 ist. Das ist eine andere Maschine, mit der ich auch gespielt habe. Und bei der scheint die M.-Konstante bei 1,77 zu liegen
| Beschreibung: |
|
 Download |
| Dateiname: |
100.JPG |
| Dateigröße: |
107.09 KB |
| Heruntergeladen: |
890 mal |
| Beschreibung: |
|
 Download |
| Dateiname: |
ohne drehzahl.JPG |
| Dateigröße: |
103.64 KB |
| Heruntergeladen: |
891 mal |
| Beschreibung: |
|
 Download |
| Dateiname: |
drehmomentregelung.JPG |
| Dateigröße: |
100.19 KB |
| Heruntergeladen: |
924 mal |
| Beschreibung: |
|
 Download |
| Dateiname: |
regelkreis mit PI.JPG |
| Dateigröße: |
52.41 KB |
| Heruntergeladen: |
907 mal |
|
|
|
|
| Epfi |

Forum-Meister
|
 |
Beiträge: 1.134
|
 |
|
 |
Anmeldedatum: 08.01.09
|
 |
|
 |
Wohnort: ---
|
 |
|
 |
Version: ---
|
 |
|
|
 |
|
Verfasst am: 29.08.2014, 11:35
Titel:
|
 |
| Romik79 hat Folgendes geschrieben: |
P.S. Fall Ihr euch wundert wieso Cm hier nicht 1,94 ist. Das ist eine andere Maschine, mit der ich auch gespielt habe. Und bei der scheint die M.-Konstante bei 1,77 zu liegen :) |
Das sticht bei weitem nicht so sehr ins Auge, wie die Tatsache, dass Du den Drehzahlregler dem Drehmomentregler unterlagert hast ;) Das sollte eigentlich andersrum sein. Der Drehzahlregler will schneller und was er dazu braucht ist ein ganz bestimmtes Drehmoment. Das gibt er dann dem Drehmomentregler als Sollwert mit. Der Drehmomentregler will schneller und braucht dafür einen Strom, diesen gibt er dem Stromregler als Sollwert mit. Usw...
Die Diss von Jana Kertzscher kannst Du in weiten Teilen übrigens hier angucken: http://books.google.de/books/about/.....WDfR82gsC&redir_esc=y - ansonsten ist die Arbeit auch in der Fernleihe erhältlich...
|
|
|
|
|
Gehe zu Seite Zurück 1, 2, 3 Weiter
|
|
Einstellungen und Berechtigungen
|
|
Du kannst Beiträge in dieses Forum schreiben. Du kannst auf Beiträge in diesem Forum antworten. Du kannst deine Beiträge in diesem Forum nicht bearbeiten. Du kannst deine Beiträge in diesem Forum nicht löschen. Du kannst an Umfragen in diesem Forum nicht mitmachen. Du kannst Dateien in diesem Forum posten Du kannst Dateien in diesem Forum herunterladen
|
|
Impressum
| Nutzungsbedingungen
| Datenschutz
| FAQ
| RSS
Hosted by:
Copyright © 2007 - 2026
goMatlab.de | Dies ist keine offizielle Website der Firma The Mathworks
MATLAB, Simulink, Stateflow, Handle Graphics, Real-Time Workshop, SimBiology, SimHydraulics, SimEvents, and xPC TargetBox are registered trademarks and The MathWorks, the L-shaped membrane logo, and Embedded MATLAB are trademarks of The MathWorks, Inc.
|
|