|
|
|
Erstellen einer Schleife mit IC-Block |
|
| Quix |
Gast
|
 |
Beiträge: ---
|
 |
|
 |
Anmeldedatum: ---
|
 |
|
 |
Wohnort: ---
|
 |
|
 |
Version: ---
|
 |
|
|
 |
|
Verfasst am: 27.09.2016, 18:25
Titel: Erstellen einer Schleife mit IC-Block
|
 |
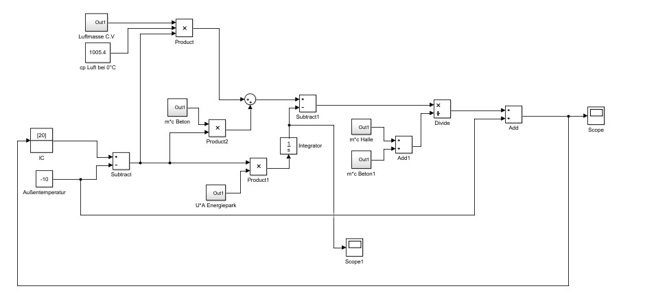
Hallo,
ich würde gerne mittels eines IC-Blocks den Startwert für den ersten Durchlauf festlegen und dann das Ergebnis als neuen Startwert verwenden.
Wenn ich den Ausgabewert aber auf den IC-Block zurückführe, kann die Simulation nicht durchgeführt werden: "Simulink cannot solve the algebraic loop"
Hab schon gelesen, dass man den Ausgabewert nicht direkt mit dem IC-Block verbinden darf, aber mir ist schleierhaft, wie ich sonst eine Schleife programmieren kann
Zur Erklärung: Ich möchte für ein Gebäude die Abkühlphase simulieren und da die Wärmeverluste über die Wand von der Innentemperatur abhängen, möchte ich dies mit einer Schleife programmieren...
Wäre sehr dankbar für Eure Hilfe
| Beschreibung: |
| Simulation der Abkühlphase eines Gebäudes durch eine Schleife |
|
 Download |
| Dateiname: |
IC-Block.jpg |
| Dateigröße: |
33.27 KB |
| Heruntergeladen: |
578 mal |
|
|
|
|
|
|
|
|
|
Einstellungen und Berechtigungen
|
|
Du kannst Beiträge in dieses Forum schreiben. Du kannst auf Beiträge in diesem Forum antworten. Du kannst deine Beiträge in diesem Forum nicht bearbeiten. Du kannst deine Beiträge in diesem Forum nicht löschen. Du kannst an Umfragen in diesem Forum nicht mitmachen. Du kannst Dateien in diesem Forum posten Du kannst Dateien in diesem Forum herunterladen
|
|
Impressum
| Nutzungsbedingungen
| Datenschutz
| FAQ
| RSS
Hosted by:
Copyright © 2007 - 2026
goMatlab.de | Dies ist keine offizielle Website der Firma The Mathworks
MATLAB, Simulink, Stateflow, Handle Graphics, Real-Time Workshop, SimBiology, SimHydraulics, SimEvents, and xPC TargetBox are registered trademarks and The MathWorks, the L-shaped membrane logo, and Embedded MATLAB are trademarks of The MathWorks, Inc.
|
|