|
|
|
for schleife bei embedded matlab function |
|
| StudentET |

Forum-Fortgeschrittener
|
 |
Beiträge: 70
|
 |
|
 |
Anmeldedatum: 09.02.10
|
 |
|
 |
Wohnort: ---
|
 |
|
 |
Version: ---
|
 |
|
|
 |
|
Verfasst am: 23.03.2010, 11:46
Titel: for schleife bei embedded matlab function
|
 |
Hallo zusammen,
hab bei der Simulation von meinem Modell,das in Simulink gemacht wurden ist,einen komischen Fehler gekriegt.
Es handelt sich letztendlich um eine Sinusquelle,die ihr Frequenz jeweils eine Schleifendurchlauf ändert.
Das angehängte Bild erklärt alles.
Es wäre sehr sehr nett,wenn jemand mir sagen könnte,wie ich den Fehler beheben könnte.
bedanke mich im voraus.
| Beschreibung: |
|
 Download |
| Dateiname: |
bild1.JPG |
| Dateigröße: |
133.59 KB |
| Heruntergeladen: |
1130 mal |
|
|
|
|
|
|
| andi_u |
Gast
|
 |
Beiträge: ---
|
 |
|
 |
Anmeldedatum: ---
|
 |
|
 |
Wohnort: ---
|
 |
|
 |
Version: ---
|
 |
|
|
 |
|
Verfasst am: 23.03.2010, 13:32
Titel:
|
 |
sie mal deine embedded matlab function an. du hast einen ausgang mit der variable y angelegt, aber in die wird nichts geschrieben, weil sie gar nicht im code auftaucht.
gruß andi
|
|
|
|
| Strauße |

Forum-Fortgeschrittener
|
 |
Beiträge: 57
|
 |
|
 |
Anmeldedatum: 07.11.08
|
 |
|
 |
Wohnort: ---
|
 |
|
 |
Version: ---
|
 |
|
|
 |
|
Verfasst am: 23.03.2010, 13:35
Titel:
|
 |
Hey,
ich glaube das wird nicht so ganz funktionieren wie du dir das vorstellst. Habs nur überflogen, aber zu jeden Zeitschritt wird ja ein Wert aus der Function ausgegeben. Und die for-schleife wird ja jedes mal komplett durchlaufen. Aber dein "j" kommt ja in der Schleife gar nicht vor? Weiss nicht genau wie du dir das vorstellst.
Aber ich würde oben als erstes mal den Ausgang initialisieren (z.b.: y = 0
Dann kann die Schleife unten machen was sie will, aber du solltest zumindest keine Fehlermeldung kriegen.
Grüsse
|
|
|
|
| StudentET |
Themenstarter

Forum-Fortgeschrittener
|
 |
Beiträge: 70
|
 |
|
 |
Anmeldedatum: 09.02.10
|
 |
|
 |
Wohnort: ---
|
 |
|
 |
Version: ---
|
 |
|
|
 |
|
Verfasst am: 23.03.2010, 14:47
Titel:
|
 |
bedanke mich erst mal für die Antworten.
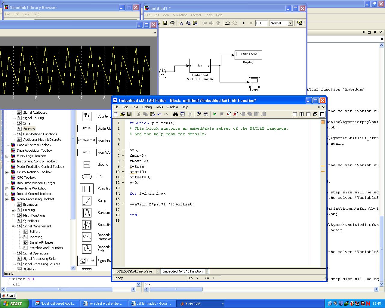
aber was ist wenn ich jetzt folgendes code geschrieben habe,da habe ich statt j,f genommen,und das taucht in der gleichung auf,aber ich krieg trotzdem ein komisches sinussignal raus..
irgend eine idee..
vielen dank noch mal
| Beschreibung: |
|
 Download |
| Dateiname: |
bild2.JPG |
| Dateigröße: |
204.5 KB |
| Heruntergeladen: |
1011 mal |
|
|
|
|
| Zenon |

Forum-Guru
|
 |
Beiträge: 292
|
 |
|
 |
Anmeldedatum: 20.01.10
|
 |
|
 |
Wohnort: ---
|
 |
|
 |
Version: ---
|
 |
|
|
 |
|
Verfasst am: 23.03.2010, 15:15
Titel:
|
 |
Deine Schrittweite in den Simulationsoptionen ist zu groß, mach sie kleiner und dann werden auch genug Punkte berechnet um Kurven darstellen zu können.
Simulation-->Configuration Parameters-->Max Stepsize-->0.05 (z.B.)
|
|
|
|
| StudentET |
Themenstarter

Forum-Fortgeschrittener
|
 |
Beiträge: 70
|
 |
|
 |
Anmeldedatum: 09.02.10
|
 |
|
 |
Wohnort: ---
|
 |
|
 |
Version: ---
|
 |
|
|
 |
|
Verfasst am: 23.03.2010, 15:56
Titel:
|
 |
danke für den Tipp.
ich kriege jetzt auf jeden fall ne beesere darstellung.
aber leider immer noch nicht ganz mein gewünschtes ziel,denn das ausgangssignal soll einige massen sowie es in dem angehängten bild aussehen.
also die frequenz geändert werden soll.
hoffe auf eure hilfe
| Beschreibung: |
|
 Download |
| Dateiname: |
bild3.JPG |
| Dateigröße: |
205.98 KB |
| Heruntergeladen: |
996 mal |
|
|
|
|
| Zenon |

Forum-Guru
|
 |
Beiträge: 292
|
 |
|
 |
Anmeldedatum: 20.01.10
|
 |
|
 |
Wohnort: ---
|
 |
|
 |
Version: ---
|
 |
|
|
 |
|
Verfasst am: 23.03.2010, 16:09
Titel:
|
 |
|
Vielleicht solltest Du mal sagen, was das Eingangssignal ist und wie es mit dem Ausgangssignal zusammenhängen soll...Mir erscheint es vom Bild her so als ob die Frequenz des Ausgangs abhängig von der Amplitude des Eingangssignals sein soll...aber das ist mit nem Bild schwer nachzuvoll ziehen...welchen math. Zusammenhang willst Du denn durch den Block abbilden.
|
|
|
|
| StudentET |
Themenstarter

Forum-Fortgeschrittener
|
 |
Beiträge: 70
|
 |
|
 |
Anmeldedatum: 09.02.10
|
 |
|
 |
Wohnort: ---
|
 |
|
 |
Version: ---
|
 |
|
|
 |
|
Verfasst am: 23.03.2010, 16:26
Titel:
|
 |
das ausgang ist erst mal unwichtig.
der eingang ist ne sinusquelle,die ihr frequenz ändert..
also sowie sine wave aber z.B. f=3 und dann 4 und dann 5 usw..
|
|
|
|
|
|
|
Einstellungen und Berechtigungen
|
|
Du kannst Beiträge in dieses Forum schreiben. Du kannst auf Beiträge in diesem Forum antworten. Du kannst deine Beiträge in diesem Forum nicht bearbeiten. Du kannst deine Beiträge in diesem Forum nicht löschen. Du kannst an Umfragen in diesem Forum nicht mitmachen. Du kannst Dateien in diesem Forum posten Du kannst Dateien in diesem Forum herunterladen
|
|
Impressum
| Nutzungsbedingungen
| Datenschutz
| FAQ
| RSS
Hosted by:
Copyright © 2007 - 2026
goMatlab.de | Dies ist keine offizielle Website der Firma The Mathworks
MATLAB, Simulink, Stateflow, Handle Graphics, Real-Time Workshop, SimBiology, SimHydraulics, SimEvents, and xPC TargetBox are registered trademarks and The MathWorks, the L-shaped membrane logo, and Embedded MATLAB are trademarks of The MathWorks, Inc.
|
|