|
|
|
Functions mit unterschiedlichen Simulationszeiten |
|
| apokalypsa |

Forum-Newbie
|
 |
Beiträge: 2
|
 |
|
 |
Anmeldedatum: 19.04.17
|
 |
|
 |
Wohnort: ---
|
 |
|
 |
Version: ---
|
 |
|
|
 |
|
Verfasst am: 19.04.2017, 23:25
Titel: Functions mit unterschiedlichen Simulationszeiten
|
 |
| |
 |
|
Hallo zusammen,
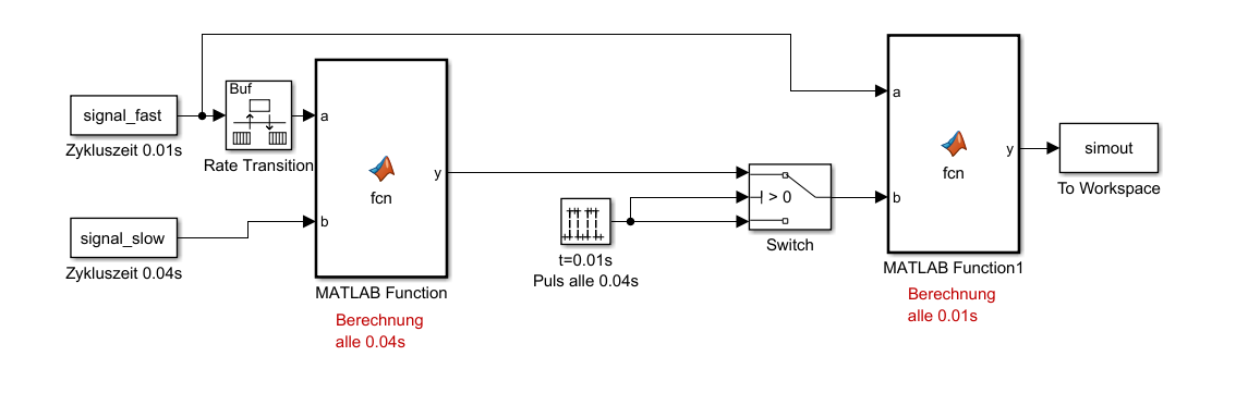
ich habe ein Problem: ich nehme verschiedene Sensordaten auf, die mit zwei unterschiedlichen Frequenzen kommen (25Hz und 100Hz).
Zur Veranschaulichung habe ich eine stark vereinfachte Skizze angehängt.
In den ersten Funktionsblock fließen sowohl 25Hz als auch 100Hz-Signale ein. Dieser wird daher mit 25 Hz ausgeführt und nur die zeitlich passenden 100Hz-Signale verwendet.
Die Ergebnisse sollen wenn vorhanden in dem nachgelagerten Funktionsblock, der mit 100Hz arbeitet einfließen, ansonsten verarbeitet er nur die 100Hz-Signale.
Sobald keine neuen 25Hz-Signale anliegen sollen diese zu 0 gesetzt werden.
Ich habe meinen Lösungsansatz mal in einem stark vereinfachten Programm umgesetzt und ein Bild dazu angehängt.
Es muss aber noch eine intelligentere Möglichkeit geben als hinter jeden Ausgang einen switch zu hängen.
Bin für jede Hilfe dankbar
| Beschreibung: |
|
 Download |
| Dateiname: |
Beispiel Zykluszeit.PNG |
| Dateigröße: |
36.54 KB |
| Heruntergeladen: |
606 mal |
|
|
|
|
|
|
| Andreas Goser |

Forum-Meister
|
 |
Beiträge: 3.654
|
 |
|
 |
Anmeldedatum: 04.12.08
|
 |
|
 |
Wohnort: Ismaning
|
 |
|
 |
Version: 1.0
|
 |
|
|
 |
|
Verfasst am: 20.04.2017, 07:27
Titel:
|
 |
Beim Blick auf das Modell frage ich mich, warum das überhaupt in Simulink und nicht in MATLAB gemacht wird?
Andreas
|
|
|
|
| apokalypsa |
Themenstarter

Forum-Newbie
|
 |
Beiträge: 2
|
 |
|
 |
Anmeldedatum: 19.04.17
|
 |
|
 |
Wohnort: ---
|
 |
|
 |
Version: ---
|
 |
|
|
 |
|
Verfasst am: 20.04.2017, 13:19
Titel:
|
 |
Wie gesagt, ist nur eine starke vereinfachung des Teils meines Modells, das relevant ist
|
|
|
|
| Epfi |

Forum-Meister
|
 |
Beiträge: 1.134
|
 |
|
 |
Anmeldedatum: 08.01.09
|
 |
|
 |
Wohnort: ---
|
 |
|
 |
Version: ---
|
 |
|
|
 |
|
Verfasst am: 20.04.2017, 15:23
Titel:
|
 |
Abseits von der technischen Schwierigkeit: was Du da machst, ist ein Downsampling ohne Tiefpassfilterung. Das geht nur in Ausnahmefällen gut, ist im Allgemeinen aber eher falsch und zu vermeiden.
Wenn Du von dem 100Hz-Signal nur jeden vierten Wert rausgreifst, werden alle Signalanteile mit Frequenzen oberhalb von 25/2Hz= 12,5Hz falsch abgebildet. Das kann soweit gehen, dass das 100Hz-Signal, das nur mit 25Hz verarbeitet wird komplett unbrauchbar wird...
Stichworte: Abtastung, Undersampling, Shannonsches Abtasttheorem.
Man trifft das im echten Leben erstaunlich häufig an und es passiert trotzdem nichts dramatisches - von daher: einfach mal mitnehmen und wenn es zu komischem Verhalten kommt, gucken, ob es daran liegt...
|
|
|
|
|
|
|
Einstellungen und Berechtigungen
|
|
Du kannst Beiträge in dieses Forum schreiben. Du kannst auf Beiträge in diesem Forum antworten. Du kannst deine Beiträge in diesem Forum nicht bearbeiten. Du kannst deine Beiträge in diesem Forum nicht löschen. Du kannst an Umfragen in diesem Forum nicht mitmachen. Du kannst Dateien in diesem Forum posten Du kannst Dateien in diesem Forum herunterladen
|
|
Impressum
| Nutzungsbedingungen
| Datenschutz
| FAQ
| RSS
Hosted by:
Copyright © 2007 - 2026
goMatlab.de | Dies ist keine offizielle Website der Firma The Mathworks
MATLAB, Simulink, Stateflow, Handle Graphics, Real-Time Workshop, SimBiology, SimHydraulics, SimEvents, and xPC TargetBox are registered trademarks and The MathWorks, the L-shaped membrane logo, and Embedded MATLAB are trademarks of The MathWorks, Inc.
|
|