| 
|  
|  | 
| 
 
 
	
		|  | Gesamtübertragungsfunktion aus Signalfluss ermitteln |  |  
 
| 
| Eddy2k |  
|  
 Forum-Anfänger
 
 
 
|  |  
|  | Beiträge: 27 |  |  
|  |  
|  | Anmeldedatum: 15.06.12 |  |  
|  |  
|  | Wohnort: --- |  |  
|  |  
|  | Version: --- |  |  
|  |  |  
|  |  | 
|  Verfasst am: 16.06.2012, 11:27    
Titel: Gesamtübertragungsfunktion aus Signalfluss ermitteln |  |  
|  |  |   |  
| Hallo Leute! 
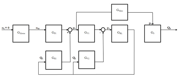
 Ich habe mir ein eigenes Modell für eine Pumpenanlage erstellt und bereits die Übertragungsfunktionen der einzelnen Glieder der Regelstrecke bestimmt. Jetzt bin ich gerade dabei, die Gesamtübertragungsfunktion zu bilden und stoße dabei auf ein Problem... Ich habe meine Regelstrecke als Bild beigefügt.
 
 Gesucht ist die Funktion G(s)=QS/n1, also Qs als Ausgang und n1 als Eingang. Folgende Schritte habe ich bereits durchgeführt:
 
 1. Rückführung:
 
 G1(s)=GRL(s)/(1+GRL(s)*GV2(s))
 
 2. Reihenschaltung:
 
 G2(s) = G1(s)*GV1(s)
 
 3. Rückführung:
 
 G3(s)=G2(s)/(1-G2(s)*GP2(s))
 
 4. Reihenschaltung vorne:
 
 G4(s)=GMotor(s)*GP1(s)
 
 5. Reihenschaltung Abzweigung:
 
 G5(s)=GMess(s)*GS(s)
 
 Dann komme ich nicht mehr weiter, weil ich nicht weiß, was ich mit dieser Abzweigung von p1 zu GMess machen soll. Deshalb bin ich mir auch unsicher, ob das  mit der 2. Rückführung so richtig ist.
 
 Mein 1. Versuch zur Bildung der Gesamtübetragungsfunktion war:
 
 Gs=G3(s)*G4(s)*G5(s)
 
 Also einfach eine Reihenschaltung. Aber das ist leider falsch, das Ergebnis stimmt nicht. Ich kann es überprüfen, da ich mir die Übertragungsfunktion mit dem Linearisierungs Tool von Matlab bestimmt habe.
 
 Ich hoffe ihr könnte mir ein paar Tips geben, komme sonst nicht weiter.
 
 Gruß
 
 
 
	
		
	 
		| Beschreibung: |  |  Download
 |  
		| Dateiname: | Signalfluss.jpg |  
		| Dateigröße: | 18.74 KB |  
		| Heruntergeladen: | 1318 mal |  |  |  
|  |  |  
		| 
 
 |  
| 
| Eddy2k |  
| Themenstarter 
 
  
 Forum-Anfänger
 
 
 
|  |  
|  | Beiträge: 27 |  |  
|  |  
|  | Anmeldedatum: 15.06.12 |  |  
|  |  
|  | Wohnort: --- |  |  
|  |  
|  | Version: --- |  |  
|  |  |  
|  |  | 
|  Verfasst am: 18.06.2012, 21:55    
Titel: |  |  
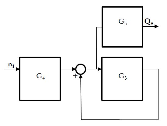
| Hallo nochmal, 
 habe den von mir hochgeladenen Signalflussplan soweit vereinfacht wie ich konnte. Jetzt erkennt man das Problem genauer, das ich nicht lösen kann. Möglicherweise hilft das weiter und jemand kann mir dann nen Tipp geben
   Ich komm einfach nicht darauf wie man das richtig umformt.
 
 mfg
 
 
 
	
		
	 
		| Beschreibung: |  |  Download
 |  
		| Dateiname: | Signalfluss2.JPG |  
		| Dateigröße: | 21.21 KB |  
		| Heruntergeladen: | 1265 mal |  |  |  
|  |  
| 
| eey |  
|  
 Forum-Fortgeschrittener
 
 
 
|  |  
|  | Beiträge: 86 |  |  
|  |  
|  | Anmeldedatum: 31.03.12 |  |  
|  |  
|  | Wohnort: --- |  |  
|  |  
|  | Version: --- |  |  
|  |  |  
|  |  | 
|  Verfasst am: 19.06.2012, 09:06    
Titel: |  |  |  
|  |  
| 
| Eddy2k |  
| Themenstarter 
 
  
 Forum-Anfänger
 
 
 
|  |  
|  | Beiträge: 27 |  |  
|  |  
|  | Anmeldedatum: 15.06.12 |  |  
|  |  
|  | Wohnort: --- |  |  
|  |  
|  | Version: --- |  |  
|  |  |  
|  |  | 
|  Verfasst am: 19.06.2012, 18:01    
Titel: |  |  
| Ne, das ist ja eben das Problem, in der Kreisstruktur befindet sich ja noch die Verzeweigung selbst. Die Vereinfachungen für eine direkte Gegenkopplung berücksichtigen aber keine solche Abzweigung. 
 Ich habe die Gesamtübertragungsfunktion schon mit Malab bestimmt. Habe dann auch den Ansatz probiert, den du in deinem Beitrag geschrieben hast.
 Die errechnete Übertargungsfunktion und die, die mir Matlab berechnet, stimmen nicht überein, also garnicht
   
 Aber trotzdem danke schonmal für die Antwort!
 
 gruß
 |  |  
|  |  
| 
| Eddy2k |  
| Themenstarter 
 
  
 Forum-Anfänger
 
 
 
|  |  
|  | Beiträge: 27 |  |  
|  |  
|  | Anmeldedatum: 15.06.12 |  |  
|  |  
|  | Wohnort: --- |  |  
|  |  
|  | Version: --- |  |  
|  |  |  
|  |  | 
|  Verfasst am: 19.06.2012, 19:19    
Titel: |  |  
| Hallo Leute, habe es jetzt nun geschafft.  Habe keine grafische Lösung verwendet, sondern eine analytische. Ich poste einfach mal den Rechenweg, falls es jemanden interessiert: 
 I)   A= n1*G4
 
 II)  B= A + C
 
 III) C= B*G3
 
 IV) Qs=B*G5
 
 Wenn man die Gleichungen ineinander einsetzt, dann erhält man für die Übertragungsfunktion folgende Formel:
 
 Gs = Qs/n1 = G4/(1/G5-G3/G5)
 
 Diese Lösung stimmt nun. Trotzdem danke für die Hilfe!
 
 
 
	
		
	 
		| Beschreibung: |  |  Download
 |  
		| Dateiname: | Luu.png |  
		| Dateigröße: | 19.57 KB |  
		| Heruntergeladen: | 1221 mal |  |  |  
|  |  
| 
| eey |  
|  
 Forum-Fortgeschrittener
 
 
 
|  |  
|  | Beiträge: 86 |  |  
|  |  
|  | Anmeldedatum: 31.03.12 |  |  
|  |  
|  | Wohnort: --- |  |  
|  |  
|  | Version: --- |  |  
|  |  |  
|  |  | 
|  Verfasst am: 19.06.2012, 19:36    
Titel: |  |  
| 
 
	  | Eddy2k hat Folgendes geschrieben: |  
	  | Hallo Leute, habe es jetzt nun geschafft.... 
 Gs = Qs/n1 = G4/(1/G5-G3/G5)
 
 Diese Lösung stimmt nun.
 |  
 Na dann klammer doch mal  1/G5 aus und bring es in den Zähler.... Und siehe da, die Lösung die ich gepostet habe.
 
 
 
 
	  | Eddy2k hat Folgendes geschrieben: |  
	  | Die errechnete Übertargungsfunktion und die, die mir Matlab berechnet, stimmen nicht überein, also garnicht
 
 |  
 Doch, der Ansatz stimmt definitiv. Wenn man es richtig(!) in Matlab eingibt bekommt man auch das richtige Ergebnis. Die Verzweigung hat an der Stelle nämlich überhaupt nichts mit der Kreisstruktur zu tun.
 
 Grüße,
 eey
 |  |  
|  |  
| 
| Eddy2k |  
| Themenstarter 
 
  
 Forum-Anfänger
 
 
 
|  |  
|  | Beiträge: 27 |  |  
|  |  
|  | Anmeldedatum: 15.06.12 |  |  
|  |  
|  | Wohnort: --- |  |  
|  |  
|  | Version: --- |  |  
|  |  |  
|  |  | 
|  Verfasst am: 19.06.2012, 20:32    
Titel: |  |  
| Jo du hast recht  Gibts ja garnich der ganze Aufwand weil ichs falsch eingetippt hab ... ^^ |  |  
|  |  
|     
 
 | 
 
 |  
| Einstellungen und Berechtigungen |  
| 
 | Du kannst Beiträge in dieses Forum schreiben. Du kannst auf Beiträge in diesem Forum antworten.
 Du kannst deine Beiträge in diesem Forum nicht bearbeiten.
 Du kannst deine Beiträge in diesem Forum nicht löschen.
 Du kannst an Umfragen in diesem Forum nicht mitmachen.
 Du kannst Dateien in diesem Forum posten
 Du kannst Dateien in diesem Forum herunterladen
 
 |  |  
 Impressum
 | Nutzungsbedingungen
 | Datenschutz
 | FAQ
 |
  RSS 
 Hosted by:
 
   
 Copyright © 2007 - 2025
goMatlab.de | Dies ist keine offizielle Website der Firma The Mathworks
 
 MATLAB, Simulink, Stateflow, Handle Graphics, Real-Time Workshop, SimBiology, SimHydraulics, SimEvents, and xPC TargetBox are registered trademarks and The MathWorks, the L-shaped membrane logo, and Embedded MATLAB are trademarks of The MathWorks, Inc.
 
 
 |  |