|
|
|
Gesamtübertragungsfunktion berechnen lassen |
|
| Rivet |

Forum-Newbie
|
 |
Beiträge: 1
|
 |
|
 |
Anmeldedatum: 28.05.15
|
 |
|
 |
Wohnort: ---
|
 |
|
 |
Version: ---
|
 |
|
|
 |
|
Verfasst am: 28.05.2015, 17:54
Titel: Gesamtübertragungsfunktion berechnen lassen
|
 |
| |
 |
|
Hallo zusammen,
ich bin neu hier im Forum sowie Tag-1-Einsteiger in Matlab.
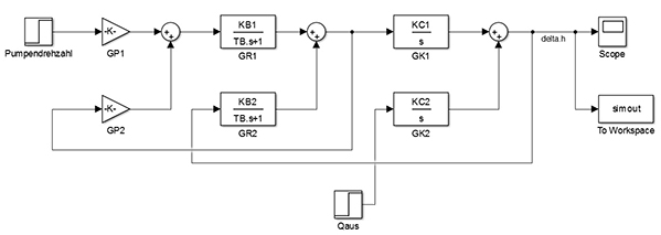
Ich habe in Simulink ein Blockschaltbild erstellt (siehe Bild) und würde gerne wissen, ob es möglich ist, sich die Übertragungsfunktion für die gesamte Regelstrecke ausgeben zu lassen in der Form 1/(T²*s²+2*D*T*s+1)? Also mit der Pumpendrehzahl als Eingang und delta.h als Ausgang. Ich weiß, dass die Funktion sich in der Form darstellen lässt, doch T u. D sind mir unbekannt.
Es muss auch keine symbolische Lösung mit den Koeffizienten der Übertragungsglieder wie KA1, KB1, usw. sein - diese habe ich im Matlab Workspace mit konkreten Zahlenwerten gefüttert, sodass auch eine Lösung in Form von Zahlen genügt.
Ich habe versucht, das Blockschaltbild per Hand zu vereinfachen, doch da ich mehrfach nicht zum richtigen Ergebnis gelangt bin, wollte ich es gerne so versuchen. Gibt es da eine Möglichkeit? Bin für jede Hilfe dankbar.
| Beschreibung: |
|
 Download |
| Dateiname: |
Untitled.jpg |
| Dateigröße: |
43.24 KB |
| Heruntergeladen: |
755 mal |
|
|
|
|
|
|
|
|
|
Einstellungen und Berechtigungen
|
|
Du kannst Beiträge in dieses Forum schreiben. Du kannst auf Beiträge in diesem Forum antworten. Du kannst deine Beiträge in diesem Forum nicht bearbeiten. Du kannst deine Beiträge in diesem Forum nicht löschen. Du kannst an Umfragen in diesem Forum nicht mitmachen. Du kannst Dateien in diesem Forum posten Du kannst Dateien in diesem Forum herunterladen
|
|
Impressum
| Nutzungsbedingungen
| Datenschutz
| FAQ
| RSS
Hosted by:
Copyright © 2007 - 2026
goMatlab.de | Dies ist keine offizielle Website der Firma The Mathworks
MATLAB, Simulink, Stateflow, Handle Graphics, Real-Time Workshop, SimBiology, SimHydraulics, SimEvents, and xPC TargetBox are registered trademarks and The MathWorks, the L-shaped membrane logo, and Embedded MATLAB are trademarks of The MathWorks, Inc.
|
|