|
|
|
Graph von 1-D Lookkup Table wird nicht vollständig geplotte |
|
| Akkijun |

Forum-Newbie
|
 |
Beiträge: 2
|
 |
|
 |
Anmeldedatum: 08.01.15
|
 |
|
 |
Wohnort: ---
|
 |
|
 |
Version: ---
|
 |
|
|
 |
|
Verfasst am: 08.01.2015, 21:51
Titel: Graph von 1-D Lookkup Table wird nicht vollständig geplotte
|
 |
Guten Abend,
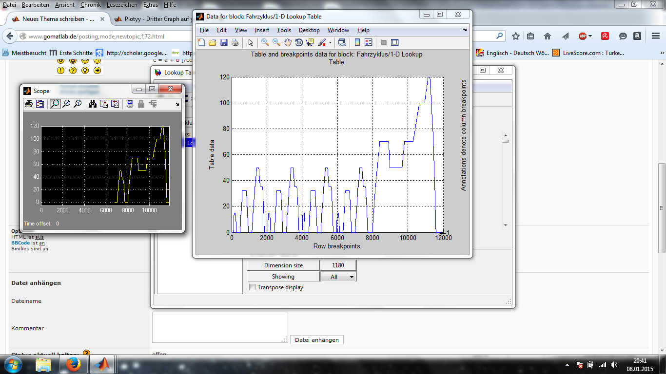
ich bin ein Anfänger was Matlab-Simulink angeht und versuche seit einigen Tagen ein Fahrzyklus für ein hybrides Fahrzeug zu programieren/simulieren.
Ich verwende einen 1-D Lookup Table, der die Werte (Geschwindigkeit & Zeit) über den Workspace bekommt. Wenn ich die Simulation starte, plottet Matlab mir nur einen Teil der Geschwindigkeiten, obwohl alle Werte korrekt im Table editiert sind. Unter dem Editor des Tables wird der Graph komplett geplottet und nicht erst ab dem 7000. Wert.
Vielen Dank im Voraus für eure Hilfe
Beste Grüße
Akki
| Beschreibung: |
|
 Download |
| Dateiname: |
Problem 1-Dlookup table.png |
| Dateigröße: |
242.76 KB |
| Heruntergeladen: |
368 mal |
|
|
|
|
|
|
| Harald |

Forum-Meister
|
 |
Beiträge: 24.502
|
 |
|
 |
Anmeldedatum: 26.03.09
|
 |
|
 |
Wohnort: Nähe München
|
 |
|
 |
Version: ab 2017b
|
 |
|
|
 |
|
Verfasst am: 09.01.2015, 23:50
Titel:
|
 |
Hallo,
in den Einstellungen des Scopes (zweites Icon von Links) im Reiter "History" den Haken bei "Limit Data Points to Last" entfernen.
Grüße,
Harald
|
|
|
|
| Akkijun |
Themenstarter

Forum-Newbie
|
 |
Beiträge: 2
|
 |
|
 |
Anmeldedatum: 08.01.15
|
 |
|
 |
Wohnort: ---
|
 |
|
 |
Version: ---
|
 |
|
|
 |
|
Verfasst am: 10.01.2015, 16:07
Titel:
|
 |
Hallo Harald,
ich danke dir vielmals.
Besten Gruß
Akki
|
|
|
|
|
|
|
Einstellungen und Berechtigungen
|
|
Du kannst Beiträge in dieses Forum schreiben. Du kannst auf Beiträge in diesem Forum antworten. Du kannst deine Beiträge in diesem Forum nicht bearbeiten. Du kannst deine Beiträge in diesem Forum nicht löschen. Du kannst an Umfragen in diesem Forum nicht mitmachen. Du kannst Dateien in diesem Forum posten Du kannst Dateien in diesem Forum herunterladen
|
|
Impressum
| Nutzungsbedingungen
| Datenschutz
| FAQ
| RSS
Hosted by:
Copyright © 2007 - 2026
goMatlab.de | Dies ist keine offizielle Website der Firma The Mathworks
MATLAB, Simulink, Stateflow, Handle Graphics, Real-Time Workshop, SimBiology, SimHydraulics, SimEvents, and xPC TargetBox are registered trademarks and The MathWorks, the L-shaped membrane logo, and Embedded MATLAB are trademarks of The MathWorks, Inc.
|
|