|
|
|
Hochsetzsteller/Boost-Converter in Simulink |
|
| R0b1 |

Forum-Anfänger
|
 |
Beiträge: 34
|
 |
|
 |
Anmeldedatum: 11.01.13
|
 |
|
 |
Wohnort: ---
|
 |
|
 |
Version: ---
|
 |
|
|
 |
|
Verfasst am: 22.07.2014, 13:26
Titel: Hochsetzsteller/Boost-Converter in Simulink
|
 |
Hallo!
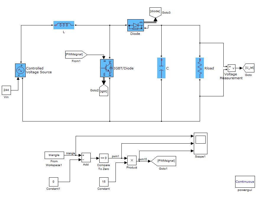
Hat hier schon jemand mal elektrische Schaltungen in Simulink/SimPowerSystems aufgebaut?
Ich möchte hier einen einfach Hochsetzsteller (Boost-Converter) aufbauen. Allerdings fällt die Ausgangsspannung nach einem riesigen Peak am Anfang immer wieder auf Null. In LTSpice funktioniert die Schaltung allerdings.
Ich hoffe hier kann mir jemand helfen...
Gruß
| Beschreibung: |
|
 Download |
| Dateiname: |
HSS.JPG |
| Dateigröße: |
52.86 KB |
| Heruntergeladen: |
838 mal |
| Beschreibung: |
|
 Download |
| Dateiname: |
HSS_v3_test.mdl |
| Dateigröße: |
47.83 KB |
| Heruntergeladen: |
845 mal |
|
|
|
|
|
|
|
|
|
Einstellungen und Berechtigungen
|
|
Du kannst Beiträge in dieses Forum schreiben. Du kannst auf Beiträge in diesem Forum antworten. Du kannst deine Beiträge in diesem Forum nicht bearbeiten. Du kannst deine Beiträge in diesem Forum nicht löschen. Du kannst an Umfragen in diesem Forum nicht mitmachen. Du kannst Dateien in diesem Forum posten Du kannst Dateien in diesem Forum herunterladen
|
|
Impressum
| Nutzungsbedingungen
| Datenschutz
| FAQ
| RSS
Hosted by:
Copyright © 2007 - 2026
goMatlab.de | Dies ist keine offizielle Website der Firma The Mathworks
MATLAB, Simulink, Stateflow, Handle Graphics, Real-Time Workshop, SimBiology, SimHydraulics, SimEvents, and xPC TargetBox are registered trademarks and The MathWorks, the L-shaped membrane logo, and Embedded MATLAB are trademarks of The MathWorks, Inc.
|
|