|
|
|
Hydraulikkreislauf zeigt unerwartetes Verhalten |
|
| Silke_Mueller |
Gast
|
 |
Beiträge: ---
|
 |
|
 |
Anmeldedatum: ---
|
 |
|
 |
Wohnort: ---
|
 |
|
 |
Version: ---
|
 |
|
|
 |
|
Verfasst am: 21.07.2011, 17:37
Titel: Hydraulikkreislauf zeigt unerwartetes Verhalten
|
 |
| |
 |
|
Hallo,
ich habe einen Hydraulikkreislauf mit zwei 'Double-Acting Cylinder'. Ihre Kolbenlänge und Ventilöffnungen sind je gleich groß und es sind jeweils die beiden oberen und die beiden unteren Kammern miteinander verbunden.
Das ganz wird mit einer verknüpften Mechanik angetrieben. In der Ausgangsposition befindet sich Zylinder A am oberen Anschlag, Zylinder B am unteren. Wenn durch die Mechanik nun der Kolben des Zylinders A nach unten gedrückt wird, soll durch die hydraulische Verknüpfung gleichzeitig der Kolben des Zylinders B um die selbe Strecke nach oben gedrückt werden.
Tatsächlich bewegen sich sie Zylinder allerdings sehr unterschiedlich!
Woran liegt das? Wie kann ich das beheben? Ich habe den prozentualen Antel der Luft im Fluid bereits auf 0.001 gesenkt und die Viskosität auf 1.8e-1 erhöht. Dadurch gab es weniger Schwingungen, aber der Verlauf der Bewegungen hat sich kaum verändert.
Wäre toll wenn mir jemand helfen kann.
Viele Grüße, Silke
|
|
|
|
|
|
| Georg J |

Forum-Century
|
 |
Beiträge: 113
|
 |
|
 |
Anmeldedatum: 22.06.11
|
 |
|
 |
Wohnort: ---
|
 |
|
 |
Version: R2008a
|
 |
|
|
 |
|
Verfasst am: 21.07.2011, 21:13
Titel:
|
 |
Hallo Silke,
Wie genau hast du denn die Zylinder konfiguriert? Was meinst du mit obere und untere Kammer? Hast du ein Beispielmodell?
Bedenke, dass bei einem doppeltwirkenden Zylinder mit einseitiger Kolbenstange unterschiedlich grosse Wirklächen am Kolben vorhanden sind.
Nur wenn die verbundenen Zylinderkammern dieselbe Wirkfläche haben, ist die gleiche Bewegung für die beiden Zylinder zu erwarten.
Es gilt für den Volumenstrom
Q = x*A
Bei der Verbindung von Kammer a1 mit Kammer a2 gilt
Q_a1 = Q_a2
also
x1*A_a1 = x2*A_a2
x1 ist also nur dann gleich x2, wenn A_a1 = A_a2. Gleiches gilt für die anderen beiden verbundenen Kammern.
Gruss, Georg
|
|
|
|
| Phate |

Forum-Guru
|
 |
Beiträge: 283
|
 |
|
 |
Anmeldedatum: 09.11.09
|
 |
|
 |
Wohnort: Stuttgart
|
 |
|
 |
Version: R2008b
|
 |
|
|
 |
|
Verfasst am: 22.07.2011, 08:28
Titel:
|
 |
Hi,
Georg hat dir ja schon die Antwort schön ausführlich beschriebne. Es liegt daran, dass die eine seite des Zylinders eine Ringfläche ist und die andere Seite des Zylinders eine Kreisfläche.
Beheben lässt sich das ganze mit einem Gleichlaufzylinder. Bei so einem System ist die Kolbenstange komplett durchgeführt bis nach ausen hin.
Hat aber auch einige Nachteile und wird in der Regel sehr selten verwendet.
Grüße
|
|
|
|
| Georg J |

Forum-Century
|
 |
Beiträge: 113
|
 |
|
 |
Anmeldedatum: 22.06.11
|
 |
|
 |
Wohnort: ---
|
 |
|
 |
Version: R2008a
|
 |
|
|
 |
|
Verfasst am: 22.07.2011, 11:07
Titel:
|
 |
Hi Phate,
Aus Interesse:
Was sind deiner Meinung nach die Nachteile eines Gleichlaufzylinders?
Ich sehe nur den Unterschied, dass ein doppeltwirkender Zylinder in eine Richtung bei gleichem Druck wesentlich grössere Kolbenkräfte liefert, aufgrund der grösseren Wirkfläche.
Ein Gleichlaufzylinder hat dafür den Vorteil, dass die Kolbenstange besser gelagert ist, da sie an zwei Seiten gehalten wird.
Gruss, Georg
|
|
|
|
| Phate |

Forum-Guru
|
 |
Beiträge: 283
|
 |
|
 |
Anmeldedatum: 09.11.09
|
 |
|
 |
Wohnort: Stuttgart
|
 |
|
 |
Version: R2008b
|
 |
|
|
 |
|
Verfasst am: 22.07.2011, 11:44
Titel:
|
 |
Hi,
Als Nachteile würde ich (bin in der Automobilbranche) sehen, dass man ein größeres Losbrechkraft aus der Ruhelage hat da 2 Dichtungen notwendig sind um die Kolbenstange abzudichten. Dadurch erhöht sich auch die Reibung sowie die Leckage des Zylinders. Zusätzlich seh ich noch ein Bauraumproblem, da die Kolbenstange ja auf der anderen Seite mindestens den benötigten Verfahrweg austritt.
Vl. noch als Randinformation zum Thema Losbrechkraft der Kolbenstange. Hier werden teilweise Anforderungen gestellt im einstelligen Newtonbereich.
Hoffe konnte dir weiterhelfen. Falls du Fragen hast bzw. etwas anders siehst interessiert mich auch deine Meinung.
Grüße
|
|
|
|
| Silke_Müller |
Gast
|
 |
Beiträge: ---
|
 |
|
 |
Anmeldedatum: ---
|
 |
|
 |
Wohnort: ---
|
 |
|
 |
Version: ---
|
 |
|
|
 |
|
Verfasst am: 22.07.2011, 15:07
Titel:
|
 |
| |
 |
|
Hallo,
vielen Dank erstmal für die schnellen Antworten. Ich dachte eigentlich das ich das Problem der unterschiedlichen Flächen bedacht hätte, indem ich je die unteren Kammern (also die wo die komplette Fläche wirkt) miteinander verbunden habe und dann eben die oberen Kammern (also die wo nur die Kreisfläche wirkt).
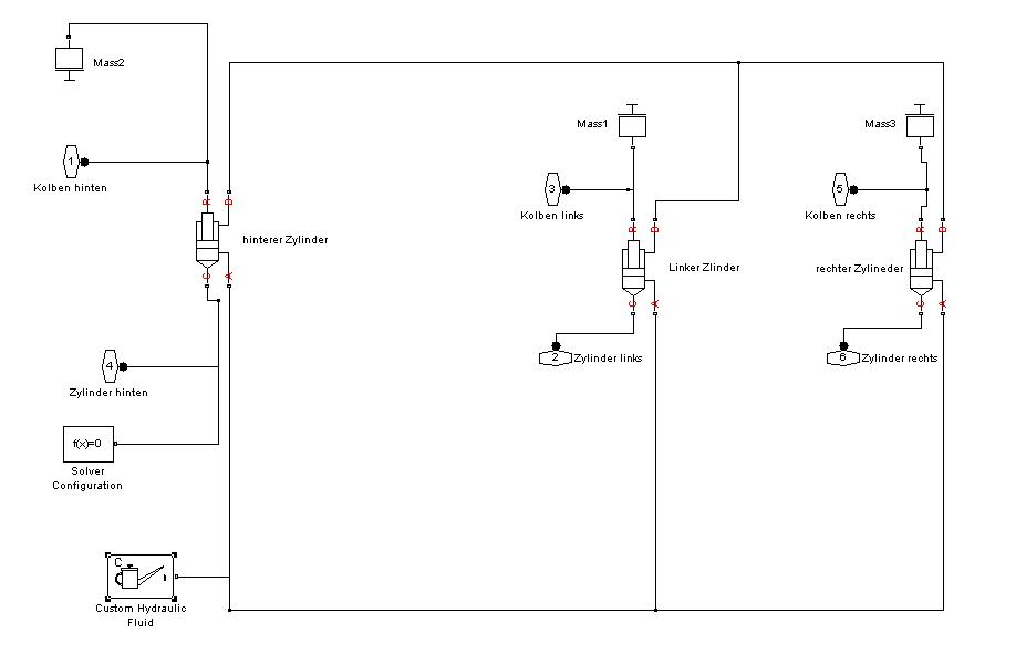
Ich habe mal ein Bild von dem Hydraulikteil meines Systems angehängt. Zur Erklärung: Über die PMC-Ports wird die Mechanik angeschlossen, ein Drehgelenk. Der linke und rechte Zylinder (siehe Bezeichnung in der Zeichnung) sind mechanisch fest verbunden, d.h. sie bewegen sich in jedem Fall gleich. Sie haben einen halb so langen Kolbenweg wie der hintere Zylinder, bei je gleichen Grundflächen für die piston Areas A bzw. B. Die Zylinder sollen sich nun im Verhältnis 1:2 entgegengesetzt zum hinteren Zylinder bewegen. Als Initialposition habe ich für den hinteren Zylinder dann die volle Kolbenlänge Abstand von Cap A angegeben, während die kürzeren Zylinder (linker und rechter Zylinder) in der Nullposition direkt an Cap A starten.
Meine Erwartung war nun, dass wenn ich den Kolben des hinteren Zylinders mit der Mechanik runterdrücke, beide Kolben der kürzeren Zylinder (linker und rechter) hochgedrückt werden und zwar je um die halbe Strecke.
Das ist aber nicht so... Liegt das auch an den verschieden großen Kräften durch die Flächen? Oder was könnte das Problem sein?
Vielen Dank, Silke
| Beschreibung: |
|
 Download |
| Dateiname: |
Hydraulik.jpg |
| Dateigröße: |
33.48 KB |
| Heruntergeladen: |
1012 mal |
|
|
|
|
| Phate |

Forum-Guru
|
 |
Beiträge: 283
|
 |
|
 |
Anmeldedatum: 09.11.09
|
 |
|
 |
Wohnort: Stuttgart
|
 |
|
 |
Version: R2008b
|
 |
|
|
 |
|
Verfasst am: 25.07.2011, 08:56
Titel:
|
 |
Guten Morgen,
Wenn der linke und der rechte Zylinder mechanisch miteinander fest verbunden sind warum hast du dann zwei verschiedene Massen (Masse 1 und Masse 3) die auf die Kolbenstangen wirken?
Von der Verbindung unter den Kolben her geb ich dir recht da sollte man ersteinmal erwarten dass der linke und der rechte Zylinder den halben Weg machen.
Hast du überall im System zu Beginn den gleichen Systemdruck?
Was pasiert denn anstelle von dem erwarteten. Plotte dir doch mal den Volumestrom und den Druck an allen 3 Zylindern.
Grüße
|
|
|
|
| Silke_Müller |

Forum-Newbie
|
 |
Beiträge: 6
|
 |
|
 |
Anmeldedatum: 26.07.11
|
 |
|
 |
Wohnort: ---
|
 |
|
 |
Version: ---
|
 |
|
|
 |
|
Verfasst am: 27.07.2011, 17:26
Titel:
|
 |
| |
 |
|
Hallo,
ja, das Problem mit der Hydraulik habe ich immer noch nicht gelöst.
Die Massen am rechten und linken Zylinder sind gleich groß. Ich habe inzwischen auch schon ausprobiert ob sich etwas ändert wenn ich beide an dieselbe Masse anschließe. Das hat aber keinen Effekt.
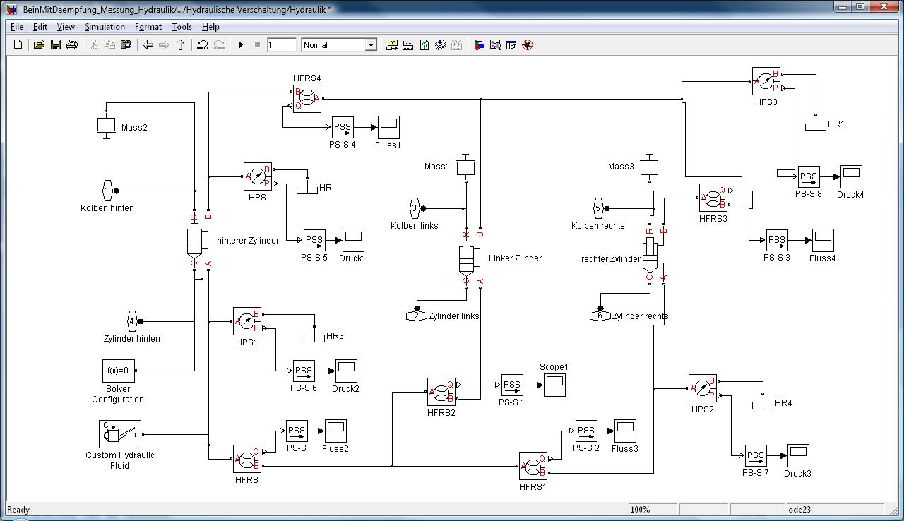
In der Anlage jetzt einmal die Hydraulik mit Sensoren, damit ihr sehen könnt, wo welcher Wert gemessen wurde und zum anderen ein Zusammenschnitt aller relevanten Kurven.
Links die vier aufgenommenen Flowrates, rechts die vier Aufgenommenen Drücke. Darunter ist die Bewegung des angeschlossenen Drehgelnks (Scope_Kniewinkel), die Zylinderbewegungen (linker und rechter Zylinder bewegen sich gleich, Kurve ist benannt mit Scope_ZylinderVorne) sowie das Verhältnis der Zylinderwege. Letzteres sollte eben eigentlich die ganze Zeit etwa -2 sein (Wegeverhältnis 1:2), das ist aber nur zwischen t=0.4 und t=0.6 der Fall.
Seltsamerweise ist die Flusskurve an allen vier Messpunkten ok, d.h. die Form ist gleich und die unterschiedlichen Maxima passen jeweils zum Verhältnis der wirkenden Zylinderflächen... Trotzdem bewegen sich die Zylinder nicht entsprechend.
Wäre toll, wenn einer von euch eine Idee hätte... Danke, Silke
| Beschreibung: |
|
 Download |
| Dateiname: |
Uebersicht_Scopes.jpg |
| Dateigröße: |
234.22 KB |
| Heruntergeladen: |
1013 mal |
| Beschreibung: |
|
 Download |
| Dateiname: |
Schaltplan_Hydraulik_mit_Sensoren.jpg |
| Dateigröße: |
110.78 KB |
| Heruntergeladen: |
1022 mal |
|
|
|
|
| Georg J |

Forum-Century
|
 |
Beiträge: 113
|
 |
|
 |
Anmeldedatum: 22.06.11
|
 |
|
 |
Wohnort: ---
|
 |
|
 |
Version: R2008a
|
 |
|
|
 |
|
Verfasst am: 28.07.2011, 00:19
Titel:
|
 |
| |
 |
|
Hallo Silke,
Ich habe mir die Grafiken mal angeschaut. Diese werfen bei mir einige Fragen auf, von denen du dir wahrscheinlich auch schon einige gestellt hast. Aber vielleicht hilft es, das Problem zu erörtern.
1. Warum werden Druck 2 und 3 überhaupt negativ? Immerhin sind diese Drücke als Absolutdrücke definiert.
2. Warum bewegt sich der vordere Zylinder (also links u. rechts) bis knapp t=0.4 s nicht, obwohl Flow da ist? Hast du die Kompressibilität langer Ölleitungen modelliert?
3. Steigt der Kniewinkel ab t=0.3 nicht mehr linear sondern quadratisch? Wenn die Steigung noch immer linear ist (aber z.B. doppelt so gross), dann müsste der Flow konstant sein.
4. Ich nehme an, der hintere Zylinder soll dem Verlauf des Kniewinkels folgen. Warum gibt es Einbrüche?
5. Warum reagiert das System schon ganz zu Beginn t < 0.05 s schon so abgehackt? Hast du die Systemdrücke und Flows nicht korrekt initialisiert?
Ich würde den hinteren Zylinder mal mit einer konstanten Geschwindigkeit(!) bzw. Rampe im Zylinderweg auslenken. Dies muss einen konstanten Flow geben. Das ist fürs Erste einfacher, als eine komplizierte Referenz. Vielleicht hilft das, zu sehen, wann genau es wo schief läuft.
Und um nochmal auf die Kompressibilität zurück zu kommen: In wie fern ist diese in Sim Mechanics drin? Die Frage zielt darauf ab, was die Eigenfrequenzen der Zylinder mit den angekoppelten Massen sind.
Ich hoffe, dass ich noch ein paar neue Denkanstösse habe geben können.
Gruss, Georg
|
|
|
|
| Phate |

Forum-Guru
|
 |
Beiträge: 283
|
 |
|
 |
Anmeldedatum: 09.11.09
|
 |
|
 |
Wohnort: Stuttgart
|
 |
|
 |
Version: R2008b
|
 |
|
|
 |
|
Verfasst am: 28.07.2011, 09:02
Titel:
|
 |
| |
 |
|
Hi,
Gregor hat schon so ziemlich alles gesagt (der ist einfach zu schnell ^^). MMn solltest du als erstes nochmal nur das Hydraulikmodell mit einfachen Anregungssignalen simulieren. Was mir noch auffällt, das deine ganze Simulation nicht mal eine Sekunde läuft, was doch sehr kurt ist für eine erste Untersuchung.
Ich habe mir für Hydrauliksimulationen angewöhnt als Anregungssignal (Weg) eine Rampe zu benutzen die zu Beginn der Simulation 5s lang 0 ist und danach 5s linear ansteigt (Entspricht dann der von Gregor vorgeschlagenen konstanten Geschwindigkeit).
Dann wäre es noch interessant zu wissen in was für Initailwerte deine Zylinder usw zu Beginn haben und in wie weit die die Zylindermodelle bedatet hast.
Soweit ich weis kann man in den Zylindern an Werten wie Haftreibung Gleitreibung Leckage usw. einstellen. Wenn das berücksichtigt werden soll trozdem zuersteinmal weglassen.
@Gregor: In dem Block Custom Hydraulik Fluid kann man alle wichtigen Größen des Hydraulimediums angeben u. a . auch die Kompressibilität.
Was für einen Solver hast du eingestellt? Wenn du einen für steife Systeme ausgewählt hast kann es auch mal zweckdienlich sein einen wirklich "einfachen" Solver wie einen Euler mit sher kleiner Schrittweite zu benutzen um Einflüsse des Solvers auszuschließen.
Grüße
|
|
|
|
|
|
|
Einstellungen und Berechtigungen
|
|
Du kannst Beiträge in dieses Forum schreiben. Du kannst auf Beiträge in diesem Forum antworten. Du kannst deine Beiträge in diesem Forum nicht bearbeiten. Du kannst deine Beiträge in diesem Forum nicht löschen. Du kannst an Umfragen in diesem Forum nicht mitmachen. Du kannst Dateien in diesem Forum posten Du kannst Dateien in diesem Forum herunterladen
|
|
Impressum
| Nutzungsbedingungen
| Datenschutz
| FAQ
| RSS
Hosted by:
Copyright © 2007 - 2026
goMatlab.de | Dies ist keine offizielle Website der Firma The Mathworks
MATLAB, Simulink, Stateflow, Handle Graphics, Real-Time Workshop, SimBiology, SimHydraulics, SimEvents, and xPC TargetBox are registered trademarks and The MathWorks, the L-shaped membrane logo, and Embedded MATLAB are trademarks of The MathWorks, Inc.
|
|