|
|
|
If Anweisung wird nicht richtig ausgeführt |
|
| Dingsda |

Forum-Anfänger
|
 |
Beiträge: 23
|
 |
|
 |
Anmeldedatum: 22.10.14
|
 |
|
 |
Wohnort: ---
|
 |
|
 |
Version: ---
|
 |
|
|
 |
|
Verfasst am: 21.01.2015, 11:32
Titel: If Anweisung wird nicht richtig ausgeführt
|
 |
Hallo!
Weiß jemand, was ich falsch mache?
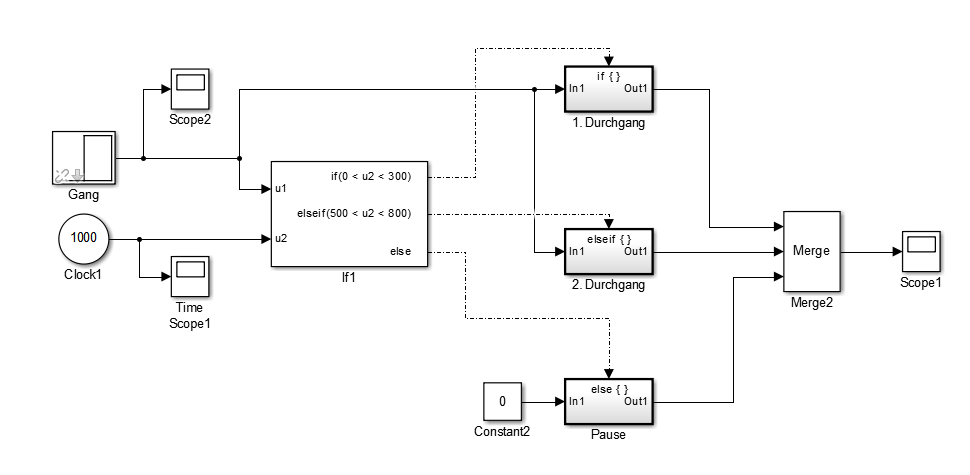
Der Eingang u1 soll ausgeführt werden, wenn u2 (Simulationszeit) zwischen 0 und 300 Sekunden liegt (if). Zwischen 300 und 500 Sekunden soll es eine 0 ausgeben (else). Und von 500 bis 800 Sekunden soll wieder der Eingang u1 gewählt werden (elseif).
Das Programm gibt mit aber immer nur den Eingang u1 aus...
| Beschreibung: |
|
 Download |
| Dateiname: |
Durchgang.PNG |
| Dateigröße: |
25.08 KB |
| Heruntergeladen: |
636 mal |
| Beschreibung: |
|
 Download |
| Dateiname: |
Scope.PNG |
| Dateigröße: |
24.08 KB |
| Heruntergeladen: |
628 mal |
|
|
|
|
|
|
| cvanommer |

Forum-Anfänger
|
 |
Beiträge: 32
|
 |
|
 |
Anmeldedatum: 02.03.15
|
 |
|
 |
Wohnort: Garching bei München
|
 |
|
 |
Version: R2015a
|
 |
|
|
 |
|
Verfasst am: 02.03.2015, 16:13
Titel:
|
 |
Hallo Dingsda,
Eine Möglichkeit das Problem zu beheben ist mit ein AND operator die nachprüft ob die Zeit zwischen 300 und 500 Sekunden ist. Der Simulink File ist im Anhang zu finden.
Viel Erfolg!
Christiaan
| Beschreibung: |
|
 Download |
| Dateiname: |
signal_300_500.slx |
| Dateigröße: |
17.81 KB |
| Heruntergeladen: |
471 mal |
|
|
|
|
|
|
|
Einstellungen und Berechtigungen
|
|
Du kannst Beiträge in dieses Forum schreiben. Du kannst auf Beiträge in diesem Forum antworten. Du kannst deine Beiträge in diesem Forum nicht bearbeiten. Du kannst deine Beiträge in diesem Forum nicht löschen. Du kannst an Umfragen in diesem Forum nicht mitmachen. Du kannst Dateien in diesem Forum posten Du kannst Dateien in diesem Forum herunterladen
|
|
Impressum
| Nutzungsbedingungen
| Datenschutz
| FAQ
| RSS
Hosted by:
Copyright © 2007 - 2026
goMatlab.de | Dies ist keine offizielle Website der Firma The Mathworks
MATLAB, Simulink, Stateflow, Handle Graphics, Real-Time Workshop, SimBiology, SimHydraulics, SimEvents, and xPC TargetBox are registered trademarks and The MathWorks, the L-shaped membrane logo, and Embedded MATLAB are trademarks of The MathWorks, Inc.
|
|