|
|
|
Integratorblock bringt Fehler |
|
| EDA_11 |

Forum-Anfänger
|
 |
Beiträge: 32
|
 |
|
 |
Anmeldedatum: 16.08.11
|
 |
|
 |
Wohnort: ---
|
 |
|
 |
Version: ---
|
 |
|
|
 |
|
Verfasst am: 29.08.2011, 07:42
Titel: Integratorblock bringt Fehler
|
 |
Hallo zusammen,
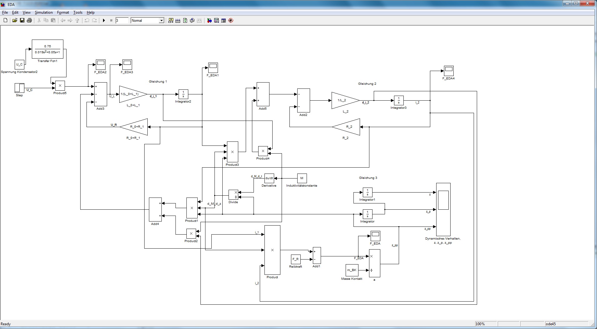
mein Integrator z_p (s. Bild im Anhang) bringt folgende Fehlermeldung:
Derivative input 1 of 'EDA/z_p' at time 0.0135 is Inf or NaN. Stopping simulation. There may be a singularity in the solution. If not, try reducing the step size (either by reducing the fixed step size or by tightening the error tolerances)
Meine Masse m_K ist nicht Null.
Mein Solver steht auf feste Schrittweise und ich hab ODE 4 mit einer Schrittweite von 0.0001
Gruß
Frank
| Beschreibung: |
|
 Download |
| Dateiname: |
Unbenannt.JPG |
| Dateigröße: |
98.37 KB |
| Heruntergeladen: |
643 mal |
|
|
|
|
|
|
| Harald |

Forum-Meister
|
 |
Beiträge: 24.502
|
 |
|
 |
Anmeldedatum: 26.03.09
|
 |
|
 |
Wohnort: Nähe München
|
 |
|
 |
Version: ab 2017b
|
 |
|
|
 |
|
Verfasst am: 29.08.2011, 09:38
Titel:
|
 |
Hallo,
simuliere das System bitte mal mit ode45.
Wenn es dort keine Probleme gibt, musst du evtl. die Schrittweite verkleinern, um ähnliche Resultate zu bekommen wie mit ode4.
Etwas weitergehend: willst du Code erzeugen, oder warum nutzt du einen Solver mit fester Schrittweite?
Wenn das nicht hilft, wäre es gut, wenn du das tatsächliche Simulink-Modell (oder eine vereinfachte Version davon, an der man das Problem nachvollziehen kann) anhängst.
Grüße,
Harald
|
|
|
|
| EDA_11 |
Themenstarter

Forum-Anfänger
|
 |
Beiträge: 32
|
 |
|
 |
Anmeldedatum: 16.08.11
|
 |
|
 |
Wohnort: ---
|
 |
|
 |
Version: ---
|
 |
|
|
 |
|
Verfasst am: 29.08.2011, 12:10
Titel:
|
 |
Hallo,
also der Solver Ode 45 bringt die gleiche Fehlermeldung.
Ich hab mal die mdl- und M-Datei angehängt
Gruß
Frank
| Beschreibung: |
|
 Download |
| Dateiname: |
Variablen.m |
| Dateigröße: |
2.64 KB |
| Heruntergeladen: |
561 mal |
| Beschreibung: |
|
 Download |
| Dateiname: |
EDA.mdl |
| Dateigröße: |
43.61 KB |
| Heruntergeladen: |
612 mal |
|
|
|
|
| DSP |

Forum-Meister
|
 |
Beiträge: 2.117
|
 |
|
 |
Anmeldedatum: 28.02.11
|
 |
|
 |
Wohnort: ---
|
 |
|
 |
Version: R2014b
|
 |
|
|
 |
|
Verfasst am: 29.08.2011, 12:25
Titel:
|
 |
Bei mir ist das Modell leer ...kann aber auch an meiner Version hängen.
Ich tippe aber mal wieder darauf, dass dir die Fehlermeldung bereits die Ursache nennt. Der Eingang ist bei t=... Inf/-Inf oder NaN, wie es auch schon bei t=0 der Fall war. Da hat die Fehlermeldung ja auch den Grund angegeben
|
|
|
|
| EDA_11 |
Themenstarter

Forum-Anfänger
|
 |
Beiträge: 32
|
 |
|
 |
Anmeldedatum: 16.08.11
|
 |
|
 |
Wohnort: ---
|
 |
|
 |
Version: ---
|
 |
|
|
 |
|
Verfasst am: 29.08.2011, 12:50
Titel:
|
 |
Das irgendwas INF oder NAN ist, weiss ich auch.
Die Frage ist was daran Schuld ist
|
|
|
|
| Harald |

Forum-Meister
|
 |
Beiträge: 24.502
|
 |
|
 |
Anmeldedatum: 26.03.09
|
 |
|
 |
Wohnort: Nähe München
|
 |
|
 |
Version: ab 2017b
|
 |
|
|
 |
|
Verfasst am: 29.08.2011, 12:56
Titel:
|
 |
Hallo,
bei mir lässt sich das Modell öffnen. Die Variable M ist aber nicht definiert.
Das Modell ist äußerst unübersichtlich. Ich empfehle z.B. dringend, Signalkreuzungen oder merkwürdig anmutende Signalführungen zu vermeiden. Oft helfen auch Subsysteme, um ein Modell übersichtlicher zu gestalten.
Wenn du viele arithmetische Operationen hast, bietet sich auch der (Embedded) MATLAB Function Block an.
Was mir noch auffällt: du hast M als Induktivitätskonstante. Ist es da sinnvoll/notwendig, die Ableitung zu bilden (die ja bei einer Konstante
naheliegenderweise 0 sein wird) ?
Grüße,
Harald
|
|
|
|
| DSP |

Forum-Meister
|
 |
Beiträge: 2.117
|
 |
|
 |
Anmeldedatum: 28.02.11
|
 |
|
 |
Wohnort: ---
|
 |
|
 |
Version: R2014b
|
 |
|
|
 |
|
Verfasst am: 29.08.2011, 13:14
Titel:
|
 |
|
Um inf oder -inf zu verhindern, hatte ich ich dir ja bereits einen Lösungsvorschlag mit dem Saturationblock genannt. Damit müsstest du sonst dein Modell durchgehen...F_EDA muss ja inf/-inf oder NaN sein. Was ist mit M,i_1 und i_2 aus dem Subblock...erstmal mit dem Sat-block begrenzen und dir anschauen, was sie für Werte bei t = 0.0135 haben.
|
|
|
|
| EDA_11 |
Themenstarter

Forum-Anfänger
|
 |
Beiträge: 32
|
 |
|
 |
Anmeldedatum: 16.08.11
|
 |
|
 |
Wohnort: ---
|
 |
|
 |
Version: ---
|
 |
|
|
 |
|
Verfasst am: 29.08.2011, 13:14
Titel:
|
 |
|
die Gegeninduktivität M wird ja in dem einem Subsystem berechnet.
|
|
|
|
| Harald |

Forum-Meister
|
 |
Beiträge: 24.502
|
 |
|
 |
Anmeldedatum: 26.03.09
|
 |
|
 |
Wohnort: Nähe München
|
 |
|
 |
Version: ab 2017b
|
 |
|
|
 |
|
Verfasst am: 29.08.2011, 13:20
Titel:
|
 |
Hallo,
ich vermute, du hast das falsche Modell angehängt.
Deine Aussage passt nämlich zu dem Screenshot, aber nicht zu dem (völlig anders aussehenden) Modell.
Grüße,
Harald
|
|
|
|
| EDA_11 |
Themenstarter

Forum-Anfänger
|
 |
Beiträge: 32
|
 |
|
 |
Anmeldedatum: 16.08.11
|
 |
|
 |
Wohnort: ---
|
 |
|
 |
Version: ---
|
 |
|
|
 |
|
Verfasst am: 29.08.2011, 13:23
Titel:
|
 |
Ergänzung
| Beschreibung: |
|
 Download |
| Dateiname: |
EDA.mdl |
| Dateigröße: |
43.61 KB |
| Heruntergeladen: |
541 mal |
|
|
|
|
| Harald |

Forum-Meister
|
 |
Beiträge: 24.502
|
 |
|
 |
Anmeldedatum: 26.03.09
|
 |
|
 |
Wohnort: Nähe München
|
 |
|
 |
Version: ab 2017b
|
 |
|
|
 |
|
Verfasst am: 29.08.2011, 13:28
Titel:
|
 |
Hallo,
das scheint wieder das gleiche Modell zu sein?
Grüße,
Harald
|
|
|
|
| EDA_11 |
Themenstarter

Forum-Anfänger
|
 |
Beiträge: 32
|
 |
|
 |
Anmeldedatum: 16.08.11
|
 |
|
 |
Wohnort: ---
|
 |
|
 |
Version: ---
|
 |
|
|
 |
|
Verfasst am: 29.08.2011, 13:31
Titel:
|
 |
Hallo,
des Modell ist aber identisch mit dem Screenshot.
Welche Version von Matlab verwendest du?
|
|
|
|
| Harald |

Forum-Meister
|
 |
Beiträge: 24.502
|
 |
|
 |
Anmeldedatum: 26.03.09
|
 |
|
 |
Wohnort: Nähe München
|
 |
|
 |
Version: ab 2017b
|
 |
|
|
 |
|
Verfasst am: 29.08.2011, 13:39
Titel:
|
 |
Hallo,
ich verwende 2011a. Ich kann mir allerdings nicht vorstellen, dass das Problem in der MATLAB-Version liegt. Hast du das Modell evtl. nicht mehr gespeichert?
Siehe Anhang, wie dein Modell bei mir aussieht.
Grüße,
Harald
| Beschreibung: |
|
 Download |
| Dateiname: |
screen.jpg |
| Dateigröße: |
205.36 KB |
| Heruntergeladen: |
598 mal |
|
|
|
|
| EDA_11 |
Themenstarter

Forum-Anfänger
|
 |
Beiträge: 32
|
 |
|
 |
Anmeldedatum: 16.08.11
|
 |
|
 |
Wohnort: ---
|
 |
|
 |
Version: ---
|
 |
|
|
 |
|
Verfasst am: 29.08.2011, 13:46
Titel:
|
 |
O ja, das war mein erster Entwurf.
Ich hoffe dass diese Datei jetzt richtig ist.
| Beschreibung: |
|
 Download |
| Dateiname: |
EDA.mdl |
| Dateigröße: |
63.2 KB |
| Heruntergeladen: |
621 mal |
|
|
|
|
| Harald |

Forum-Meister
|
 |
Beiträge: 24.502
|
 |
|
 |
Anmeldedatum: 26.03.09
|
 |
|
 |
Wohnort: Nähe München
|
 |
|
 |
Version: ab 2017b
|
 |
|
|
 |
|
Verfasst am: 29.08.2011, 13:54
Titel:
|
 |
Jetzt sieht das Modell so aus, wie es soll, aber:
Error evaluating parameter 'Value' in 'EDA/Magnetische Gleichungen/Permeabilität4': Undefined function or variable 'r_m'.
|
|
|
|
|
Gehe zu Seite 1, 2 Weiter
|
|
Einstellungen und Berechtigungen
|
|
Du kannst Beiträge in dieses Forum schreiben. Du kannst auf Beiträge in diesem Forum antworten. Du kannst deine Beiträge in diesem Forum nicht bearbeiten. Du kannst deine Beiträge in diesem Forum nicht löschen. Du kannst an Umfragen in diesem Forum nicht mitmachen. Du kannst Dateien in diesem Forum posten Du kannst Dateien in diesem Forum herunterladen
|
|
Impressum
| Nutzungsbedingungen
| Datenschutz
| FAQ
| RSS
Hosted by:
Copyright © 2007 - 2026
goMatlab.de | Dies ist keine offizielle Website der Firma The Mathworks
MATLAB, Simulink, Stateflow, Handle Graphics, Real-Time Workshop, SimBiology, SimHydraulics, SimEvents, and xPC TargetBox are registered trademarks and The MathWorks, the L-shaped membrane logo, and Embedded MATLAB are trademarks of The MathWorks, Inc.
|
|