|
|
|
Klimasimulation einer idealen Kabine |
|
| andy89 |

Forum-Newbie
|
 |
Beiträge: 1
|
 |
|
 |
Anmeldedatum: 31.10.13
|
 |
|
 |
Wohnort: ---
|
 |
|
 |
Version: ---
|
 |
|
|
 |
|
Verfasst am: 09.01.2014, 20:56
Titel: Klimasimulation einer idealen Kabine
|
 |
| |
 |
|
Hallo liebes Forum,
leider konnte ich keine wirklich zufriedenstellende Antwort für mein Problem finden bin mir aber dem extrem hohen Lösungspotenzial von diesem Forum bewusst, deshalb fang ich einfach mal an
Es soll ein Komfortwärmemanagement eines PKW simuliert werden. Dazu treffe ich anfangs die Vereinfachungen:
- ideale Kabine
- strömungsfrei
- ideales Gasgemisch
- Eingehender Massenstrom = ausgehender Massenstrom
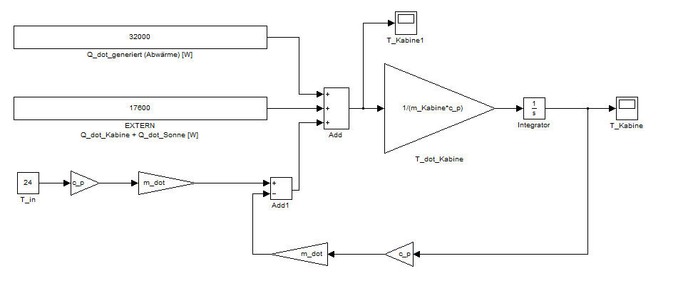
Diesen Stand habe ich wie im Anhang zu sehen modelliert. Grundlage dafür ist die Differentialgleichung:
dT(t)/dt=1/(m_Kabine*c_p)*[Q_dot+m_dot,in*c_p-m_dot,out*c_p*T_Kabine]
Man nehme nun folgendes Beispiel:
Die Außentemperatur betrage 38°C, die Kabine soll auf 24°C abgekühlt werden. Dafür müsste es mir irgendwie gelingen die Kabinentemperatur (Rot markiert) anfangs auf 38°C zu setzen. Denn jetzt beginnt die ganze Gaudi bei 0°C.
Nur wie kann ich das realisieren? Ich bin auch dankbar wenn jemand über die Richtigkeit meiner Anordnung nachdenkt. Denn ich bin Elektrotechniker und kein Themodynamiker Anhand des Modells soll später eine prädiktive Regelung entworfen werden.
Ich bedanke mich jetzt schon für eure Bemühungen und bin mir sicher ihr könnt mir weiterhelfen!
| Beschreibung: |
|
 Download |
| Dateiname: |
Kabinenmodell.jpg |
| Dateigröße: |
100.18 KB |
| Heruntergeladen: |
1169 mal |
|
|
|
|
|
|
| Bibonaut |

Forum-Fortgeschrittener
|
 |
Beiträge: 60
|
 |
|
 |
Anmeldedatum: 06.06.13
|
 |
|
 |
Wohnort: Berlin
|
 |
|
 |
Version: 2013a
|
 |
|
|
 |
|
Verfasst am: 09.01.2014, 21:16
Titel:
|
 |
Hallo andy,
den Anfangswert der Temperatur musst du im Integrator setzen (doppelklick, Initial Condition).
Über die Richtigkeit kann ich auch nicht so viel sagen, aber wenn die Einheiten stimmen...
Da fällt mir was in deiner Gleichung auf:
Q_dot
+m_dot,in*c_p
-m_dot,out*c_p*T_Kabine
Zeile 2 und 3 haben können nicht die gleiche Einheit haben, deshalb müsste dort ein Fehler liegen.
Viele Grüße
Alex
|
|
|
|
|
|
|
Einstellungen und Berechtigungen
|
|
Du kannst Beiträge in dieses Forum schreiben. Du kannst auf Beiträge in diesem Forum antworten. Du kannst deine Beiträge in diesem Forum nicht bearbeiten. Du kannst deine Beiträge in diesem Forum nicht löschen. Du kannst an Umfragen in diesem Forum nicht mitmachen. Du kannst Dateien in diesem Forum posten Du kannst Dateien in diesem Forum herunterladen
|
|
Impressum
| Nutzungsbedingungen
| Datenschutz
| FAQ
| RSS
Hosted by:
Copyright © 2007 - 2026
goMatlab.de | Dies ist keine offizielle Website der Firma The Mathworks
MATLAB, Simulink, Stateflow, Handle Graphics, Real-Time Workshop, SimBiology, SimHydraulics, SimEvents, and xPC TargetBox are registered trademarks and The MathWorks, the L-shaped membrane logo, and Embedded MATLAB are trademarks of The MathWorks, Inc.
|
|