|
|
|
Kurzschlussstrom in Simulink plotten |
|
| Flobomojo |

Forum-Newbie
|
 |
Beiträge: 8
|
 |
|
 |
Anmeldedatum: 15.02.10
|
 |
|
 |
Wohnort: Hamburg
|
 |
|
 |
Version: ---
|
 |
|
|
 |
|
Verfasst am: 17.02.2010, 17:40
Titel: Kurzschlussstrom in Simulink plotten
|
 |
| |
 |
|
Hallo Leute,
puuhh, ich hoffe, dass mir jemand bei dieser Sache helfen kann. Es ist ein wenig verzwickt oder vllt. auch nicht.
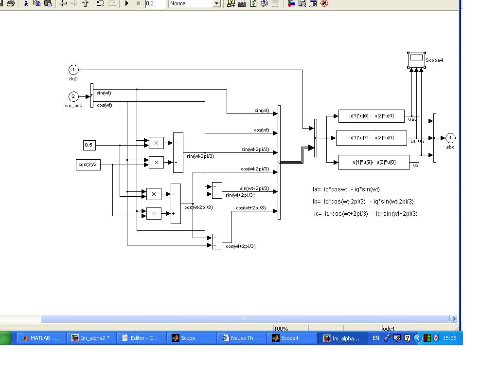
Ich modelliere gerade eine Synchronmaschine in dq-Koordinaten und versuche den Kurzschlusstrom im Drehstromsystem zu berechnen. Der Strom in dq-Koordinaten sieht sehr gut aus( siehe Bild dq-Koordinaten).So soll er auch aussehen, doch in Statorkoordinaten sieht der Strom total verkrusselt aus, nachdem ich den Kurzschluss bei 0,1 s einleitete (siehe Bild Statorkoordinaten).
Was ich dazu sagen muss: um von dq-Koordinaten in Statorkoordinaten zu gelangen, habe ich die Parktransformation angewandt (siehe Bild parktransformation).
Es ist eine Matrix bestehend aus sin und cos Gliedern, also warum macht Simu. mir so einen verkorksten Verlauf des Stromes in Statorkoordinaten?
Habt ihr eine Idee?
Ich bin fuer jede Anregung dankbar.
Gruss
Flo
| Beschreibung: |
|
 Download |
| Dateiname: |
parktransformation.JPG |
| Dateigröße: |
73.45 KB |
| Heruntergeladen: |
1176 mal |
| Beschreibung: |
|
 Download |
| Dateiname: |
Statorkoordinaten.JPG |
| Dateigröße: |
117.13 KB |
| Heruntergeladen: |
1062 mal |
| Beschreibung: |
|
 Download |
| Dateiname: |
dq-koordinaten.JPG |
| Dateigröße: |
127.75 KB |
| Heruntergeladen: |
1041 mal |
|
|
|
|
|
|
| Flobomojo |
Themenstarter

Forum-Newbie
|
 |
Beiträge: 8
|
 |
|
 |
Anmeldedatum: 15.02.10
|
 |
|
 |
Wohnort: Hamburg
|
 |
|
 |
Version: ---
|
 |
|
|
 |
|
Verfasst am: 17.02.2010, 18:08
Titel:
|
 |
Hallo Leute,
ich habe das Problem entdeckt. Ich muss die Parktransformation mit dem elektrischen Winkel und nicht mit dem mechanischen Winkel durchfuehren.
Gruss
Flo
|
|
|
|
|
|
|
Einstellungen und Berechtigungen
|
|
Du kannst Beiträge in dieses Forum schreiben. Du kannst auf Beiträge in diesem Forum antworten. Du kannst deine Beiträge in diesem Forum nicht bearbeiten. Du kannst deine Beiträge in diesem Forum nicht löschen. Du kannst an Umfragen in diesem Forum nicht mitmachen. Du kannst Dateien in diesem Forum posten Du kannst Dateien in diesem Forum herunterladen
|
|
Impressum
| Nutzungsbedingungen
| Datenschutz
| FAQ
| RSS
Hosted by:
Copyright © 2007 - 2026
goMatlab.de | Dies ist keine offizielle Website der Firma The Mathworks
MATLAB, Simulink, Stateflow, Handle Graphics, Real-Time Workshop, SimBiology, SimHydraulics, SimEvents, and xPC TargetBox are registered trademarks and The MathWorks, the L-shaped membrane logo, and Embedded MATLAB are trademarks of The MathWorks, Inc.
|
|