|
|
|
Lade-/Entladeverhalten einer Batterie mit Simulink bestimmen |
|
| Uriel |
Gast
|
 |
Beiträge: ---
|
 |
|
 |
Anmeldedatum: ---
|
 |
|
 |
Wohnort: ---
|
 |
|
 |
Version: ---
|
 |
|
|
 |
|
Verfasst am: 18.06.2013, 13:14
Titel: Lade-/Entladeverhalten einer Batterie mit Simulink bestimmen
|
 |
| |
 |
|
Hallo liebes Forum,
da ich bei meinem letzten Problem hier schon sehr gute Hilfe bekommen habe, probiere ich es einfach nochmal.
Ich habe folgendes Problem:
Ich möchte mit Simulink eine Batterie realisieren, die während der Simulation geladen, entladen oder unbelastet sein kann (bzw. sich nicht weiter entlädt, wenn der Minimalwert erreicht wird). Idealerweise kann man einen Eingang kreieren bei dem die Batterie z.B. für den Wert 1 läd, für 0 gar nichts macht und für -1 entläd.
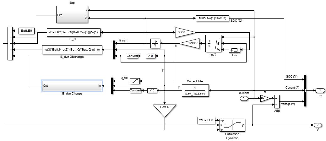
Aus der SimPowerSystems Bibliothek habe ich bereits das Model einer Batterie entnommen, allerdings habe ich keine Idee wie ich das so anpassen kann, das es macht was ich möchte. Hier mal Bilder vom Modell aus der Bibliothek.
| Beschreibung: |
|
 Download |
| Dateiname: |
Batterie.JPG |
| Dateigröße: |
10.77 KB |
| Heruntergeladen: |
747 mal |
| Beschreibung: |
|
 Download |
| Dateiname: |
Batterie2.JPG |
| Dateigröße: |
18.9 KB |
| Heruntergeladen: |
765 mal |
| Beschreibung: |
|
 Download |
| Dateiname: |
Batterie3.JPG |
| Dateigröße: |
59.82 KB |
| Heruntergeladen: |
739 mal |
|
|
|
|
|
|
|
|
|
Einstellungen und Berechtigungen
|
|
Du kannst Beiträge in dieses Forum schreiben. Du kannst auf Beiträge in diesem Forum antworten. Du kannst deine Beiträge in diesem Forum nicht bearbeiten. Du kannst deine Beiträge in diesem Forum nicht löschen. Du kannst an Umfragen in diesem Forum nicht mitmachen. Du kannst Dateien in diesem Forum posten Du kannst Dateien in diesem Forum herunterladen
|
|
Impressum
| Nutzungsbedingungen
| Datenschutz
| FAQ
| RSS
Hosted by:
Copyright © 2007 - 2026
goMatlab.de | Dies ist keine offizielle Website der Firma The Mathworks
MATLAB, Simulink, Stateflow, Handle Graphics, Real-Time Workshop, SimBiology, SimHydraulics, SimEvents, and xPC TargetBox are registered trademarks and The MathWorks, the L-shaped membrane logo, and Embedded MATLAB are trademarks of The MathWorks, Inc.
|
|