|
|
| daless |

Forum-Newbie
|
 |
Beiträge: 4
|
 |
|
 |
Anmeldedatum: 01.12.15
|
 |
|
 |
Wohnort: ---
|
 |
|
 |
Version: ---
|
 |
|
|
 |
|
Verfasst am: 07.12.2015, 09:31
Titel: Logical Operator
|
 |
Moin,
ich habe folgendes Problem:
Bei einer Bremsstrategie eines Elektrofahrzeuges möchte ich das Sollbremsmoment auf die Reib- und die Generatorbremse aufteilen.
Dazu soll wie folgt vorgegangen werden:
Sollmoment wird mit Generatormoment verglichen.
1. Wenn Soll < Generator -> Sollmoment zur Generatorbremse
2. Wenn Soll > Generator -> Genertormoment zur Generatorbremse
und (Sollmoment - Generatormoment) zur Reibbremse
Das Problem besteht im Wesentlichen im "und", da ich beispielsweise beim Switch nur einen Ausgang habe und somit in Abhängigkeit von dem Ergebnis der Überprüfung keine Aufteilung vornehmen kann.
Zum besseren Verständnis eine Bild meines Modells im Anhang.
Kann mir da jemand helfen? Ich wäre sehr dankbar.
Gruß
| Beschreibung: |
|
 Download |
| Dateiname: |
Beispiel.JPG |
| Dateigröße: |
42.86 KB |
| Heruntergeladen: |
698 mal |
|
|
|
|
|
|
| Harald |

Forum-Meister
|
 |
Beiträge: 24.502
|
 |
|
 |
Anmeldedatum: 26.03.09
|
 |
|
 |
Wohnort: Nähe München
|
 |
|
 |
Version: ab 2017b
|
 |
|
|
 |
|
Verfasst am: 07.12.2015, 16:46
Titel:
|
 |
Hallo,
dann würde ich zwei Switch-Blöcke verwenden: einen, der den Ausgang für die Generatorbremse erzeugt, und einen, der den Ausgang für die Reibbremse erzeugt. Falls Soll < Generator ist der Ausgang für die Reibbremse dann wohl 0.
Grüße,
Harald
|
|
|
|
| daless |
Themenstarter

Forum-Newbie
|
 |
Beiträge: 4
|
 |
|
 |
Anmeldedatum: 01.12.15
|
 |
|
 |
Wohnort: ---
|
 |
|
 |
Version: ---
|
 |
|
|
 |
|
Verfasst am: 07.12.2015, 19:36
Titel:
|
 |
Hi,
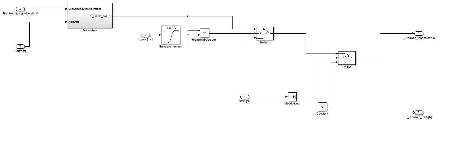
erstmal vielen Dank für deine zeitnahe und hilfreiche Antwort. Ich habe während des Tages festgestellt, dass man manchmal den Wald vor lauter Bäumen nicht sieht. Die Lösung habe ich ohne Logical Operator gefunden. Siehe Anhang, wenn es dich interessiert.
Gruß
| Beschreibung: |
|
 Download |
| Dateiname: |
Beispiel.JPG |
| Dateigröße: |
45.8 KB |
| Heruntergeladen: |
700 mal |
|
|
|
|
|
|
|
Einstellungen und Berechtigungen
|
|
Du kannst Beiträge in dieses Forum schreiben. Du kannst auf Beiträge in diesem Forum antworten. Du kannst deine Beiträge in diesem Forum nicht bearbeiten. Du kannst deine Beiträge in diesem Forum nicht löschen. Du kannst an Umfragen in diesem Forum nicht mitmachen. Du kannst Dateien in diesem Forum posten Du kannst Dateien in diesem Forum herunterladen
|
|
Impressum
| Nutzungsbedingungen
| Datenschutz
| FAQ
| RSS
Hosted by:
Copyright © 2007 - 2026
goMatlab.de | Dies ist keine offizielle Website der Firma The Mathworks
MATLAB, Simulink, Stateflow, Handle Graphics, Real-Time Workshop, SimBiology, SimHydraulics, SimEvents, and xPC TargetBox are registered trademarks and The MathWorks, the L-shaped membrane logo, and Embedded MATLAB are trademarks of The MathWorks, Inc.
|
|