|
|
| Matse1878 |

Forum-Anfänger
|
 |
Beiträge: 15
|
 |
|
 |
Anmeldedatum: 03.12.18
|
 |
|
 |
Wohnort: ---
|
 |
|
 |
Version: ---
|
 |
|
|
 |
|
Verfasst am: 07.01.2019, 17:06
Titel: LQR-Regler in Simulink
|
 |
Hallo Leute,
ich hab da mal wieder eine Frage .
Beispiel:
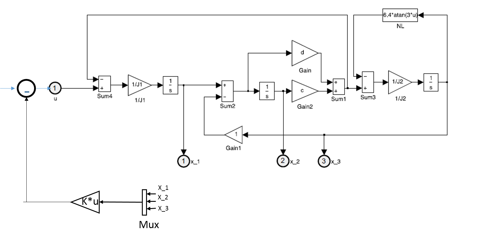
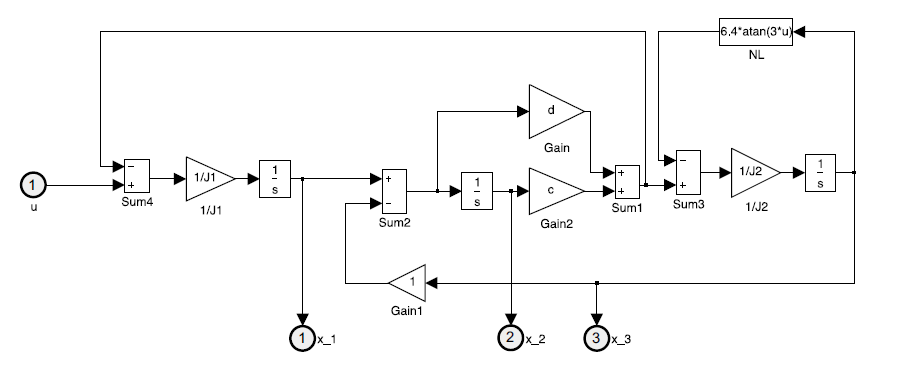
Ich möchte das nichtlineare Zweimassensystem aus dem Bild im Anhang regeln - unabhängig davon, dass es nichtlineare ist. Dazu möchte ich in Simulink ein LQR-Regler benutzen, aber wie implementiere ich den, wenn ich alle drei Zustände (auch gerne nur zwei) betrachten möchte?
Mein Ansatz ist in Bild Zweimassen_Regler.png, aber das funktioniert nicht - ich bekomme den Error im dritten Bild error.png.
Kann mir da jemand helfen? Oder soll ich das Bsp als Simulinkmodell hochladen?
Danke
| Beschreibung: |
|
 Download |
| Dateiname: |
error.PNG |
| Dateigröße: |
35.91 KB |
| Heruntergeladen: |
616 mal |
| Beschreibung: |
|
 Download |
| Dateiname: |
Zweimassenschwungrad_Regler.PNG |
| Dateigröße: |
104.97 KB |
| Heruntergeladen: |
602 mal |
| Beschreibung: |
| Zweimassensystem. Quelle:Nichtlineare Regelung S.138 |
|
 Download |
| Dateiname: |
Zweimassenschwungrad.PNG |
| Dateigröße: |
19.32 KB |
| Heruntergeladen: |
617 mal |
|
|
|
|
|
|
|
|
|
Einstellungen und Berechtigungen
|
|
Du kannst Beiträge in dieses Forum schreiben. Du kannst auf Beiträge in diesem Forum antworten. Du kannst deine Beiträge in diesem Forum nicht bearbeiten. Du kannst deine Beiträge in diesem Forum nicht löschen. Du kannst an Umfragen in diesem Forum nicht mitmachen. Du kannst Dateien in diesem Forum posten Du kannst Dateien in diesem Forum herunterladen
|
|
Impressum
| Nutzungsbedingungen
| Datenschutz
| FAQ
| RSS
Hosted by:
Copyright © 2007 - 2026
goMatlab.de | Dies ist keine offizielle Website der Firma The Mathworks
MATLAB, Simulink, Stateflow, Handle Graphics, Real-Time Workshop, SimBiology, SimHydraulics, SimEvents, and xPC TargetBox are registered trademarks and The MathWorks, the L-shaped membrane logo, and Embedded MATLAB are trademarks of The MathWorks, Inc.
|
|