|
|
|
Lösung für algebraischen Loop |
|
| WZLChris |

Forum-Newbie
|
 |
Beiträge: 5
|
 |
|
 |
Anmeldedatum: 02.10.12
|
 |
|
 |
Wohnort: ---
|
 |
|
 |
Version: ---
|
 |
|
|
 |
|
Verfasst am: 02.10.2012, 13:50
Titel: Lösung für algebraischen Loop
|
 |
| |
 |
|
Hi,
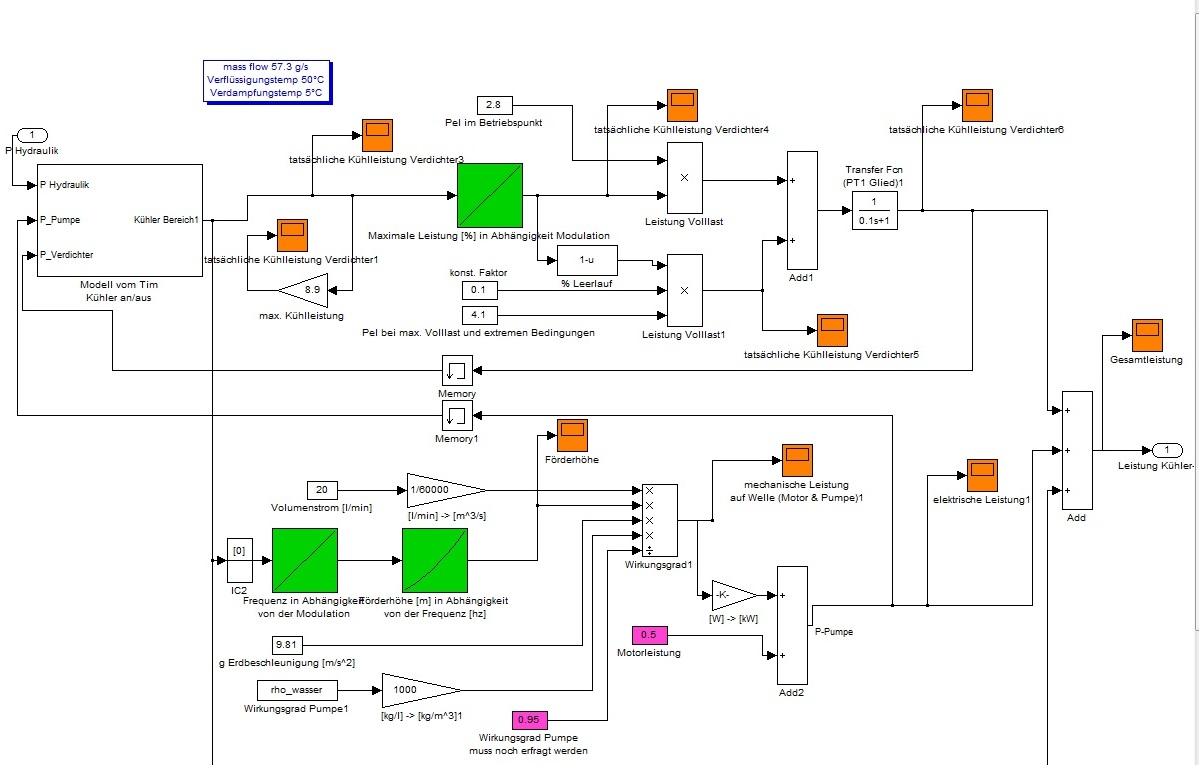
ich habe den klassischen algebraischen Loop. Also. für die Berechnung des Outputs ist der Output auch gleichzeitig Input. In der Realität bildet das Modell die Kühlerleistung ab, wobei die Kühlleistung von den Komponenten im Kühler (Verdichter, Pumpe) abhängig ist. Ich kann also mein Modell nicht ohne Loop programmieren.
Ich habe bereits vieles ausprobiert, mehr oder weniger Trail-and-Error. Auch diese Seite habe ich besucht:
http://www.mathworks.de/support/sol.....1-16V6S/?solution=1-16V6S
http://www.mathworks.de/de/help/sim.....ting-dynamic-systems.html
Nun komme ich zu zwei verschiedenen Möglichkeiten: Bei einer ähnlichen Situation wurde ein PT1 Glied nach Berechnung der Verdichterleistung verwendet. Das führt bei mir allerdings zu folgender Meldung:
Andere Möglichkeit ist mit Hilfe von den Blöcken Memory, Unit delay, Tapped delay und Transport delay die Problematik in den Griff zu bekommen. Das ist meiner Meinung nach auch die beste Möglichkeit. Ich sage der erste Input ist 0 und danach nimmst du einfach den Wert, den du zuvor berechnet hast. Nur leider bekomme ich in meinem Modell dann überhaupt kein Output. Alle Scopes sind einfach leer und das verstehe ich nicht.
Kann mir jemand sagen woran das liegt oder wie ich das lösen kann?
| Beschreibung: |
|
 Download |
| Dateiname: |
Simulink_modell.jpg |
| Dateigröße: |
146.31 KB |
| Heruntergeladen: |
751 mal |
|
|
|
|
|
|
| Harald |

Forum-Meister
|
 |
Beiträge: 24.502
|
 |
|
 |
Anmeldedatum: 26.03.09
|
 |
|
 |
Wohnort: Nähe München
|
 |
|
 |
Version: ab 2017b
|
 |
|
|
 |
|
Verfasst am: 04.10.2012, 17:15
Titel:
|
 |
Hallo,
problematisch wird es nur dann, wenn du etwas zurückführst, ohne dass sich dazwischen ein Integrator- oder verzögernder Block befindet. In den meisten Fällen ist das meiner Erfahrung nach an sich so.
Die Frage ist, was genau du modellieren möchtest. Ich halte es jedenfalls für eine sehr schlechte Idee, einfach irgendwo verzögernde Blöcke reinzusetzen, da das die Systemdynamik verändert.
Grüße,
Harald
|
|
|
|
| WZLChris |
Themenstarter

Forum-Newbie
|
 |
Beiträge: 5
|
 |
|
 |
Anmeldedatum: 02.10.12
|
 |
|
 |
Wohnort: ---
|
 |
|
 |
Version: ---
|
 |
|
|
 |
|
Verfasst am: 05.10.2012, 08:25
Titel:
|
 |
Danke Harald für deine Antwort. Grundsätzlich hast du natürlich recht. Ich würde es auch lieber ohne machen bzw. ein Integrierer benutzen.
Ich konnte es jetzt mit einem Memory Block und einem Switch lösen, der sofern kein anderes Signal als Input für die Pumpenleistung 0 ausgibt. Zum Glück ist mein System auch nicht so empfindlich, was Verzögerungen angeht, sodass es eine ganuz gute Lösung zu sein scheint.
|
|
|
|
|
|
|
Einstellungen und Berechtigungen
|
|
Du kannst Beiträge in dieses Forum schreiben. Du kannst auf Beiträge in diesem Forum antworten. Du kannst deine Beiträge in diesem Forum nicht bearbeiten. Du kannst deine Beiträge in diesem Forum nicht löschen. Du kannst an Umfragen in diesem Forum nicht mitmachen. Du kannst Dateien in diesem Forum posten Du kannst Dateien in diesem Forum herunterladen
|
|
Impressum
| Nutzungsbedingungen
| Datenschutz
| FAQ
| RSS
Hosted by:
Copyright © 2007 - 2026
goMatlab.de | Dies ist keine offizielle Website der Firma The Mathworks
MATLAB, Simulink, Stateflow, Handle Graphics, Real-Time Workshop, SimBiology, SimHydraulics, SimEvents, and xPC TargetBox are registered trademarks and The MathWorks, the L-shaped membrane logo, and Embedded MATLAB are trademarks of The MathWorks, Inc.
|
|