|
|
|
Matlabfunktion funzt nicht |
|
| Frankie1983 |

Forum-Newbie
|
 |
Beiträge: 1
|
 |
|
 |
Anmeldedatum: 29.09.13
|
 |
|
 |
Wohnort: ---
|
 |
|
 |
Version: ---
|
 |
|
|
 |
|
Verfasst am: 29.09.2013, 17:28
Titel: Matlabfunktion funzt nicht
|
 |
| |
 |
|
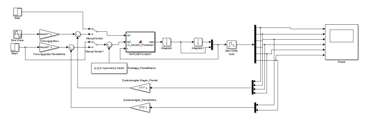
Hallo liebe MATLAB-user,
bin gerade dabei ein banales Wagen_Pendel_System mit variabler Höhenverstellung in meine MatLabfunktion zu implementieren. Leider wird mir immer wieder beim Ausführen der Matlabfunktion in Simulink ein Strich durch die Rechnung gemacht. Es kommt ständig eine Make-Fehlermeldung
"name_sfun.bat ist entweder falsch geschrieben oder konnte nicht gefunden werden."
Nun dachte ich es liegt vielleicht ein Fehler in meinem erstellten Programm vor. Aber leider musste ich feststellen, nachdem ich den Inhalt auskommentiert habe und eine konstante vektorielle Größe dem Ausgang zugewiesen habe, das dieses Problem weiter besteht. Habs mit MatLab 2013a und MatLab 2011b probiert. Überall der selbe Fehler. Ach ja, hab die Funktion die ich in den MatLab-Funktionsblock implementiert habe im Commandwindow ausgeführt. Hierbei wurden ohne Probleme Werte ausgegeben. Kann mir hierbei jemand weiterhelfen?
Sonstige Angaben: mex -setup --> VisualStudio2012 C++-Compiler und
VisualStudio2008 ebenfalls C++-Compiler für 2011b
Danke
Mfg Frankie1983
| Beschreibung: |
|
 Download |
| Dateiname: |
Nichtlineares System.JPG |
| Dateigröße: |
59.36 KB |
| Heruntergeladen: |
675 mal |
| Beschreibung: |
|
 Download |
| Dateiname: |
Nichtlineares System_Error.JPG |
| Dateigröße: |
52.02 KB |
| Heruntergeladen: |
645 mal |
|
|
|
|
Verschoben: 30.09.2013, 11:43 Uhr von denny Von Sonstige MATLAB Fragen nach Simulink |
|
|
|
|
|
Einstellungen und Berechtigungen
|
|
Du kannst Beiträge in dieses Forum schreiben. Du kannst auf Beiträge in diesem Forum antworten. Du kannst deine Beiträge in diesem Forum nicht bearbeiten. Du kannst deine Beiträge in diesem Forum nicht löschen. Du kannst an Umfragen in diesem Forum nicht mitmachen. Du kannst Dateien in diesem Forum posten Du kannst Dateien in diesem Forum herunterladen
|
|
Impressum
| Nutzungsbedingungen
| Datenschutz
| FAQ
| RSS
Hosted by:
Copyright © 2007 - 2026
goMatlab.de | Dies ist keine offizielle Website der Firma The Mathworks
MATLAB, Simulink, Stateflow, Handle Graphics, Real-Time Workshop, SimBiology, SimHydraulics, SimEvents, and xPC TargetBox are registered trademarks and The MathWorks, the L-shaped membrane logo, and Embedded MATLAB are trademarks of The MathWorks, Inc.
|
|