|
|
|
Parallelschaltung, Spannungsberechnung ohne Strom ? |
|
| Murray56 |
Gast
|
 |
Beiträge: ---
|
 |
|
 |
Anmeldedatum: ---
|
 |
|
 |
Wohnort: ---
|
 |
|
 |
Version: ---
|
 |
|
|
 |
|
Verfasst am: 17.09.2014, 22:24
Titel: Parallelschaltung, Spannungsberechnung ohne Strom ?
|
 |
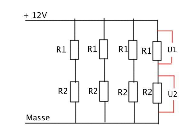
Halo,
irgendwie komme ich gerade nicht zurande bei der Berechnung der Spannungen über den Widerständen.
Im Anhang könnt ihr eine Skizze der Schaltung sehen.
R1 = 140k Ohm
R2 = 100k Ohm
Wie kann ich bei einer Eingangsspannung von 12V die Spannungen über den Widerständen (U1, U2) bestimmen?
Vielen Dank für eure Hilfe
| Beschreibung: |
|
 Download |
| Dateiname: |
Schaltung.jpg |
| Dateigröße: |
19.62 KB |
| Heruntergeladen: |
743 mal |
|
|
|
|
|
|
| Epfi |

Forum-Meister
|
 |
Beiträge: 1.134
|
 |
|
 |
Anmeldedatum: 08.01.09
|
 |
|
 |
Wohnort: ---
|
 |
|
 |
Version: ---
|
 |
|
|
 |
|
Verfasst am: 18.09.2014, 10:32
Titel:
|
 |
U1 + U2 = 12V (Maschenregel)
Herleitung Spannungsteiler:
I_zweig = 12V/(R1 + R2)
U1 = R1*I_zweig
U1 = R1 * 12V/(R1 + R2)
U2 = R2*I_zweig
U2 = R2*12V/(R1 + R2)
|
|
|
|
|
|
|
Einstellungen und Berechtigungen
|
|
Du kannst Beiträge in dieses Forum schreiben. Du kannst auf Beiträge in diesem Forum antworten. Du kannst deine Beiträge in diesem Forum nicht bearbeiten. Du kannst deine Beiträge in diesem Forum nicht löschen. Du kannst an Umfragen in diesem Forum nicht mitmachen. Du kannst Dateien in diesem Forum posten Du kannst Dateien in diesem Forum herunterladen
|
|
Impressum
| Nutzungsbedingungen
| Datenschutz
| FAQ
| RSS
Hosted by:
Copyright © 2007 - 2026
goMatlab.de | Dies ist keine offizielle Website der Firma The Mathworks
MATLAB, Simulink, Stateflow, Handle Graphics, Real-Time Workshop, SimBiology, SimHydraulics, SimEvents, and xPC TargetBox are registered trademarks and The MathWorks, the L-shaped membrane logo, and Embedded MATLAB are trademarks of The MathWorks, Inc.
|
|