|
|
| Felix.m |

Forum-Anfänger
|
 |
Beiträge: 16
|
 |
|
 |
Anmeldedatum: 10.12.21
|
 |
|
 |
Wohnort: ---
|
 |
|
 |
Version: ---
|
 |
|
|
 |
|
Verfasst am: 10.01.2022, 19:31
Titel: Park-Transformation
|
 |
Hallo zusammen,
weiß jemand wie der Eingang (a,b,c) bei den Funktionsblock "Park Transform" (https://de.mathworks.com/help/physmod/sps/ref/parktransform.html) aussehen muss? Ich habe drei Stranggrößen von Strömen als Effektivwert (Dimension: 241x1 double) mit den zugehörigen Zeiten. Also insgesamt 6 Arrays (3x Ströme und 3x Zeiten zu den Strömen).
Als Fehler kommt, dass die Dimension nicht passt.
Diese Ströme werden für die Park-Transformation mit dem Winkel Theta benötigt, um die Stromkomponenten isd und isq zu bilden. Muss ich die ströme vorher in einer Matrix zusammenführen? Hat jemand eine Idee?
Anbei ein Bild von dem Modell.
LG
Felix
| Beschreibung: |
|
 Download |
| Dateiname: |
Bildschirmfoto 2022-01-10 um 18.26.22.png |
| Dateigröße: |
93.84 KB |
| Heruntergeladen: |
589 mal |
|
|
|
|
|
|
| Felix.m |
Themenstarter

Forum-Anfänger
|
 |
Beiträge: 16
|
 |
|
 |
Anmeldedatum: 10.12.21
|
 |
|
 |
Wohnort: ---
|
 |
|
 |
Version: ---
|
 |
|
|
 |
|
Verfasst am: 10.01.2022, 21:33
Titel:
|
 |
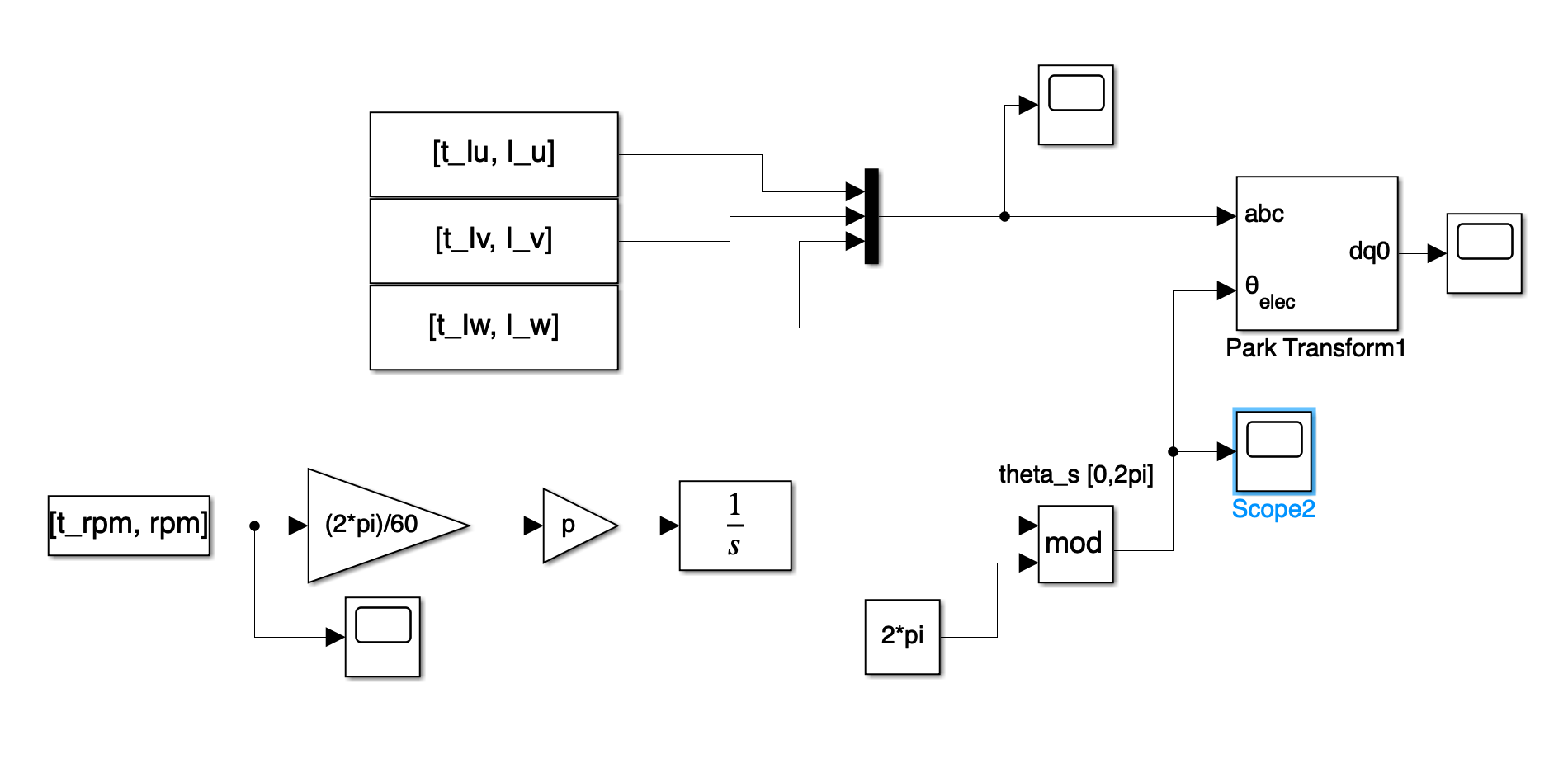
Ich habe das ganze nochmal mit einem Mux versucht. Dabei werden aber trotzdem 3 Ströme bei dem Scope nach den Transformationsblock angezeigt. Wie kann das sein?
| Beschreibung: |
|
 Download |
| Dateiname: |
Bildschirmfoto 2022-01-10 um 20.31.07.png |
| Dateigröße: |
167.74 KB |
| Heruntergeladen: |
538 mal |
| Beschreibung: |
|
 Download |
| Dateiname: |
Bildschirmfoto 2022-01-10 um 20.30.57.png |
| Dateigröße: |
113.87 KB |
| Heruntergeladen: |
564 mal |
|
|
|
|
|
|
|
Einstellungen und Berechtigungen
|
|
Du kannst Beiträge in dieses Forum schreiben. Du kannst auf Beiträge in diesem Forum antworten. Du kannst deine Beiträge in diesem Forum nicht bearbeiten. Du kannst deine Beiträge in diesem Forum nicht löschen. Du kannst an Umfragen in diesem Forum nicht mitmachen. Du kannst Dateien in diesem Forum posten Du kannst Dateien in diesem Forum herunterladen
|
|
Impressum
| Nutzungsbedingungen
| Datenschutz
| FAQ
| RSS
Hosted by:
Copyright © 2007 - 2026
goMatlab.de | Dies ist keine offizielle Website der Firma The Mathworks
MATLAB, Simulink, Stateflow, Handle Graphics, Real-Time Workshop, SimBiology, SimHydraulics, SimEvents, and xPC TargetBox are registered trademarks and The MathWorks, the L-shaped membrane logo, and Embedded MATLAB are trademarks of The MathWorks, Inc.
|
|