|
|
| milen |

Forum-Newbie
|
 |
Beiträge: 8
|
 |
|
 |
Anmeldedatum: 02.05.13
|
 |
|
 |
Wohnort: ---
|
 |
|
 |
Version: ---
|
 |
|
|
 |
|
Verfasst am: 13.05.2013, 19:01
Titel: Problem mit Powergui ???
|
 |
Hallo zusammen!
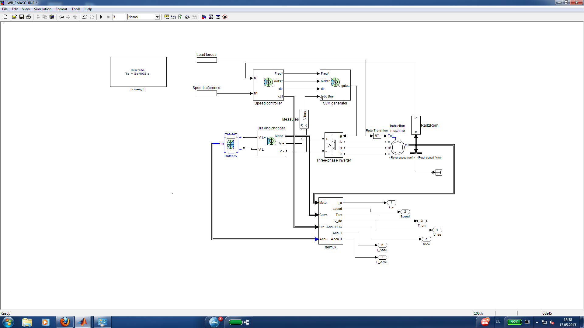
Habe im Simulink einen Elektroantrieb zusammengefügt (Bild: EAT) und habe ein Problem bei der Ausführung.
Wenn ich der Powergui ein SampleTime vorgebe meldet mir Simulink bei der Ausführung mehrere Fehler (Ts usw. nicht definiert) (Bild: Fehler).
Wenn ich jedoch im Matlab CommandWindow Ts initialisiere z.B Ts = 0.001 funktioniert alles wunderbar.
Kann mir jemand sagen, warum die Powergui-Funktion nicht Ts initialisiert oder wo der Fehler liegen könnte?
Vielen Dank!
Beste Grüße
Michael
| Beschreibung: |
|
 Download |
| Dateiname: |
Fehler.png |
| Dateigröße: |
44.81 KB |
| Heruntergeladen: |
700 mal |
| Beschreibung: |
|
 Download |
| Dateiname: |
EAT.png |
| Dateigröße: |
128.24 KB |
| Heruntergeladen: |
730 mal |
|
|
|
|
|
|
|
|
|
Einstellungen und Berechtigungen
|
|
Du kannst Beiträge in dieses Forum schreiben. Du kannst auf Beiträge in diesem Forum antworten. Du kannst deine Beiträge in diesem Forum nicht bearbeiten. Du kannst deine Beiträge in diesem Forum nicht löschen. Du kannst an Umfragen in diesem Forum nicht mitmachen. Du kannst Dateien in diesem Forum posten Du kannst Dateien in diesem Forum herunterladen
|
|
Impressum
| Nutzungsbedingungen
| Datenschutz
| FAQ
| RSS
Hosted by:
Copyright © 2007 - 2026
goMatlab.de | Dies ist keine offizielle Website der Firma The Mathworks
MATLAB, Simulink, Stateflow, Handle Graphics, Real-Time Workshop, SimBiology, SimHydraulics, SimEvents, and xPC TargetBox are registered trademarks and The MathWorks, the L-shaped membrane logo, and Embedded MATLAB are trademarks of The MathWorks, Inc.
|
|