|
|
|
Probleme mit Integrator in Simulink |
|
| Han400 |
Gast
|
 |
Beiträge: ---
|
 |
|
 |
Anmeldedatum: ---
|
 |
|
 |
Wohnort: ---
|
 |
|
 |
Version: ---
|
 |
|
|
 |
|
Verfasst am: 26.11.2014, 16:35
Titel: Probleme mit Integrator in Simulink
|
 |
Hallo,
ich bräuchte kurz eure Hilfe.
Ich habe in Simulink ein Modell eines zwei Massenschwinger erstellt, wobei ich jedoch nicht vorwärts, sondern von der gewünschten Verschiebung rückwärts auf die Anregung schließen möchte. Da dass System mit der Zeit die Parameter ändert habe ich mehrere Zeitbereiche in Reihe geschaltet.
Nun zum Problem: Im ersten Bereich funktioniert alles einwandfrei beim Übergang zum zweiten Bereich, habe ich die entsprechenden Endwerte der Geschwindigkeit und Verschiebung des 1 Bereichs als Übergangsbedingungen definiert. Trotzdem ist der erste Wert des Integrators 0 auch im zweiten Bereich 0.
Ich vermute, dass es daran liegt, dass Simulink zum Integrieren zwei Werte benötigt uns somit der 1 Wert immer Null ist.
Gibt es in Simulink nun irgend eine Möglichkeit den 1. Wert der Integration weg zu lassen?
Besten Dank für eure Hilfe.
Viele Grüße,
Johannes
|
|
|
|
|
|
| Harald |

Forum-Meister
|
 |
Beiträge: 24.502
|
 |
|
 |
Anmeldedatum: 26.03.09
|
 |
|
 |
Wohnort: Nähe München
|
 |
|
 |
Version: ab 2017b
|
 |
|
|
 |
|
Verfasst am: 26.11.2014, 17:47
Titel:
|
 |
Hallo,
man braucht immer einen Anfangswert.
Du kannst den Anfangswert aber per Doppelklick auf den Block auf einen anderen Wert setzen.
Grüße,
Harald
|
|
|
|
| Han400 |
Gast
|
 |
Beiträge: ---
|
 |
|
 |
Anmeldedatum: ---
|
 |
|
 |
Wohnort: ---
|
 |
|
 |
Version: ---
|
 |
|
|
 |
|
Verfasst am: 27.11.2014, 09:52
Titel:
|
 |
Hallo Harald,
dank dir, ja diesen Wert habe ich ja mit dem Endwert des ersten Bereiches definiert, dennoch ist der erste integrierte Wert 0...
Gruß, Johannes
|
|
|
|
| Harald |

Forum-Meister
|
 |
Beiträge: 24.502
|
 |
|
 |
Anmeldedatum: 26.03.09
|
 |
|
 |
Wohnort: Nähe München
|
 |
|
 |
Version: ab 2017b
|
 |
|
|
 |
|
Verfasst am: 27.11.2014, 10:38
Titel:
|
 |
Hallo,
dieser Wert muss wirklich in dem Integratorblock eingetragen werden.
Kannst du ein Modell anhängen, in dem das Problem auftritt?
Grüße,
Harald
|
|
|
|
| Han400 |
Gast
|
 |
Beiträge: ---
|
 |
|
 |
Anmeldedatum: ---
|
 |
|
 |
Wohnort: ---
|
 |
|
 |
Version: ---
|
 |
|
|
 |
|
Verfasst am: 27.11.2014, 11:18
Titel:
|
 |
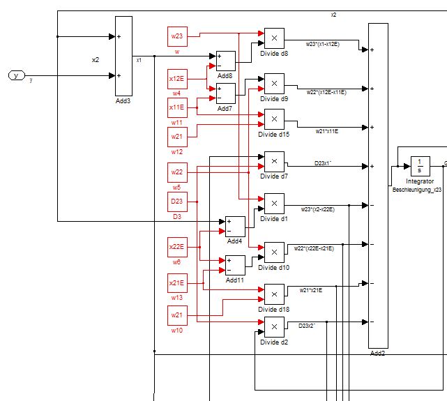
Hallo Harald,
anbei zwei Screenshots.
Die Übergangsbedingung hab ich direkt im Integrator Block eingegeben...
Liegt es an der Schleife?
Besten Dank und Gruß,
Johannes
| Beschreibung: |
|
 Download |
| Dateiname: |
Unbenannt1.JPG |
| Dateigröße: |
60.01 KB |
| Heruntergeladen: |
777 mal |
| Beschreibung: |
|
 Download |
| Dateiname: |
Unbenannt.JPG |
| Dateigröße: |
54.42 KB |
| Heruntergeladen: |
758 mal |
|
|
|
|
| Han400 |
Gast
|
 |
Beiträge: ---
|
 |
|
 |
Anmeldedatum: ---
|
 |
|
 |
Wohnort: ---
|
 |
|
 |
Version: ---
|
 |
|
|
 |
|
Verfasst am: 27.11.2014, 16:39
Titel:
|
 |
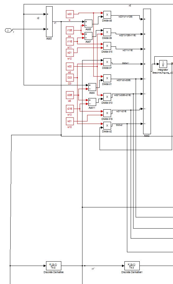
Hallo,
ich korrigiere teilweise meine Aussagen, ich denke es ist eher auf den Ableitungsblock zurück zuführen. Verwende ich einen Discrete Derivative Block, bekomme ich mit der Übergabe der Werte des II Bereichs ne Verbesserung. Die genaue Anpassung ist eine Spielerei. Problem denke ich liegt eindeutig an der Vorgabe der Verschiebung, würde ich die Beschleunigung vorgeben, hätte ich die Probleme nicht...
Besten Dank und Grüße,
Johannes
| Beschreibung: |
|
 Download |
| Dateiname: |
Unbenannt2.JPG |
| Dateigröße: |
60.03 KB |
| Heruntergeladen: |
793 mal |
|
|
|
|
| Harald |

Forum-Meister
|
 |
Beiträge: 24.502
|
 |
|
 |
Anmeldedatum: 26.03.09
|
 |
|
 |
Wohnort: Nähe München
|
 |
|
 |
Version: ab 2017b
|
 |
|
|
 |
|
Verfasst am: 27.11.2014, 20:30
Titel:
|
 |
Hallo,
ich würde Ableitungen vermeiden, weil sie numerisch instabil sind.
Mit dem Screenshot kann ich nichts anfangen, es müsste schon ein ausführbares Modell sein.
Grüße,
Harald
|
|
|
|
|
|
|
Einstellungen und Berechtigungen
|
|
Du kannst Beiträge in dieses Forum schreiben. Du kannst auf Beiträge in diesem Forum antworten. Du kannst deine Beiträge in diesem Forum nicht bearbeiten. Du kannst deine Beiträge in diesem Forum nicht löschen. Du kannst an Umfragen in diesem Forum nicht mitmachen. Du kannst Dateien in diesem Forum posten Du kannst Dateien in diesem Forum herunterladen
|
|
Impressum
| Nutzungsbedingungen
| Datenschutz
| FAQ
| RSS
Hosted by:
Copyright © 2007 - 2026
goMatlab.de | Dies ist keine offizielle Website der Firma The Mathworks
MATLAB, Simulink, Stateflow, Handle Graphics, Real-Time Workshop, SimBiology, SimHydraulics, SimEvents, and xPC TargetBox are registered trademarks and The MathWorks, the L-shaped membrane logo, and Embedded MATLAB are trademarks of The MathWorks, Inc.
|
|