|
|
| Premuteus |

Forum-Newbie
|
 |
Beiträge: 4
|
 |
|
 |
Anmeldedatum: 06.04.09
|
 |
|
 |
Wohnort: ---
|
 |
|
 |
Version: ---
|
 |
|
|
 |
|
Verfasst am: 06.04.2009, 12:38
Titel: Pulsweitenmodulation
|
 |
Hallo!
Ich hoffe mir kann wer helfen!
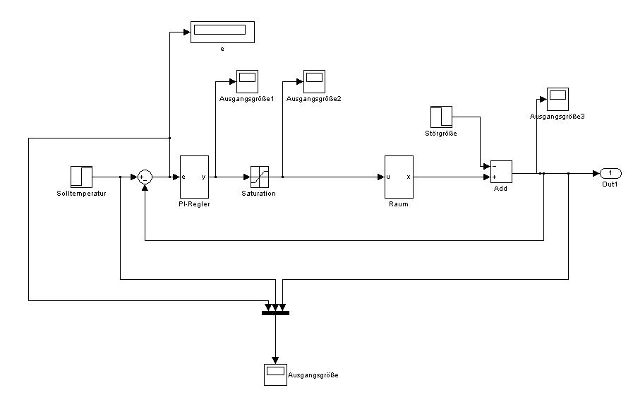
Ich möchte eine Heizungsregelung mit pulsweitenmodulierten 2 punktventilen entwerfen. sprich ich habe eine PI Glied das auf einen Stellwert von 0 - 100% begrenzt wird. dieser Stellwert soll nun " pulsweitenmoduliert " ausgegeben werden bzw. auf meinen raum (PT2 Glied). d.h. habe ich eine Pulsweite von 10 min und einen Stellwert von 50 % somit so der heizkörper 5 min an und 5 min aus sein. nach 10 min soll der stellwert wieder abgefragt werden. ist er jetzt bei 20 % soll der heizkörper 2 min an und 8 min aus sein.
Ich weiß nicht wie ich das realisieren kann!nen mfile oder so schreiben habe ich keine ahnung von! einen fertigen baustein habe ich auch noch nicht gefunden bzw. es noch nicht geschafft mir selber einen zu basteln.
Mfg Premuteus
| Beschreibung: |
|
 Download |
| Dateiname: |
Unbenannt.JPG |
| Dateigröße: |
27.74 KB |
| Heruntergeladen: |
1011 mal |
|
|
|
|
|
|
|
|
|
Einstellungen und Berechtigungen
|
|
Du kannst Beiträge in dieses Forum schreiben. Du kannst auf Beiträge in diesem Forum antworten. Du kannst deine Beiträge in diesem Forum nicht bearbeiten. Du kannst deine Beiträge in diesem Forum nicht löschen. Du kannst an Umfragen in diesem Forum nicht mitmachen. Du kannst Dateien in diesem Forum posten Du kannst Dateien in diesem Forum herunterladen
|
|
Impressum
| Nutzungsbedingungen
| Datenschutz
| FAQ
| RSS
Hosted by:
Copyright © 2007 - 2026
goMatlab.de | Dies ist keine offizielle Website der Firma The Mathworks
MATLAB, Simulink, Stateflow, Handle Graphics, Real-Time Workshop, SimBiology, SimHydraulics, SimEvents, and xPC TargetBox are registered trademarks and The MathWorks, the L-shaped membrane logo, and Embedded MATLAB are trademarks of The MathWorks, Inc.
|
|