|
|
|
Regelung der kritische Drehzahlen eines Zahnradgetriebe |
|
| h.barbri |

Forum-Newbie
|
 |
Beiträge: 1
|
 |
|
 |
Anmeldedatum: 24.09.19
|
 |
|
 |
Wohnort: ---
|
 |
|
 |
Version: ---
|
 |
|
|
 |
|
Verfasst am: 24.09.2019, 09:59
Titel: Regelung der kritische Drehzahlen eines Zahnradgetriebe
|
 |
Hallo Zusammen, ich hoffe es kann mir jemanden helfen.
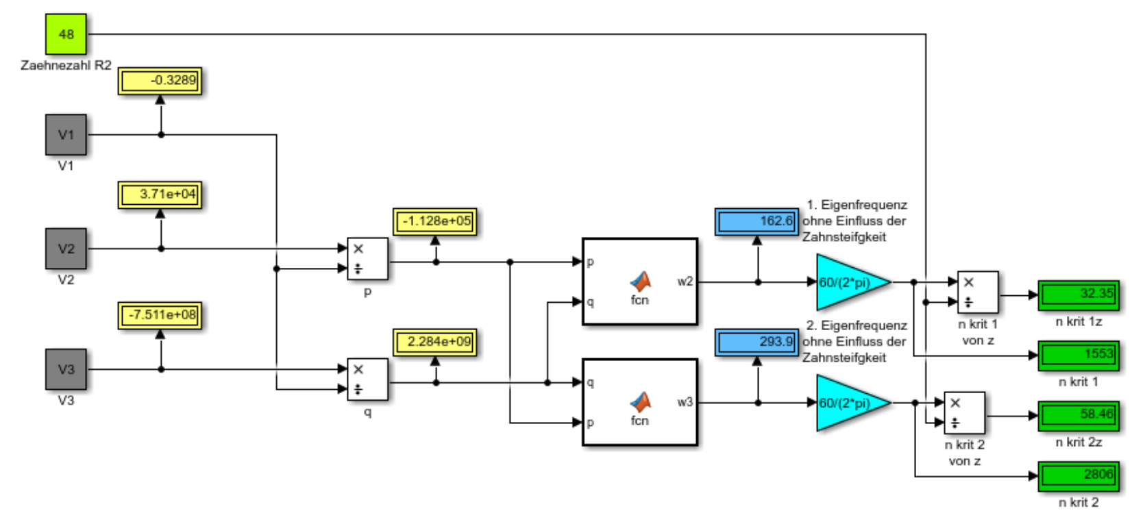
ich mache gerade ein Belegarbeit über die Ermittlung von kritischen Drehzahlen eines Zahradgetriebe. Diese muss über Simulink gemacht werden. ich habe gerade die kritischen Drehzahlen und die eigenfrequenzen ermittelt. Der Prof will aber noch, dass ich ein Drehzahlreglung einbaue, die die Drehzahl immer weit oberhalb bzw. unterhalb der kritischen Drehzahlen hält. Für die einstufige Zahnradgetriebe mit berücksichtigung der Zahnsteifigkeit wurden 4 kritischen Drehzahlen ermittelt (siehe Abbildung). Ich habe ehrlich gesagt keine Ahnung wovon ich da anfangen soll und welche Regler ich da einsetzen muss.
Für eure Hilfe bedanke ich mich sehr
| Beschreibung: |
|
 Download |
| Dateiname: |
Unbenannt.PNG |
| Dateigröße: |
165.1 KB |
| Heruntergeladen: |
898 mal |
|
|
|
|
|
|
|
|
|
Einstellungen und Berechtigungen
|
|
Du kannst Beiträge in dieses Forum schreiben. Du kannst auf Beiträge in diesem Forum antworten. Du kannst deine Beiträge in diesem Forum nicht bearbeiten. Du kannst deine Beiträge in diesem Forum nicht löschen. Du kannst an Umfragen in diesem Forum nicht mitmachen. Du kannst Dateien in diesem Forum posten Du kannst Dateien in diesem Forum herunterladen
|
|
Impressum
| Nutzungsbedingungen
| Datenschutz
| FAQ
| RSS
Hosted by:
Copyright © 2007 - 2026
goMatlab.de | Dies ist keine offizielle Website der Firma The Mathworks
MATLAB, Simulink, Stateflow, Handle Graphics, Real-Time Workshop, SimBiology, SimHydraulics, SimEvents, and xPC TargetBox are registered trademarks and The MathWorks, the L-shaped membrane logo, and Embedded MATLAB are trademarks of The MathWorks, Inc.
|
|