|
|
|
Schon der Start scheitert |
|
| Der_Simulant |

Forum-Anfänger
|
 |
Beiträge: 18
|
 |
|
 |
Anmeldedatum: 05.05.22
|
 |
|
 |
Wohnort: ---
|
 |
|
 |
Version: R2022a
|
 |
|
|
 |
|
Verfasst am: 05.05.2022, 10:17
Titel: Schon der Start scheitert
|
 |
| |
 |
|
Hallo und guten Morgen,
wie der Titel es schon sagt, bekomme ich die CARNOT-Toolbox nicht in Matlab/Simulink integriert. Wie ich es verstehe und es auch in der Einführunge beschrieben ist, sollte das Blockset über die Libary erreichbar sein. Das klappt leider nicht. Wahrscheinlich liegt es an der Installation aber ich weiß gerade nicht mehr, was ich noch anders machen kann.
Ich beschreibe mal eben mein Vorgehen:
1. Habe die Toolbox unter Link https://fh-aachen.sciebo.de/index.php/s/0hxub0iIJrui3ED#editor geladen
2. Hab die zip-Datein unter C:\Users\XXX\Documents\MATLAB entpackt
3. In dem entpackten Ordner CARNOT_7.3 hab ich einen neuen Ordner (carnot_73_2022a(passend für version 7.3 und 2022a)) erstellt und die init_-Dateien aus diesem Ordner gestartet
4. Matlab öffnet sich. Über den den Befehlt carnot öffnet sich auch die CARNOT-Library
Nun ist es aber so, wenn ich zum Beispiel die 'Examples' öffnen möchte, kommt ein Error :
| Zitat: |
Error evaluating 'OpenFcn' callback of SubSystem block (mask) 'carnot/examples'. Callback string is 'CarnotCallbacks_LoadExcamples'
Unrecognized function or variable 'CarnotCallbacks_LoadExamples'. |
Das ist nur ein Beispiel. Auch wenn ich auf die Hilfe ('?'-Button) klicke, kommt eine Fehlermeldung.
Starte ich die excamples aus dem Verzeichnis C:\Users\XXX\Documents\MATLAB\CARNOT_7.3\public\tutorial\examples, öffnet sich das Modell und der Scope aber wird wegen eines Fehlers nicht ausgeführt.
Fehlermeldung:
| Zitat: |
Error evaluating 'InitFcn' callback of BusCreator block 'example_AddSolarPosition/Weather_Simple_Model/Radiation_on_Inclined_Surface/WDB_Creator/Bus Creator'.
Callback string is 'load WDB.mat'
Caused by: Unable to find file or directory 'WDB.mat'. |
Hat jemand eine Idee, wie ich die Verknüpfungen zustande bekomme? Oder muss ich vielleicht bei der Installation etwas anders machen?
Hier mal die Punkte aus dem CARNOT_Installation_Guide.txt:
| Zitat: |
1. Download the Carnot zip file.
2. Extract the contents of the zip file to [Path_to_Carnot], where
[Path_to_Carnot] can be any directory.
3. Run the file "init_carnot.m" from the [Path_to_Carnot]\carnot_71_2018b
folder to automatically add folders to the Matlab path.
If you prefer to add Carnot permanently to the path, run the file “init_carnot_savepath.m”.
OR Manually add the following folders to the Matlab path:
(Menu "File" -> "Set Path", Save when finished)
[Path_to_Carnot]\carnot_71_2018b\internal\bin
[Path_to_Carnot]\carnot_71_2018b\public\bin
[Path_to_Carnot]\carnot_71_2018b\internal
[Path_to_Carnot]\carnot_71_2018b
[Path_to_Carnot]\carnot_71_2018b\internal\src_m
[Path_to_Carnot]\carnot_71_2018b\public\src_m
[Path_to_Carnot]\carnot_71_2018b\internal\data
[Path_to_Carnot]\carnot_71_2018b\public\data
[Path_to_Carnot]\carnot_71_2018b\internal\src
[Path_to_Carnot]\carnot_71_2018b\public\src
and click "Update Toolbox Path Cache" from Menu "File" -> "Preferences" -> "General"
OR type "rehash toolboxcache;" in the command window
4. Carnot is installed and ready to run
type "carnot" in the command window to open it.
5. Type "helpcarnot" to access the CARNOT documentation.
Further information can be found in the subfolders of carnot_71_2018b\public\tutorial\
NOTE : The included S-functions have been compiled with MinGW64 compiler installed in Matlab R2016b. If you change something in the C-file or expand the library with an other compiler problems may arise.
|
Danke für eure Hilfe
|
|
|
|
|
|
| askep |

Forum-Anfänger
|
 |
Beiträge: 25
|
 |
|
 |
Anmeldedatum: 04.06.19
|
 |
|
 |
Wohnort: ---
|
 |
|
 |
Version: ---
|
 |
|
|
 |
|
Verfasst am: 05.05.2022, 13:50
Titel:
|
 |
Ich habe grad mal denDownload getestet. Die Version funktioniert bei mir genauso wie die aus github (R2021a).
Das einzige was mir einfällt ist dieser part, wenn ich es richtig verstanden habe:
| Zitat: |
| 3. In dem entpackten Ordner CARNOT_7.3 hab ich einen neuen Ordner (carnot_73_2022a(passend für version 7.3 und 2022a)) erstellt und die init_-Dateien aus diesem Ordner gestartet |
Hast du im Carnot Ordner einen Unterordner erstellt ?
Eigentlich sollte man den ursprünglichen Ordner so belassen. Man kann den natürlich vorher woanders hinkopieren und/oder umbenennen, bevor man "init_carnot.m" startet. An der Struktur sollten keine Änderungen vorgenommen werden.
1. zip entpacken
2. gegebenenfalls Ordnername ändern
3. Ordner an gewünschten Ort kopieren
4. In Matlab in diesen Ordner wechseln und "init_canot.m" im command window aufrufen
|
|
|
|
| Der_Simulant |
Themenstarter

Forum-Anfänger
|
 |
Beiträge: 18
|
 |
|
 |
Anmeldedatum: 05.05.22
|
 |
|
 |
Wohnort: ---
|
 |
|
 |
Version: R2022a
|
 |
|
|
 |
|
Verfasst am: 05.05.2022, 14:04
Titel:
|
 |
Danke für deine Antwort askep,
ich habe es jetzt nochmal so probiert, wie du es gesagt hast und leider ist es dabei geblieben. Ich habe den Ordner im CARNOT-Ordner gelöscht und die init-Datei mit Matlab geöffnet. Wie gesagt, leider alles beim alten.
Ich schau nochmal bei github, vielleicht findet sich dort etwas nützliches.
Danke
|
|
|
|
| jgoettsche |

Forum-Newbie
|
 |
Beiträge: 5
|
 |
|
 |
Anmeldedatum: 19.05.22
|
 |
|
 |
Wohnort: ---
|
 |
|
 |
Version: ---
|
 |
|
|
 |
|
Verfasst am: 19.05.2022, 10:09
Titel: Bitte Pfade prüfen
|
 |
Hallo Simulator,
die Fehlermeldungen sehen nach einem nicht richtig gesetzten Pfad aus. Bitte prüfe unter Set Path, ob die CARNOT-Verzeichnisse auch aufgeführt werden (siehe Bild im Anhang).
Dann muss alles gut funktionieren.
Beste Grüße,
Joachim
| Beschreibung: |
|
 Download |
| Dateiname: |
Matlab_Pfad_CARNOT.png |
| Dateigröße: |
92.16 KB |
| Heruntergeladen: |
783 mal |
|
|
|
|
| Der_Simulant |
Themenstarter

Forum-Anfänger
|
 |
Beiträge: 18
|
 |
|
 |
Anmeldedatum: 05.05.22
|
 |
|
 |
Wohnort: ---
|
 |
|
 |
Version: R2022a
|
 |
|
|
 |
|
Verfasst am: 19.05.2022, 12:34
Titel:
|
 |
Hallo Joachim und danke für deine Antwort.
Genau das war das Problem. Hatte anfänglich nicht gefunden, wo ich das einstellen kann.
Es ging auch mit Rechstlick auf den CARNOT-Ordner und dann unter "Add to Path", "Selected Folders and Subfolders" gewählt.
Viele Grüße
|
|
|
|
| Rapha |

Forum-Anfänger
|
 |
Beiträge: 11
|
 |
|
 |
Anmeldedatum: 26.07.22
|
 |
|
 |
Wohnort: ---
|
 |
|
 |
Version: ---
|
 |
|
|
 |
|
Verfasst am: 26.07.2022, 15:20
Titel: Fehler beim Einlesen der init_carnot_savepath
|
 |
| |
 |
|
Hallo,
leider habe ich auch ein Problem beim Start des Init Codes. Woran kann das liegen? Hat sich hier auch ein Fehler beim Pfad eingeschlichen?
>> init_carnot_savepath
#################################################
### Initializing CARNOT Toolbox ###
#################################################
Adding CARNOT paths...
... C:\Program Files\CARNOT\CARNOT\CARNOT_7.3\public\tutorial\doc
Warning: Name is nonexistent or not a directory: C:\Program Files\CARNOT\CARNOT\CARNOT_7.3\internal\tutorial\doc
> In path (line 109)
In addpath (line 86)
In path_carnot (line 95)
In init_carnot (line 15)
In init_carnot_savepath (line 57)
... C:\Program Files\CARNOT\CARNOT\CARNOT_7.3\internal\tutorial\doc
... C:\Program Files\CARNOT\CARNOT\CARNOT_7.3\public\src
Warning: Name is nonexistent or not a directory: C:\Program Files\CARNOT\CARNOT\CARNOT_7.3\internal\src
> In path (line 109)
In addpath (line 86)
In path_carnot (line 95)
In init_carnot (line 15)
In init_carnot_savepath (line 57)
... C:\Program Files\CARNOT\CARNOT\CARNOT_7.3\internal\src
... C:\Program Files\CARNOT\CARNOT\CARNOT_7.3\public\src_m
Warning: Name is nonexistent or not a directory: C:\Program Files\CARNOT\CARNOT\CARNOT_7.3\internal\src_m
> In path (line 109)
In addpath (line 86)
In path_carnot (line 95)
In init_carnot (line 15)
In init_carnot_savepath (line 57)
... C:\Program Files\CARNOT\CARNOT\CARNOT_7.3\internal\src_m
... C:\Program Files\CARNOT\CARNOT\CARNOT_7.3\public\data
Warning: Name is nonexistent or not a directory: C:\Program Files\CARNOT\CARNOT\CARNOT_7.3\internal\data
> In path (line 109)
In addpath (line 86)
In path_carnot (line 95)
In init_carnot (line 15)
In init_carnot_savepath (line 57)
... C:\Program Files\CARNOT\CARNOT\CARNOT_7.3\internal\data
... C:\Program Files\CARNOT\CARNOT\CARNOT_7.3\public\bin
Warning: Name is nonexistent or not a directory: C:\Program Files\CARNOT\CARNOT\CARNOT_7.3\internal\bin
> In path (line 109)
In addpath (line 86)
In path_carnot (line 95)
In init_carnot (line 15)
In init_carnot_savepath (line 57)
... C:\Program Files\CARNOT\CARNOT\CARNOT_7.3\internal\bin
... C:\Program Files\CARNOT\CARNOT\CARNOT_7.3
Warning: Name is nonexistent or not a directory: C:\Program Files\CARNOT\CARNOT\CARNOT_7.3\internal
> In path (line 109)
In addpath (line 86)
In path_carnot (line 95)
In init_carnot (line 15)
In init_carnot_savepath (line 57)
... C:\Program Files\CARNOT\CARNOT\CARNOT_7.3\internal
*done
#################################################
Type "helpcarnot" to access the CARNOT documentation.
See ...\<CARNOT>\public\tutorial\guidelines to check guidelines applicable to CARNOT.
#################################################
save path
update toolbox cache
>> set path
Error using set
Invalid handle
>>
| Beschreibung: |
|
 Download |
| Dateiname: |
Pfad.png |
| Dateigröße: |
56.37 KB |
| Heruntergeladen: |
732 mal |
|
|
|
|
| jgoettsche |

Forum-Newbie
|
 |
Beiträge: 5
|
 |
|
 |
Anmeldedatum: 19.05.22
|
 |
|
 |
Wohnort: ---
|
 |
|
 |
Version: ---
|
 |
|
|
 |
|
Verfasst am: 26.07.2022, 16:57
Titel:
|
 |
Hallo,
die Warnungen kann man ignorieren. Das "internal"-Verzeichnis ist offenbar leer oder existiert nicht. Eigentlich sieht der Pfad so OK aus. Gibt es denn Probleme bei der Nutzung der Toolbox?
|
|
|
|
| Rapha |

Forum-Anfänger
|
 |
Beiträge: 11
|
 |
|
 |
Anmeldedatum: 26.07.22
|
 |
|
 |
Wohnort: ---
|
 |
|
 |
Version: ---
|
 |
|
|
 |
|
Verfasst am: 27.07.2022, 12:16
Titel:
|
 |
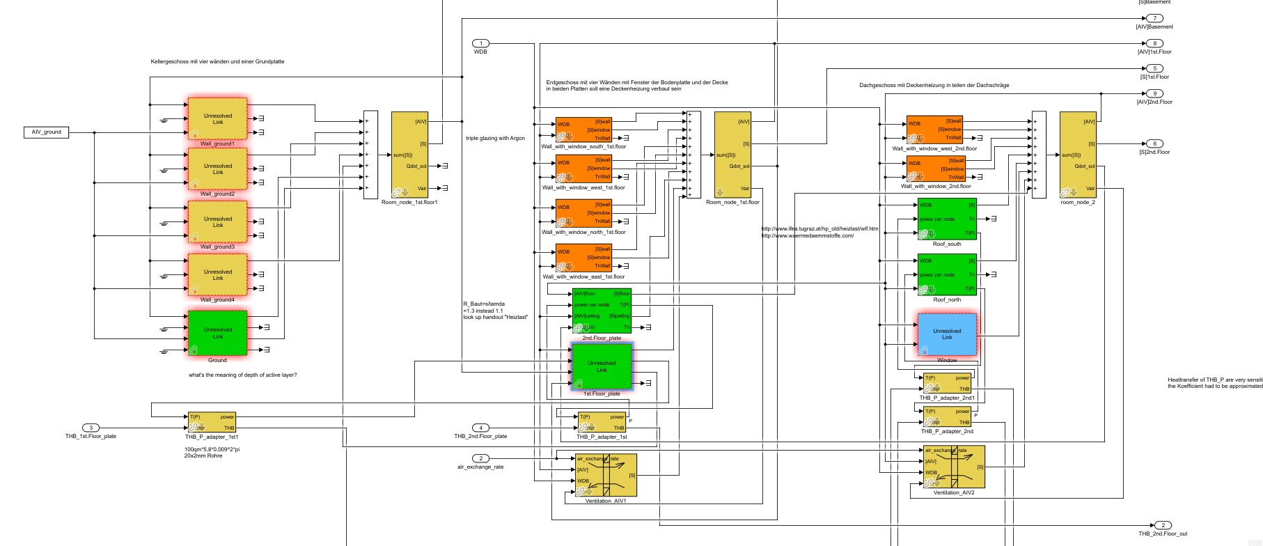
Hallo Herr Göttsche,
vielen Dank. Die Anwendung funktioniert soweit. Es scheint nur Probleme mit einigen Funktionen zu geben. Ich vermute aber eher, dass es an dem Update auf das neue MatLab R2022a liegt.
Einige Bausteine zeigen "Unresolved Link", bei anderen Bausteinen der selben Art ist das aber nicht zu sehen.
Haben Sie eine Ahnung woran das liegen kann?
| Beschreibung: |
|
 Download |
| Dateiname: |
Unresolved Link.png |
| Dateigröße: |
171.38 KB |
| Heruntergeladen: |
717 mal |
|
|
|
|
| jgoettsche |

Forum-Newbie
|
 |
Beiträge: 5
|
 |
|
 |
Anmeldedatum: 19.05.22
|
 |
|
 |
Wohnort: ---
|
 |
|
 |
Version: ---
|
 |
|
|
 |
|
Verfasst am: 28.07.2022, 11:04
Titel:
|
 |
|
Das sieht sehr nach einem unvollständigen CARNOT-Pfad in Matlab aus. Bitte prüfen.
|
|
|
|
| askep |

Forum-Anfänger
|
 |
Beiträge: 25
|
 |
|
 |
Anmeldedatum: 04.06.19
|
 |
|
 |
Wohnort: ---
|
 |
|
 |
Version: ---
|
 |
|
|
 |
|
Verfasst am: 28.07.2022, 11:44
Titel:
|
 |
| Rapha hat Folgendes geschrieben: |
Hallo Herr Göttsche,
vielen Dank. Die Anwendung funktioniert soweit. Es scheint nur Probleme mit einigen Funktionen zu geben. Ich vermute aber eher, dass es an dem Update auf das neue MatLab R2022a liegt.
Einige Bausteine zeigen "Unresolved Link", bei anderen Bausteinen der selben Art ist das aber nicht zu sehen.
Haben Sie eine Ahnung woran das liegen kann? |
Handelt es sich bei dem Modell um eines der Beispiele aus der Toolbox ?
In dem Fall bitte mal auf den Block mit "unresolved link" klicken und den eingetragenen Blockpfad hier ins Forum kopieren.
|
|
|
|
| Rapha |

Forum-Anfänger
|
 |
Beiträge: 11
|
 |
|
 |
Anmeldedatum: 26.07.22
|
 |
|
 |
Wohnort: ---
|
 |
|
 |
Version: ---
|
 |
|
|
 |
|
Verfasst am: 28.07.2022, 13:50
Titel:
|
 |
Hier der Link
carnot/Load/Houses/wall_floor/Wall_in
| Beschreibung: |
|
 Download |
| Dateiname: |
source.png |
| Dateigröße: |
29.77 KB |
| Heruntergeladen: |
727 mal |
|
|
|
|
| askep |

Forum-Anfänger
|
 |
Beiträge: 25
|
 |
|
 |
Anmeldedatum: 04.06.19
|
 |
|
 |
Wohnort: ---
|
 |
|
 |
Version: ---
|
 |
|
|
 |
|
Verfasst am: 28.07.2022, 14:59
Titel:
|
 |
Von der Struktur sieht dieses Beispiel nicht wie die aktuellen aus der Toolbox aus. Speziell weil wir üblicherweise alles in Englisch dokumentieren. Es dürfte sich also um ein Simulationsfile handeln das mit einer älteren Versoin der Toolbox erstellt wurde.
Hierzu folgendes:
Die Carnot Library wurde vor einiger Zeit umstrukturiert. Die fraglichen Blöcke sind zB. hierhin gewandert --> "carnot/Basic/Thermal_Models".
- Einfach den ersten Teil des Links: "carnot/Load/Houses/wall_floor/" durch den oben angegebenen Pfad "carnot/Basic/Thermal_Models/" ersetzen. Dann findet Matlab die Blöcke wieder.
- Alternativ kann man die Blöcke löschen und die aktuellen Blöcke aus dem "Simulink Explorer" verwenden (drag & drop). Dabei gehen aber natürlich die Parameter des Blocks verloren.
|
|
|
|
| Rapha |

Forum-Anfänger
|
 |
Beiträge: 11
|
 |
|
 |
Anmeldedatum: 26.07.22
|
 |
|
 |
Wohnort: ---
|
 |
|
 |
Version: ---
|
 |
|
|
 |
|
Verfasst am: 29.07.2022, 10:22
Titel:
|
 |
Hervorragend,
klappt alles
Vielen Dank!!!!
|
|
|
|
|
|
|
Einstellungen und Berechtigungen
|
|
Du kannst Beiträge in dieses Forum schreiben. Du kannst auf Beiträge in diesem Forum antworten. Du kannst deine Beiträge in diesem Forum nicht bearbeiten. Du kannst deine Beiträge in diesem Forum nicht löschen. Du kannst an Umfragen in diesem Forum nicht mitmachen. Du kannst Dateien in diesem Forum posten Du kannst Dateien in diesem Forum herunterladen
|
|
Impressum
| Nutzungsbedingungen
| Datenschutz
| FAQ
| RSS
Hosted by:
Copyright © 2007 - 2026
goMatlab.de | Dies ist keine offizielle Website der Firma The Mathworks
MATLAB, Simulink, Stateflow, Handle Graphics, Real-Time Workshop, SimBiology, SimHydraulics, SimEvents, and xPC TargetBox are registered trademarks and The MathWorks, the L-shaped membrane logo, and Embedded MATLAB are trademarks of The MathWorks, Inc.
|
|