|
|
|
Simulink erzeugt falsches Ergebnis |
|
| Gruber |

Forum-Newbie
|
 |
Beiträge: 2
|
 |
|
 |
Anmeldedatum: 19.02.13
|
 |
|
 |
Wohnort: ---
|
 |
|
 |
Version: ---
|
 |
|
|
 |
|
Verfasst am: 19.02.2013, 12:34
Titel: Simulink erzeugt falsches Ergebnis
|
 |
Hallo Leute,
ich habe ein größeres Simulink-Modell, bei dem die Simulation zeitweise ein falsches Ergebnis liefert, weil ein Additionsblock nicht mehr richtig funktioniert (Ausgabe = 0, obwohl an den Eingängen Signale anliegen). Es erscheint weder ein Fehler noch eine Meldung.
Simulink Version R2009b
Sicherlich liegt es nicht am Additionsblock, sondern wahrscheinlich läuft der Stack oder etwas ähnliches über.
Hat jemand eine Lösung für das Problem oder ähnliches schon einmal beobachtet? Die Verzweiflung ist groß!
Vielen Dank im Voraus...
Dominik
|
|
|
|
|
|
| Harald |

Forum-Meister
|
 |
Beiträge: 24.502
|
 |
|
 |
Anmeldedatum: 26.03.09
|
 |
|
 |
Wohnort: Nähe München
|
 |
|
 |
Version: ab 2017b
|
 |
|
|
 |
|
Verfasst am: 19.02.2013, 12:37
Titel:
|
 |
Hallo,
kannst du ein Beispiel posten, so dass man das reproduzieren kann?
Ich selbst habe so etwas noch nie gesehen und nutze Simulink doch schon ein paar Jährchen.
Grüße,
Harald
|
|
|
|
| Andreas Goser |

Forum-Meister
|
 |
Beiträge: 3.654
|
 |
|
 |
Anmeldedatum: 04.12.08
|
 |
|
 |
Wohnort: Ismaning
|
 |
|
 |
Version: 1.0
|
 |
|
|
 |
|
Verfasst am: 19.02.2013, 13:00
Titel:
|
 |
Dies sollte, kann und muss der Technische Support lösen.
Andreas
|
|
|
|
| Gruber |
Themenstarter

Forum-Newbie
|
 |
Beiträge: 2
|
 |
|
 |
Anmeldedatum: 19.02.13
|
 |
|
 |
Wohnort: ---
|
 |
|
 |
Version: ---
|
 |
|
|
 |
|
Verfasst am: 20.02.2013, 11:11
Titel: Simulink erzeugt falsches Ergebnis
|
 |
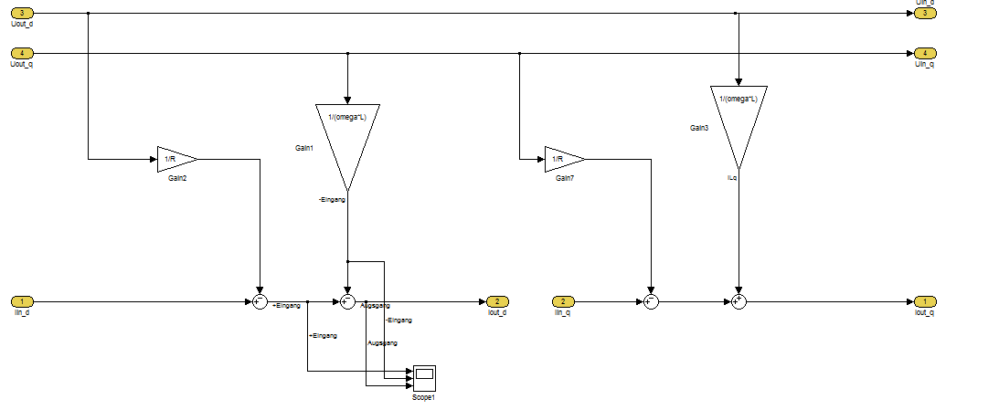
So...ich hab mal zwei Bilder angehängt, die das Problem beschreiben. Das eine ist das Submodel, bei dem das Problem auftritt und die Datei "Plot.png" beschreibt die Ausgabe des Summationsblocks (siehe Scope "Submodel.png")...
Vielleicht weiß doch jemand bescheid, ohne dass ich den Support kontaktieren muss.
Viele Grüße
Dominik
| Beschreibung: |
| Ausgabe des Summationsblocks |
|
 Download |
| Dateiname: |
Plot.png |
| Dateigröße: |
2.99 MB |
| Heruntergeladen: |
2001 mal |
| Beschreibung: |
| Modell, bei dem der Summationsblock versagt |
|
 Download |
| Dateiname: |
Submodel.png |
| Dateigröße: |
1.4 MB |
| Heruntergeladen: |
2083 mal |
|
|
|
|
| Jan S |

Moderator
|
 |
Beiträge: 11.057
|
 |
|
 |
Anmeldedatum: 08.07.10
|
 |
|
 |
Wohnort: Heidelberg
|
 |
|
 |
Version: 2009a, 2016b
|
 |
|
|
 |
|
Verfasst am: 20.02.2013, 13:53
Titel: Re: Simulink erzeugt falsches Ergebnis
|
 |
Hallo Gruber,
Du hast den Support bereits kontaktiert. Ich würde auch empfehlen, das Model direkt dorthin zu senden, z.B. and Andreas Goser selbst.
Gruß, Jan
|
|
|
|
| Andreas Goser |

Forum-Meister
|
 |
Beiträge: 3.654
|
 |
|
 |
Anmeldedatum: 04.12.08
|
 |
|
 |
Wohnort: Ismaning
|
 |
|
 |
Version: 1.0
|
 |
|
|
 |
|
Verfasst am: 20.02.2013, 14:47
Titel:
|
 |
Es hört sich an als wäre den Support kontaktieren so dramatisch wie ne Steuererklärung
Was ich den Screenshots entnehmen kann ist, dass ich mich an der Stelle des Nutzers auch wundern würde. Wenn ich jetzt das Modell hätte würde ich ungewöhnliche Einstellungen bei Datentypen oder Solvern prüfen und die Settings im Sum Block selber. Sollte das alles normal aussehen, allerlei Experimente anstellen, die auf kaum schreibbarem Erfahrungswissen beruhen.
Andreas
|
|
|
|
|
|
|
Einstellungen und Berechtigungen
|
|
Du kannst Beiträge in dieses Forum schreiben. Du kannst auf Beiträge in diesem Forum antworten. Du kannst deine Beiträge in diesem Forum nicht bearbeiten. Du kannst deine Beiträge in diesem Forum nicht löschen. Du kannst an Umfragen in diesem Forum nicht mitmachen. Du kannst Dateien in diesem Forum posten Du kannst Dateien in diesem Forum herunterladen
|
|
Impressum
| Nutzungsbedingungen
| Datenschutz
| FAQ
| RSS
Hosted by:
Copyright © 2007 - 2026
goMatlab.de | Dies ist keine offizielle Website der Firma The Mathworks
MATLAB, Simulink, Stateflow, Handle Graphics, Real-Time Workshop, SimBiology, SimHydraulics, SimEvents, and xPC TargetBox are registered trademarks and The MathWorks, the L-shaped membrane logo, and Embedded MATLAB are trademarks of The MathWorks, Inc.
|
|