|
|
|
Simulink-Modell für mechanisches System mit 2 Freiheitsgrad |
|
| Markus1308 |

Forum-Anfänger
|
 |
Beiträge: 20
|
 |
|
 |
Anmeldedatum: 22.05.16
|
 |
|
 |
Wohnort: ---
|
 |
|
 |
Version: ---
|
 |
|
|
 |
|
Verfasst am: 24.05.2016, 11:11
Titel: Simulink-Modell für mechanisches System mit 2 Freiheitsgrad
|
 |
Hallo zusammen,
ich möchte ein System aus der Mechanik mittels Simulink-Modell darstellen.
Ich habe hierbei 2.Differentialgleichungen 2.Ordnung mit zwei Ausgangsgrößen (meine Freiheitsgrade) und einer Eingangsgröße, die das System anregt.
Nun möchte ich dieses System mittels Simulink-Modell darstellen und quasi alle Ein-und Ausgänge entsprechend darstellen und abgreifen (Ich möchte mit all diesen Größen eine weitere Größen bestimmen)
Zuerst dachte ich an eine Übertragungsfunktion im Bildbereich. Leider weiß ich nicht, wie ich hierbei vorgehen muss, wenn ich 3 Größen in einer DGL habe.
Dann dachte ich eine Zustandsdarstellung, bin mir aber nicht sicher, wie ich dabei die benötigten Größen abgreifen kann.
Hat jemand eine grundlegende Idee, wie ich dabei vorgehen kann?
Bei Bedarf kann ich auch Materialien zu meinem System liefern.
|
|
|
|
|
|
| AKNOT |

Forum-Century
|
 |
Beiträge: 129
|
 |
|
 |
Anmeldedatum: 12.10.11
|
 |
|
 |
Wohnort: Bochum
|
 |
|
 |
Version: R2018a
|
 |
|
|
 |
|
Verfasst am: 24.05.2016, 12:02
Titel:
|
 |
Hi,
das einfachste wird sein einfach die DGLs nachzubauen mit Simulink-Blöcken. Dann hast du den einfachsten Zugriff auf alle Werte und Zwischenwerte und bleibst auch gleich im Zeitbereich.
- DGL nach der höchsten Ableitung umstellen
- für jede Ableitung einen Integrator setzen
- Gleichung einfach straight forward nachbauen
Gruß
|
|
|
|
| Markus1308 |
Themenstarter

Forum-Anfänger
|
 |
Beiträge: 20
|
 |
|
 |
Anmeldedatum: 22.05.16
|
 |
|
 |
Wohnort: ---
|
 |
|
 |
Version: ---
|
 |
|
|
 |
|
Verfasst am: 24.05.2016, 19:25
Titel:
|
 |
hey, danke, daran habe ich auch schon gedacht. Ich bin mir nicht so ganz sicher, ob das so klappt. Ich setze mal ein Bild in den Anhang, das eine der beiden DGL symbolisch darstellt. Könnte das so gehen?
Das N ist eine Normalkraft, die in meinem System auftaucht und ich betrachten möchte in Abhängigkeit der anderen Größen.
| Beschreibung: |
|
 Download |
| Dateiname: |
thumb_IMG_2078_1024.jpg |
| Dateigröße: |
258.94 KB |
| Heruntergeladen: |
711 mal |
|
|
|
|
| AKNOT |

Forum-Century
|
 |
Beiträge: 129
|
 |
|
 |
Anmeldedatum: 12.10.11
|
 |
|
 |
Wohnort: Bochum
|
 |
|
 |
Version: R2018a
|
 |
|
|
 |
|
Verfasst am: 24.05.2016, 19:53
Titel:
|
 |
Hi,
hm, so wird es noch nicht klappen, da die "Schleife" noch nicht geschlossen ist. Also schließ die Kreise noch.
Zeig mal deine Gleichungen wie du sie stehen hast.
|
|
|
|
| Markus1308 |
Themenstarter

Forum-Anfänger
|
 |
Beiträge: 20
|
 |
|
 |
Anmeldedatum: 22.05.16
|
 |
|
 |
Wohnort: ---
|
 |
|
 |
Version: ---
|
 |
|
|
 |
|
Verfasst am: 24.05.2016, 21:13
Titel:
|
 |
Hier die beiden DGL. In beiden taucht die Größe N auf (Normalkraft), die ich bestimmen möchte An sich bin ich der Meinung, dass eine DGL reicht.
Die Buchstaben vor den großen sind bis auf m und Jsp zusammengefasste Größen wie Dämpfungen und Steifigkeiten.
| Beschreibung: |
|
 Download |
| Dateiname: |
thumb_IMG_2080_1024.jpg |
| Dateigröße: |
268.7 KB |
| Heruntergeladen: |
681 mal |
|
|
|
|
| AKNOT |

Forum-Century
|
 |
Beiträge: 129
|
 |
|
 |
Anmeldedatum: 12.10.11
|
 |
|
 |
Wohnort: Bochum
|
 |
|
 |
Version: R2018a
|
 |
|
|
 |
|
Verfasst am: 24.05.2016, 22:03
Titel:
|
 |
Hast du noch eine dritte Gleichung? Sind ja drei abgeleitete Größen. Bin mir gerade nicht sicher, ob man das so lösen kann, ohne eine algebraische Schleife zu konstruieren. Vor allem, wenn du als Ergebnis ja auch noch N haben willst. Ist das nicht konstant?
Kann sein, dass ich gerade was übersehe, ist schon spät^^
|
|
|
|
| Markus1308 |
Themenstarter

Forum-Anfänger
|
 |
Beiträge: 20
|
 |
|
 |
Anmeldedatum: 22.05.16
|
 |
|
 |
Wohnort: ---
|
 |
|
 |
Version: ---
|
 |
|
|
 |
|
Verfasst am: 24.05.2016, 22:11
Titel:
|
 |
Nein, ich habe nur diese beiden Gleichungen. In meiner ersten Betrachtung habe ich die Normalkraft auch weggelassen, um sozusagen zu betrachten, wie das System ohne schwingt.
Ich denke ich werde morgen mal meinen Professor aufsuchen...
|
|
|
|
| Markus1308 |
Themenstarter

Forum-Anfänger
|
 |
Beiträge: 20
|
 |
|
 |
Anmeldedatum: 22.05.16
|
 |
|
 |
Wohnort: ---
|
 |
|
 |
Version: ---
|
 |
|
|
 |
|
Verfasst am: 25.05.2016, 15:44
Titel:
|
 |
Ich habe nun eine Schleife für einen 1-Massenschwinger mit einem Freiheitsgrad.
Wie kann ich nun daraus eine Kombination für 2 Freiheitsgrade machen, quasi einem 2-Massenschwinger mit je einem Freiheitsgrad?
Kann ich hierzu irgendwie die Schleifen verbinden?
| Beschreibung: |
|
 Download |
| Dateiname: |
Bildschirmfoto 2016-05-25 um 14.47.34.png |
| Dateigröße: |
63.56 KB |
| Heruntergeladen: |
623 mal |
|
|
|
|
| AKNOT |

Forum-Century
|
 |
Beiträge: 129
|
 |
|
 |
Anmeldedatum: 12.10.11
|
 |
|
 |
Wohnort: Bochum
|
 |
|
 |
Version: R2018a
|
 |
|
|
 |
|
Verfasst am: 25.05.2016, 15:49
Titel:
|
 |
|
Wenn die zwei Massenschwinger gekoppelt sind, müsste sich das ja in den DGLs dazu niederschlagen. Sie müssten sich also Größen teilen und das würdest dann in Simulink genau so bauen.
|
|
|
|
| Markus1308 |
Themenstarter

Forum-Anfänger
|
 |
Beiträge: 20
|
 |
|
 |
Anmeldedatum: 22.05.16
|
 |
|
 |
Wohnort: ---
|
 |
|
 |
Version: ---
|
 |
|
|
 |
|
Verfasst am: 25.05.2016, 16:01
Titel:
|
 |
|
Eine Koppelung der beiden Freiheitsgrade liegt vor. Ich verstehe aber trotzdem nicht, wie ich das mit einer solchen Schleifen aufbauen kann. Für einen Freiheitsgrad und eine Masse ist das verständlich, weil quasi jede Größe in der Schleife integriert und dann wieder aufsummiert wird. Wie soll ich nun aber in diese Schleife eine andere Größe, wie z.B. phi, einbauen? Die kann ich ja nicht einfach in die Integrationskette einbinden.
|
|
|
|
| AKNOT |

Forum-Century
|
 |
Beiträge: 129
|
 |
|
 |
Anmeldedatum: 12.10.11
|
 |
|
 |
Wohnort: Bochum
|
 |
|
 |
Version: R2018a
|
 |
|
|
 |
|
Verfasst am: 25.05.2016, 18:07
Titel:
|
 |
Du baust ja mit den Blöcken einfach nur deine Gleichungen nach, wie sie auf deinem Blatt vor dir stehen. Durch das Umstellen nach der höchsten Ableitung kannst du Integratoren verwenden anstatt ableiten zu müssen
Wenn du jetzt zwei gekoppelte Massen hast, müssen die ja entsprechend irgendwie in den Gleichungen miteinander verbunden sein. Eine Größe aus der einen fließt in die andere ein oder wie auch immer. Und so musst du das dann auch in Simulink aufbauen.
|
|
|
|
| Markus1308 |
Themenstarter

Forum-Anfänger
|
 |
Beiträge: 20
|
 |
|
 |
Anmeldedatum: 22.05.16
|
 |
|
 |
Wohnort: ---
|
 |
|
 |
Version: ---
|
 |
|
|
 |
|
Verfasst am: 26.05.2016, 21:40
Titel:
|
 |
hm, ok, das macht schon Sinn. Ich versuch mal das Ganze durchzudenken.
Bisher bin ich bei dem Gedankengang immer auf nen Punkt gestoßen, der für mich dann keinen Sinn machte... Aber ich werde es nochmal versuchen.
|
|
|
|
| Markus1308 |
Themenstarter

Forum-Anfänger
|
 |
Beiträge: 20
|
 |
|
 |
Anmeldedatum: 22.05.16
|
 |
|
 |
Wohnort: ---
|
 |
|
 |
Version: ---
|
 |
|
|
 |
|
Verfasst am: 27.05.2016, 17:37
Titel:
|
 |
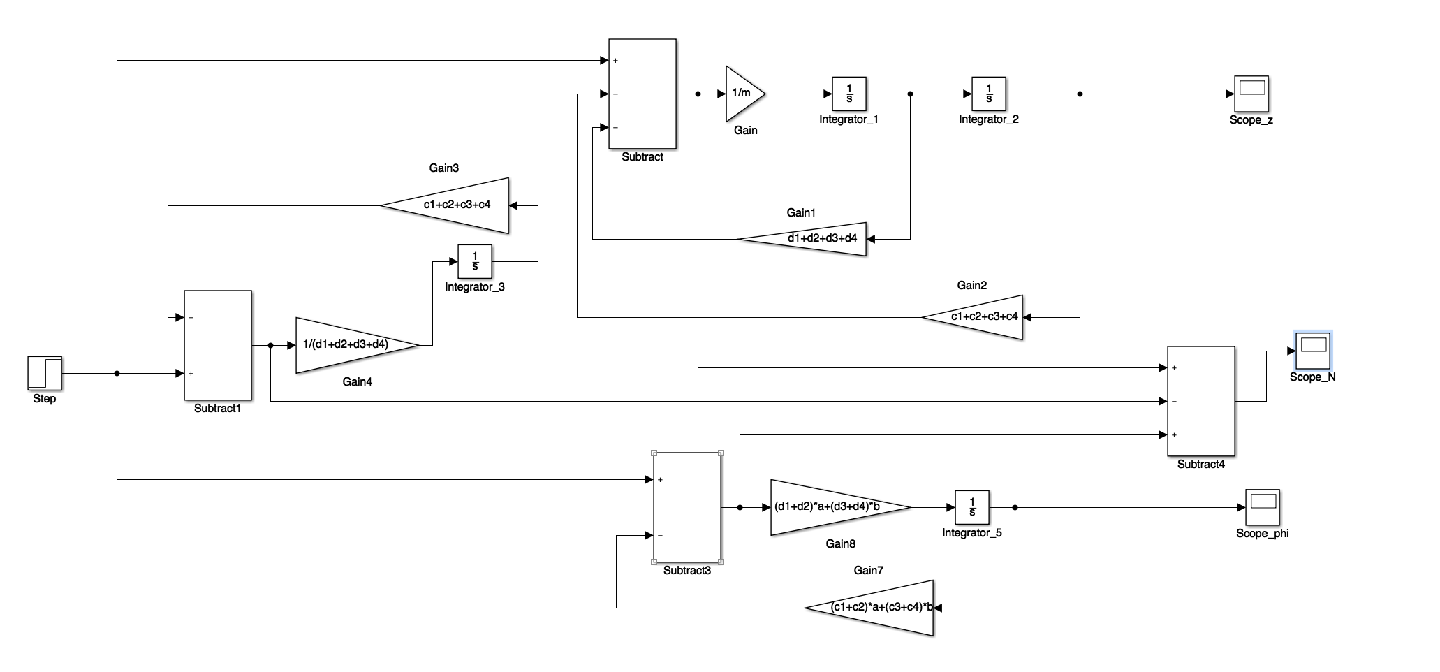
Ich habe die Gleichung (Anhang) nun mit folgender Schleifen-Konstruktion (Anhang) versucht darzustellen. Das was dabei rauskommt macht überhaupt keinen Sinn.
Mein Ansatz war die Gleichung zu zerlegen. Einmal sind nur z und z2 vorhanden und einmal sind nur phi und z2 vorhanden, ähnlich dem Betrachten von Führung- und Störverhalten in der Regelungstechnik. z und phi werden durch z2 angeregt und möchte ich dann vor dem N zusammenführen.
Scheinbar habe ich da aber einen Denkfehler, der mir nicht klar wird.
Ist mein Fehler erkennbar?
| Beschreibung: |
|
 Download |
| Dateiname: |
IMG_2111.JPG |
| Dateigröße: |
653.9 KB |
| Heruntergeladen: |
593 mal |
| Beschreibung: |
|
 Download |
| Dateiname: |
Bildschirmfoto 2016-05-27 um 17.25.00.png |
| Dateigröße: |
161.75 KB |
| Heruntergeladen: |
568 mal |
|
|
|
|
| Markus1308 |
Themenstarter

Forum-Anfänger
|
 |
Beiträge: 20
|
 |
|
 |
Anmeldedatum: 22.05.16
|
 |
|
 |
Wohnort: ---
|
 |
|
 |
Version: ---
|
 |
|
|
 |
|
Verfasst am: 27.05.2016, 17:44
Titel:
|
 |
Alternativ wäre das für mich auch noch denkbar, macht in den Ergebnissen aber keinen Sinn...
| Beschreibung: |
|
 Download |
| Dateiname: |
Bildschirmfoto 2016-05-27 um 17.43.51.png |
| Dateigröße: |
140.96 KB |
| Heruntergeladen: |
591 mal |
|
|
|
|
| AKNOT |

Forum-Century
|
 |
Beiträge: 129
|
 |
|
 |
Anmeldedatum: 12.10.11
|
 |
|
 |
Wohnort: Bochum
|
 |
|
 |
Version: R2018a
|
 |
|
|
 |
|
Verfasst am: 27.05.2016, 17:50
Titel:
|
 |
Ich glaube, der Lösungsansatz ist nicht ganz passend zur Frage. N ist doch eine Konstante in den Gleichungen. Insofern ergibt es für mich keinen Sinn diese Konstante durch das Lösen der zeitabhängigen Differentialgleichungen ermitteln zu wollen.
Wäre dein N vorgegeben, könntest du durch diesen Aufbau die Verläufe der zeitabhängigen Größen in deinen DGLs berechnen. Dafür ist der ODE-Löser da.
|
|
|
|
|
Gehe zu Seite 1, 2 Weiter
|
|
Einstellungen und Berechtigungen
|
|
Du kannst Beiträge in dieses Forum schreiben. Du kannst auf Beiträge in diesem Forum antworten. Du kannst deine Beiträge in diesem Forum nicht bearbeiten. Du kannst deine Beiträge in diesem Forum nicht löschen. Du kannst an Umfragen in diesem Forum nicht mitmachen. Du kannst Dateien in diesem Forum posten Du kannst Dateien in diesem Forum herunterladen
|
|
Impressum
| Nutzungsbedingungen
| Datenschutz
| FAQ
| RSS
Hosted by:
Copyright © 2007 - 2026
goMatlab.de | Dies ist keine offizielle Website der Firma The Mathworks
MATLAB, Simulink, Stateflow, Handle Graphics, Real-Time Workshop, SimBiology, SimHydraulics, SimEvents, and xPC TargetBox are registered trademarks and The MathWorks, the L-shaped membrane logo, and Embedded MATLAB are trademarks of The MathWorks, Inc.
|
|