|
|
|
Sinnvoller Aufbau eines Heizkreisverteilers |
|
| Rapha |

Forum-Anfänger
|
 |
Beiträge: 11
|
 |
|
 |
Anmeldedatum: 26.07.22
|
 |
|
 |
Wohnort: ---
|
 |
|
 |
Version: ---
|
 |
|
|
 |
|
Verfasst am: 29.07.2022, 16:12
Titel: Sinnvoller Aufbau eines Heizkreisverteilers
|
 |
| |
 |
|
Hallo Zusammen,
beim Aufbau meines Models bräuchte ich Hilfe.
Im Moment versuche ich ein Heizkreisverteiler (3 HK) nachzubilden.
Anhand der Carnot-Blöcke stehe ich gerade vor dem Problem, den einen Vorlauf aus dem Pufferspeicher auf die drei Heizkreise aufzuteilen.
Über die Ventile (valve_Thermostatic) lassen sich gut die Stellantriebe nachbilden.
Wenn aber alle drei Stellantriebe auf 1 (offen) sind, sollte natürlich nicht der 3-fache Massenstrom durchgehen.
Die nähest liegende Lösung wären zwei flow_Diverter in Reihe, was aber mMn das Problem mit sich führt, dass für den Fall, falls alle drei Ventile geöffnet sind, der Massenstrom in 1/2, 1/4, 1/4 aufgeteilt wird.
Habt ihr eine Idee, wie man das am sinnvollsten lösen kann?
Danke euch!
| Beschreibung: |
|
 Download |
| Dateiname: |
flow_Diverter.png |
| Dateigröße: |
58.37 KB |
| Heruntergeladen: |
651 mal |
| Beschreibung: |
|
 Download |
| Dateiname: |
Heizkreisverteilung.png |
| Dateigröße: |
56.58 KB |
| Heruntergeladen: |
661 mal |
|
|
|
|
|
|
| Rapha |
Themenstarter

Forum-Anfänger
|
 |
Beiträge: 11
|
 |
|
 |
Anmeldedatum: 26.07.22
|
 |
|
 |
Wohnort: ---
|
 |
|
 |
Version: ---
|
 |
|
|
 |
|
Verfasst am: 01.08.2022, 13:00
Titel:
|
 |
Mein Lösungsansatz wäre wie folgt:
1) Stellantrieb "valve thermoset"
- Eingang: THB Vorlauf
- Ventileinstellung über die Differenz von Raumsoll- zu Raumisttemperatur
- Ausgang: geregelter THB Vorlauf (mdot)
-- Problem: Wenn alle Ventile auf 1 stehen, würde entsprechend der 3-fache Massenstrom ins Haus transportiert
-- Lösungsvorschlag
2) nachgelagerte Pumpen (pump_additional)
- die anteilige Fördermenge wird bei jeder der drei Pumpen über einen Switch geregelt. "Ctrl" wird ermittelt als Teilungsverhältnis von pos_valve zur Summe der pos_valve.
Wie werden die drei Massenströme im Rücklauf wieder sinnvoll zusammengeführt?
Anbei meine .slx Datei
was denkt ihr?
| Beschreibung: |
|
 Download |
| Dateiname: |
energysystem.slx |
| Dateigröße: |
125.01 KB |
| Heruntergeladen: |
670 mal |
|
|
|
|
| Rapha |
Themenstarter

Forum-Anfänger
|
 |
Beiträge: 11
|
 |
|
 |
Anmeldedatum: 26.07.22
|
 |
|
 |
Wohnort: ---
|
 |
|
 |
Version: ---
|
 |
|
|
 |
|
Verfasst am: 01.08.2022, 16:00
Titel:
|
 |
Update zur obigen Frage:
- Die "pump additional" mussten durch "pump basic" ersetzt werden, da die "pump additional" nicht den Massenstrom berücksichtigen.
Problem: die Addition der einzelnen Massenströme ergibt nicht den Massenstrom nach der "pump main"
- Die Zusammenführung der drei THB im Rücklauf scheint nicht mit den "flow mixer" zu funktionieren.
| Beschreibung: |
|
 Download |
| Dateiname: |
energysystem.slx |
| Dateigröße: |
128.02 KB |
| Heruntergeladen: |
652 mal |
| Beschreibung: |
|
 Download |
| Dateiname: |
Heizkreisverteilung_optimiert .pdf |
| Dateigröße: |
117.17 KB |
| Heruntergeladen: |
650 mal |
|
|
|
|
| askep |

Forum-Anfänger
|
 |
Beiträge: 25
|
 |
|
 |
Anmeldedatum: 04.06.19
|
 |
|
 |
Wohnort: ---
|
 |
|
 |
Version: ---
|
 |
|
|
 |
|
Verfasst am: 02.08.2022, 10:45
Titel:
|
 |
Die 3 THB im Rücklauf werden hier nicht zusammengeführt
1. Es muss immer ein FlowDiverter vor einem Mixer eingebunden sein. So wie es ja auch beim Speicher-Block der Fall ist. Die 3 Kreise mit den "valve thermostatic" werden nicht durch einen flow diverter aufgeteilt, also wird auch die Zusammenführung nicht funktionieren.
2. Hydraulikkreise müssen immer die Struktur in der angeführten Grafik haben. Die erste Abzweigung im Kreis muss auch als erstes geschlossen werden. Ist das nicht der Fall stimmt, die Berechnung nicht.
| Beschreibung: |
|
 Download |
| Dateiname: |
Carnot_Hydraulik.png |
| Dateigröße: |
1.33 KB |
| Heruntergeladen: |
646 mal |
|
|
|
|
| Rapha |
Themenstarter

Forum-Anfänger
|
 |
Beiträge: 11
|
 |
|
 |
Anmeldedatum: 26.07.22
|
 |
|
 |
Wohnort: ---
|
 |
|
 |
Version: ---
|
 |
|
|
 |
|
Verfasst am: 08.08.2022, 22:37
Titel:
|
 |
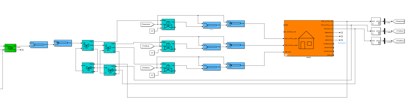
Danke dir.
Habe es jetzt so umgesetzt
|
|
|
|
|
|
|
Einstellungen und Berechtigungen
|
|
Du kannst Beiträge in dieses Forum schreiben. Du kannst auf Beiträge in diesem Forum antworten. Du kannst deine Beiträge in diesem Forum nicht bearbeiten. Du kannst deine Beiträge in diesem Forum nicht löschen. Du kannst an Umfragen in diesem Forum nicht mitmachen. Du kannst Dateien in diesem Forum posten Du kannst Dateien in diesem Forum herunterladen
|
|
Impressum
| Nutzungsbedingungen
| Datenschutz
| FAQ
| RSS
Hosted by:
Copyright © 2007 - 2026
goMatlab.de | Dies ist keine offizielle Website der Firma The Mathworks
MATLAB, Simulink, Stateflow, Handle Graphics, Real-Time Workshop, SimBiology, SimHydraulics, SimEvents, and xPC TargetBox are registered trademarks and The MathWorks, the L-shaped membrane logo, and Embedded MATLAB are trademarks of The MathWorks, Inc.
|
|