|
|
|
Touchpad mit ForceFeedback als Feder-Dämpfer-System |
|
| illy |

Forum-Newbie
|
 |
Beiträge: 1
|
 |
|
 |
Anmeldedatum: 09.03.19
|
 |
|
 |
Wohnort: ---
|
 |
|
 |
Version: ---
|
 |
|
|
 |
|
Verfasst am: 12.03.2019, 13:50
Titel: Touchpad mit ForceFeedback als Feder-Dämpfer-System
|
 |
| |
 |
|
Hallo liebe Community,
ich komme leider seit Wochen nicht weiter und hoffe ihr könnt mir helfen.
Ich soll mit einem Messfinger (Feder-Dämpfer-System) ein Touchpad mit ForceFeedback auslösen, welches dabei einen Weg von 0,5 mm zurück legt. Um das ganze verständlicher zu Gestalten, füge ich Bilder hinzu.
Ich habe das ganze als Modell mit den wirkenden Kräften aufgezeichnet (Bild1). Nun wird zunächst der Finger mit einer konstanten Geschwindikeit von 0,01 m/s Richtung Masse gedrückt. Dabei passiert zunächst mal nichts, außer dass sich die Kraft für die Federsteifigkeit und die Dämpfung zunimmt.
Wenn aber die Kraft nun so groß wird, dass Sie die entgegenwirkende Kraft der Feder/ Dämpfung des Displays übertrifft, gibt die Masse nach und das Display wird um 0,5 mm eingedrückt.
Dabei müsste die Kraft erst stetig zunehmen, dann kurz einbrechen und wieder stetig steigen, wobei plötzlich eine Beschleunigung der Masse auftritt, die sich dann aber wieder bei 0 einpendeln sollte (Bild2).
Mir steht durch meine Hochschule Matlab zur Verfügung, jedoch soll ich es auch in Scilab modellieren, wodurch ich mich zunächst auch hier versucht habe. Ich würde es aber zunächst gerne in Matlab modellieren wollen, da mir dann vermutlich das übertragen auf Scilab leichter fällt.
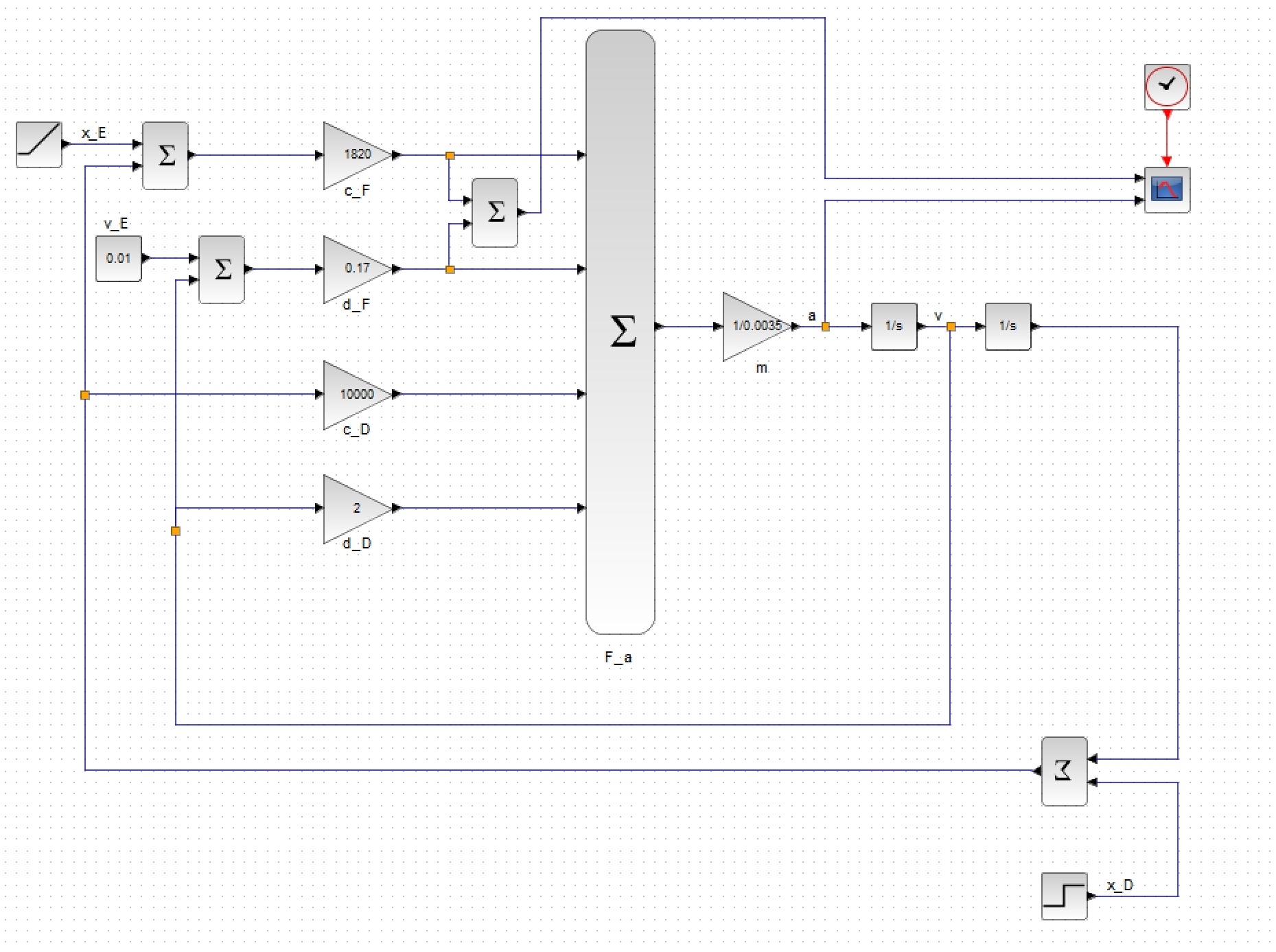
Ich habe mal zwei Modelle meines momentanen Fortschritts hochgeladen (Bild 3 & 4). Beide beinhalten leider noch logische Fehler, die ich aber seit Wochen nicht in den Griff bekomme. Wäre für jede Hilfe dankbar und sollten weitere Informationen benötigt werden, werde ich eure Fragen so schnell wie möglich beantworten.
Hoffe wirklich mir kann einer weiterhelfen, da selbst das Matlabwissen meines Professors hier begrenzt ist und dieser auch überfragt ist
| Beschreibung: |
| Bild 3: Modell mit Switch |
|
 Download |
| Dateiname: |
Bild 4.PNG |
| Dateigröße: |
86.11 KB |
| Heruntergeladen: |
902 mal |
| Beschreibung: |
| Bild3: Modell ohne Switch |
|
 Download |
| Dateiname: |
Bild 3.jpg |
| Dateigröße: |
1.32 MB |
| Heruntergeladen: |
972 mal |
| Beschreibung: |
| Bild 2: Gemessene Kraft/Beschleunigung |
|
 Download |
| Dateiname: |
Bild 2.jpg |
| Dateigröße: |
1.24 MB |
| Heruntergeladen: |
1064 mal |
| Beschreibung: |
| Bild 1: Mathematisches Modell mit Kräften |
|
 Download |
| Dateiname: |
Bild 1.jpg |
| Dateigröße: |
368.7 KB |
| Heruntergeladen: |
1060 mal |
|
|
|
|
|
|
|
|
|
Einstellungen und Berechtigungen
|
|
Du kannst Beiträge in dieses Forum schreiben. Du kannst auf Beiträge in diesem Forum antworten. Du kannst deine Beiträge in diesem Forum nicht bearbeiten. Du kannst deine Beiträge in diesem Forum nicht löschen. Du kannst an Umfragen in diesem Forum nicht mitmachen. Du kannst Dateien in diesem Forum posten Du kannst Dateien in diesem Forum herunterladen
|
|
Impressum
| Nutzungsbedingungen
| Datenschutz
| FAQ
| RSS
Hosted by:
Copyright © 2007 - 2026
goMatlab.de | Dies ist keine offizielle Website der Firma The Mathworks
MATLAB, Simulink, Stateflow, Handle Graphics, Real-Time Workshop, SimBiology, SimHydraulics, SimEvents, and xPC TargetBox are registered trademarks and The MathWorks, the L-shaped membrane logo, and Embedded MATLAB are trademarks of The MathWorks, Inc.
|
|