|
|
|
Triangulation - Erkennen von Linien und Berechnung der Höhe |
|
| retsam |

Forum-Century
|
 |
Beiträge: 112
|
 |
|
 |
Anmeldedatum: 23.09.13
|
 |
|
 |
Wohnort: ---
|
 |
|
 |
Version: ---
|
 |
|
|
 |
|
Verfasst am: 04.06.2017, 16:11
Titel: Triangulation - Erkennen von Linien und Berechnung der Höhe
|
 |
Hallo Zusammen,
ich möchte gern einen 3 Scanner bauen, da die Hardware gerade unterwegs ist, wollte ich schonmal die Funktion Triangulation Programmieren.
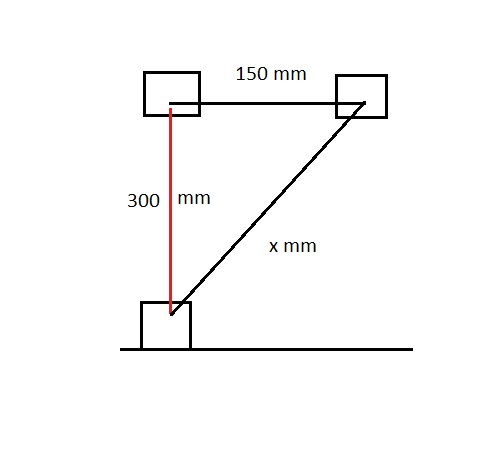
Folgender Ausgangspunkt (siehe Versuchsaufbau).
Nach dem Scannen erhalte ich (in der Theorie) folgendes Bild (nachgestellt).
Nun meine Frage:
Wie kann ich in MatLab die Trigonometrie umsetzten.
Ich weiß, dass a²+b² = c² ist und über den Kamerawinkel die Abweichung der Ankathere Berechnet wird. Wie bringe ich Mathlab nun bei, dass wie im Bild1_strich200_300.jpg die Verschiebung zu erkennen und die Differenz über die Pixel zu berechnen?
Jemand eine Idee? Ich habe eine Denkblokade...
Greetz und frohe Pfingsten..
| Beschreibung: |
| Verschiebung durch die Höhe |
|
 Download |
| Dateiname: |
Bild1_strich2_300.jpg |
| Dateigröße: |
3.14 KB |
| Heruntergeladen: |
388 mal |
| Beschreibung: |
|
 Download |
| Dateiname: |
versuchsaufbau.jpg |
| Dateigröße: |
16.34 KB |
| Heruntergeladen: |
412 mal |
|
|
|
|
|
|
| retsam |
Themenstarter

Forum-Century
|
 |
Beiträge: 112
|
 |
|
 |
Anmeldedatum: 23.09.13
|
 |
|
 |
Wohnort: ---
|
 |
|
 |
Version: ---
|
 |
|
|
 |
|
Verfasst am: 04.06.2017, 20:40
Titel:
|
 |
Hallo Zusammen,
so ich bin schonmal etwas Weiter.
Ich habe die Simulierte Linie des Lasers mal auf ein kleines Bild gezaubert (um schneller Ergebnisse zu bekommen).
Ich laufe quasi ab Spalte 1 im RGB das Bild ab bis ich einen Bestimmten Wert habe.
Über ein Break in der Schleife gehe ich zur nächsten Zeile.
Vll. hat jemand ja noch eine einfacherere Idee wie der Code auch bei großen Bildern schneller funktioniert?
Greetz
Retsam
|
|
|
|
| Jan S |

Moderator
|
 |
Beiträge: 11.057
|
 |
|
 |
Anmeldedatum: 08.07.10
|
 |
|
 |
Wohnort: Heidelberg
|
 |
|
 |
Version: 2009a, 2016b
|
 |
|
|
 |
|
Verfasst am: 08.06.2017, 18:41
Titel:
|
 |
|
|
|
|
|
|
Einstellungen und Berechtigungen
|
|
Du kannst Beiträge in dieses Forum schreiben. Du kannst auf Beiträge in diesem Forum antworten. Du kannst deine Beiträge in diesem Forum nicht bearbeiten. Du kannst deine Beiträge in diesem Forum nicht löschen. Du kannst an Umfragen in diesem Forum nicht mitmachen. Du kannst Dateien in diesem Forum posten Du kannst Dateien in diesem Forum herunterladen
|
|
Impressum
| Nutzungsbedingungen
| Datenschutz
| FAQ
| RSS
Hosted by:
Copyright © 2007 - 2026
goMatlab.de | Dies ist keine offizielle Website der Firma The Mathworks
MATLAB, Simulink, Stateflow, Handle Graphics, Real-Time Workshop, SimBiology, SimHydraulics, SimEvents, and xPC TargetBox are registered trademarks and The MathWorks, the L-shaped membrane logo, and Embedded MATLAB are trademarks of The MathWorks, Inc.
|
|