|
|
|
Variable im Eingabefeld verwenden |
|
| Uriel |
Gast
|
 |
Beiträge: ---
|
 |
|
 |
Anmeldedatum: ---
|
 |
|
 |
Wohnort: ---
|
 |
|
 |
Version: ---
|
 |
|
|
 |
|
Verfasst am: 10.06.2013, 11:55
Titel: Variable im Eingabefeld verwenden
|
 |
| |
 |
|
Hallo ich habe folgendes Problem,
ich möchte mit SimPowerSystems die Möglichkeit haben, in einem Eingabefenster nicht den Wert eingeben zu müssen, sondern auch eine Variable (wie m Bild U_V) eingeben zu können.
Hintergrund dafür ist der, dass ich später in meiner Simulation Werte während der Simulation ändern will um Beispielsweise Spannungsschwankungen einer Solaranlage zu simulieren.
Irgendwas mache ich beim Festlegen der Variable in der Workspace jedoch falsch. Wenn ich einfach im Matlab U_V=380e3*sqrt(2) eingebe und die Variable nicht über Simulink definieren will funktioniert alles wie es soll. Wenn ich die Variable jedoch über das Programm definieren will, kann Simulink mit dem Wert nichts anfangen.
Irgendwie schaffe ich es nicht, mit dem To Workspace Block einfach einen Zahlenwert auszugeben, sodass Simulink dann mit der Variable nichts mehr anzufangen weiß.
Und falls sich das so machen lässt wie ich mir das vorstelle, wenn ich als Eingangssignal für den To Workspace keinen konstanten Wert sondern z.B. Daten aus einer csv-Datei verwenden würde, würde Simulink dann mit diesen variablen Werten arbeiten?
Im Anhang habe ich nochmal 3 Bilder gemacht, falls etwas unklar sein sollte einfach nachfragen.
Im vorraus schonmal danke für jegliche Tips oder Hilfe
| Beschreibung: |
|
 Download |
| Dateiname: |
Programm.JPG |
| Dateigröße: |
53.42 KB |
| Heruntergeladen: |
687 mal |
| Beschreibung: |
|
 Download |
| Dateiname: |
Workspace1.JPG |
| Dateigröße: |
14.04 KB |
| Heruntergeladen: |
761 mal |
| Beschreibung: |
|
 Download |
| Dateiname: |
Workspace2.JPG |
| Dateigröße: |
15.62 KB |
| Heruntergeladen: |
697 mal |
|
|
|
|
|
|
| Uriel |
Gast
|
 |
Beiträge: ---
|
 |
|
 |
Anmeldedatum: ---
|
 |
|
 |
Wohnort: ---
|
 |
|
 |
Version: ---
|
 |
|
|
 |
|
Verfasst am: 11.06.2013, 13:59
Titel:
|
 |
Oder gibt es vielleicht eine andere Möglichkeit veränderliche Werte zu simulink zu importieren?
Die Lastprofile sind als csv Datein vorhanden und abhängig von der Einspeisung würde Spannung oder Strom variieren. Gedacht ist eine Simulation die einen Zeitraum von 24h abdeckt mit veränderlichen Werten im 1 Minuten Schritt.
Oder ist es möglich eine einfache Matrix aus einer csv Datei erstellen zu lassen, die dann den jeweiligen Wert und eine zugeordnete Zeit enthält und aus dieser Matrix dann immer den jeweiligen aktuellen Wert (abhängig von der Zeit in der Simulation) zu verwenden?
|
|
|
|
| knilumis_baltaM |

Forum-Century
|
 |
Beiträge: 241
|
 |
|
 |
Anmeldedatum: 20.04.12
|
 |
|
 |
Wohnort: ---
|
 |
|
 |
Version: ---
|
 |
|
|
 |
|
Verfasst am: 11.06.2013, 14:42
Titel:
|
 |
Der To Workspace Block liefert erst am Ende der Simulation den Wert an das Workspace.
Look-up Tables würden dir hier nicht helfen?
|
|
|
|
| Uriel |
Gast
|
 |
Beiträge: ---
|
 |
|
 |
Anmeldedatum: ---
|
 |
|
 |
Wohnort: ---
|
 |
|
 |
Version: ---
|
 |
|
|
 |
|
Verfasst am: 12.06.2013, 08:46
Titel:
|
 |
Bisher habe ich noch nicht mit Look-Up Tables gearbeitet, ich werde mich da mal einarbeiten und schauen wie weit sich das einbinden lässt.
Welche Look-Up Table wäre denn am besten geeignet?
Wenn ich also z.B. Werte hätte die immer in der Form sind
100V 0s
200V 60s
120V 120s
etc.
und als Ausgang immer abhängig von der Simulationszeit eine Variable mit dem entsprechenden Wert haben möchte (also von 60s-120s 200V).
|
|
|
|
| knilumis_baltaM |

Forum-Century
|
 |
Beiträge: 241
|
 |
|
 |
Anmeldedatum: 20.04.12
|
 |
|
 |
Wohnort: ---
|
 |
|
 |
Version: ---
|
 |
|
|
 |
|
Verfasst am: 12.06.2013, 08:54
Titel:
|
 |
Die normale "Lookup Table" sollte hier reichen. Du gibst die Zeiten als Vektor bei "Vector of Input values" ein :
und bei "Table data" dann die Spannung
....
Musst hier die Look up method anpassen. Oft werden die so verwendet, dass man paar Werte über einen Bereich eingibt und dazwischen nimmt man interpolierte Werte. Das brauchst du ja aber nicht.
|
|
|
|
| Uriel |
Gast
|
 |
Beiträge: ---
|
 |
|
 |
Anmeldedatum: ---
|
 |
|
 |
Wohnort: ---
|
 |
|
 |
Version: ---
|
 |
|
|
 |
|
Verfasst am: 12.06.2013, 09:44
Titel:
|
 |
Erstmal danke für deine Mühe, ich hoffe ich nerve nicht, weil ich mich grade wohl ein wenig sehr unbeholfen anstelle.
Ich habe die Werte jetzt mal so eingegeben, ist das mit den Breakpoints richtig?
| Zitat: |
| Du gibst die Zeiten als Vektor bei "Vector of Input values" ein : |
Damit meinst du seperat einen Vektorblock mit den Zeiten erstellen und dann als Input für die Lookup Table nehmen oder?
Kann ich an den Ausgang einen Block hängen, der eine Variable definiert und diese wird immer automatisch mit den aktuellen Werten ausgegeben? Falls das geht, welcher Block würde sich denn dafür anbieten? Wenn To Workspace nur am Ende der Simulation abgearbeitet wird, wäre das ja keine Variante.
Und nochmal danke für deine Hilfe, ich weiß das sehr zu schätzen.
| Beschreibung: |
|
 Download |
| Dateiname: |
Look_Up-Table.JPG |
| Dateigröße: |
65.74 KB |
| Heruntergeladen: |
634 mal |
|
|
|
|
| Uriel |
Gast
|
 |
Beiträge: ---
|
 |
|
 |
Anmeldedatum: ---
|
 |
|
 |
Wohnort: ---
|
 |
|
 |
Version: ---
|
 |
|
|
 |
|
Verfasst am: 12.06.2013, 10:59
Titel:
|
 |
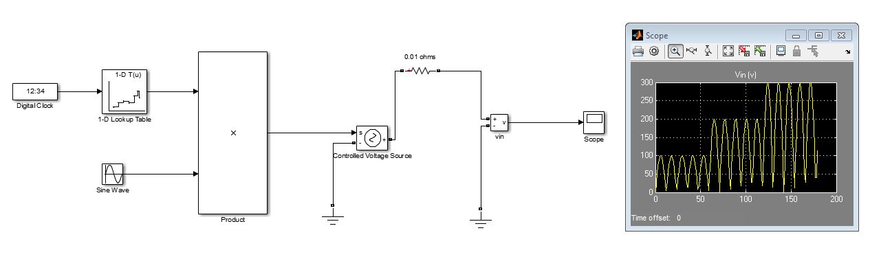
Vielen vielen Dank für die schnelle und gute Hilfe, mit Lookup Table geht genau das was ich suche.
Ich hänge mal noch das Ergebnis mit ran, vielleicht braucht ja jemand mal was ähnliches.
Kann dann auch als abgeschlossen markiert werden und nochmal vielen, vielen dank
| Beschreibung: |
|
 Download |
| Dateiname: |
Programm.JPG |
| Dateigröße: |
53.33 KB |
| Heruntergeladen: |
627 mal |
|
|
|
|
|
|
|
Einstellungen und Berechtigungen
|
|
Du kannst Beiträge in dieses Forum schreiben. Du kannst auf Beiträge in diesem Forum antworten. Du kannst deine Beiträge in diesem Forum nicht bearbeiten. Du kannst deine Beiträge in diesem Forum nicht löschen. Du kannst an Umfragen in diesem Forum nicht mitmachen. Du kannst Dateien in diesem Forum posten Du kannst Dateien in diesem Forum herunterladen
|
|
Impressum
| Nutzungsbedingungen
| Datenschutz
| FAQ
| RSS
Hosted by:
Copyright © 2007 - 2026
goMatlab.de | Dies ist keine offizielle Website der Firma The Mathworks
MATLAB, Simulink, Stateflow, Handle Graphics, Real-Time Workshop, SimBiology, SimHydraulics, SimEvents, and xPC TargetBox are registered trademarks and The MathWorks, the L-shaped membrane logo, and Embedded MATLAB are trademarks of The MathWorks, Inc.
|
|