|
|
|
Verständnis-Schwierigkeiten mit Spannungsteiler im Modell |
|
| habaer |

Forum-Newbie
|
 |
Beiträge: 3
|
 |
|
 |
Anmeldedatum: 08.04.16
|
 |
|
 |
Wohnort: Stuttgart
|
 |
|
 |
Version: ---
|
 |
|
|
 |
|
Verfasst am: 08.04.2016, 17:50
Titel: Verständnis-Schwierigkeiten mit Spannungsteiler im Modell
|
 |
| |
 |
|
Hallo zusammen,
ich habe eine Frage zu einem Modell das ich in Simulink umsetzen soll.
Mein aktueller Stand ist folgender(siehe auch Bilder Anhang):
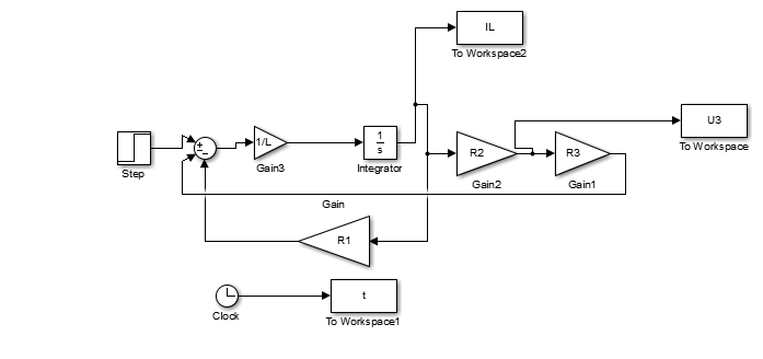
Aus dem Schaltplan habe ich die Maschengleichung U(t)=UL(t)+UR1(t) und die Knotengleichung IL(t)=I1(t)+I23(t). Den Strom IL(t) bekomme ich nach dem Integrator-Block. Würde ich die Widerstände zusammen fassen komme ich auf mein aktuelles Modell.
Da ich aber alle Spannungen und Ströme aus dem Modell beziehen sollte, wollte ich die Widerstände einzeln im Modell darstellen. So kam ich auf den Stand vom Bild erster Entwurf. Allerdings würde das doch bedeuten IL(t) fließt in beide Stränge rein, was ja nicht sein kann da sich der Strom aufteilt.
Ich komm gerade echt nicht drauf wie ich den Spannungsteiler einzeln implementiere.
Bin ich gerade voll auf dem Holzweg oder fehlt nur eine Kleinigkeit?
Hoffe Ihr könnt mich ein wenig erleuchten.
Gruß Hans
| Beschreibung: |
|
 Download |
| Dateiname: |
erster_entwurf_modell.png |
| Dateigröße: |
14.62 KB |
| Heruntergeladen: |
617 mal |
| Beschreibung: |
|
 Download |
| Dateiname: |
aktuelles_modell.png |
| Dateigröße: |
11.75 KB |
| Heruntergeladen: |
634 mal |
| Beschreibung: |
|
 Download |
| Dateiname: |
modell.jpg |
| Dateigröße: |
2.91 MB |
| Heruntergeladen: |
614 mal |
|
|
|
|
|
|
| habaer |
Themenstarter

Forum-Newbie
|
 |
Beiträge: 3
|
 |
|
 |
Anmeldedatum: 08.04.16
|
 |
|
 |
Wohnort: Stuttgart
|
 |
|
 |
Version: ---
|
 |
|
|
 |
|
Verfasst am: 09.04.2016, 14:58
Titel:
|
 |
Also Update, die Simulation hab ich hinbekommen.
Mir fehlt noch die Übertragungsfunktion U(t)/U3(t)
Fasse ich alle Widerstände zu R zusammen würde ich ja folgendes heraus bekommen
und da steh ich gerade und schaue doof.
Hoffe jemand hat einen Tipp für mich, in meinen Büchern und im Internet habe ich leider noch nichts vergleichbares gefunden.
|
|
|
|
| habaer |
Themenstarter

Forum-Newbie
|
 |
Beiträge: 3
|
 |
|
 |
Anmeldedatum: 08.04.16
|
 |
|
 |
Wohnort: Stuttgart
|
 |
|
 |
Version: ---
|
 |
|
|
 |
|
Verfasst am: 10.04.2016, 11:05
Titel:
|
 |
Hat sich erledigt, Forum sei Dank.
Auch wenn es keine direkte Antwort gab, gibt's hier ja genug nachzulesen.
|
|
|
|
|
|
|
Einstellungen und Berechtigungen
|
|
Du kannst Beiträge in dieses Forum schreiben. Du kannst auf Beiträge in diesem Forum antworten. Du kannst deine Beiträge in diesem Forum nicht bearbeiten. Du kannst deine Beiträge in diesem Forum nicht löschen. Du kannst an Umfragen in diesem Forum nicht mitmachen. Du kannst Dateien in diesem Forum posten Du kannst Dateien in diesem Forum herunterladen
|
|
Impressum
| Nutzungsbedingungen
| Datenschutz
| FAQ
| RSS
Hosted by:
Copyright © 2007 - 2026
goMatlab.de | Dies ist keine offizielle Website der Firma The Mathworks
MATLAB, Simulink, Stateflow, Handle Graphics, Real-Time Workshop, SimBiology, SimHydraulics, SimEvents, and xPC TargetBox are registered trademarks and The MathWorks, the L-shaped membrane logo, and Embedded MATLAB are trademarks of The MathWorks, Inc.
|
|