|
|
|
Wert bei jedem "Schleifendurchlauf" neu zuweisen |
|
| Autodidakt |

Forum-Anfänger
|
 |
Beiträge: 39
|
 |
|
 |
Anmeldedatum: 08.02.14
|
 |
|
 |
Wohnort: ---
|
 |
|
 |
Version: ---
|
 |
|
|
 |
|
Verfasst am: 05.01.2019, 20:18
Titel: Wert bei jedem "Schleifendurchlauf" neu zuweisen
|
 |
Hallo Leute,
ich steh gerade einmal ein bisschen auf dem Schlauch, im Prinzip ist es nicht kompliziert:
Ich möchte einen Wert einlesen und diesen von dem vorangegangenen Wert abziehen ...
also ungefähr so:
Xa=0
void()
{
X-Xa=Z
X=Xa;
}
X soll eingelesen werden... also wird immer der neue Wert vom Alten abgezogen, aber ich check gerade absolut nicht wie ich das in Simulink umsetzen soll... hat da jemand Rat für mich?
Liebe Grüße
|
|
|
|
|
|
| fabianT |

Forum-Fortgeschrittener
|
 |
Beiträge: 84
|
 |
|
 |
Anmeldedatum: 31.10.18
|
 |
|
 |
Wohnort: ---
|
 |
|
 |
Version: ---
|
 |
|
|
 |
|
Verfasst am: 08.01.2019, 11:29
Titel:
|
 |
Hi,
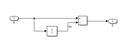
wenn ich das richtig verstehe, kannst du das ganz einfach mit einem Delay Block machen, siehe Bild im Anhang.
Xa soll aber doch der "alte" Wert sein, dann müsste es doch heißen:
Xa = X;
Den Initialwert von Xa gibst du im Unit Delay vor.
Viele Grüße
Fabian
| Beschreibung: |
|
 Download |
| Dateiname: |
Capture.PNG |
| Dateigröße: |
3.63 KB |
| Heruntergeladen: |
483 mal |
|
|
|
|
|
|
|
Einstellungen und Berechtigungen
|
|
Du kannst Beiträge in dieses Forum schreiben. Du kannst auf Beiträge in diesem Forum antworten. Du kannst deine Beiträge in diesem Forum nicht bearbeiten. Du kannst deine Beiträge in diesem Forum nicht löschen. Du kannst an Umfragen in diesem Forum nicht mitmachen. Du kannst Dateien in diesem Forum posten Du kannst Dateien in diesem Forum herunterladen
|
|
Impressum
| Nutzungsbedingungen
| Datenschutz
| FAQ
| RSS
Hosted by:
Copyright © 2007 - 2026
goMatlab.de | Dies ist keine offizielle Website der Firma The Mathworks
MATLAB, Simulink, Stateflow, Handle Graphics, Real-Time Workshop, SimBiology, SimHydraulics, SimEvents, and xPC TargetBox are registered trademarks and The MathWorks, the L-shaped membrane logo, and Embedded MATLAB are trademarks of The MathWorks, Inc.
|
|