|
|
|
Zeit zwischen Hall Flanken (fortlaufend) berechnen |
|
| JaSoIstEs |

Forum-Guru
|
 |
Beiträge: 266
|
 |
|
 |
Anmeldedatum: 01.10.12
|
 |
|
 |
Wohnort: Hessen
|
 |
|
 |
Version: 2019b
|
 |
|
|
 |
|
Verfasst am: 24.10.2019, 17:02
Titel: Zeit zwischen Hall Flanken (fortlaufend) berechnen
|
 |
Hallo Leute,
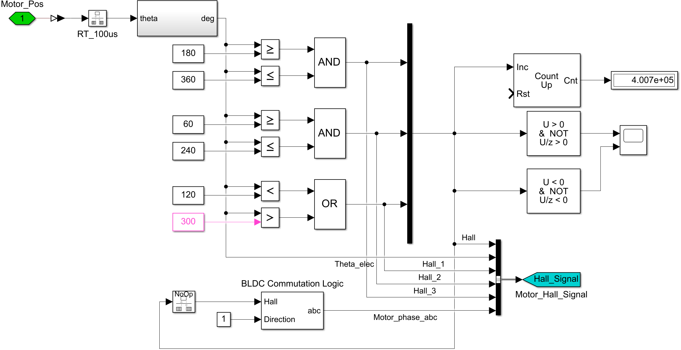
ich habe folgenden Aufbau (siehe Anhang).
Ausgabe dieses Subsystems sind meine drei Hall-Signale zu "berechnen" was auch super funktioniert.
Was ich aber nicht ganz schaffe bzw. ich weiß nicht welche Bauteile ich wie verwenden soll... um die Zeit zwischen zwei Flanken (egal ob fallend oder steigend) fortlaufend zu berechnen.
Das Ergebnis dieser Berechnung wird dann weiter in einer Gleichung verwendet.
Ich danke euch vielmals im Voraus.
LG
| Beschreibung: |
|
 Download |
| Dateiname: |
Bsp.png |
| Dateigröße: |
18.69 KB |
| Heruntergeladen: |
537 mal |
| Beschreibung: |
| Subsystem zur Generierung und Analyse der Hall Signale |
|
 Download |
| Dateiname: |
2019-10-24_15-21-07.png |
| Dateigröße: |
140.49 KB |
| Heruntergeladen: |
521 mal |
|
|
|
|
|
|
| JaSoIstEs |
Themenstarter

Forum-Guru
|
 |
Beiträge: 266
|
 |
|
 |
Anmeldedatum: 01.10.12
|
 |
|
 |
Wohnort: Hessen
|
 |
|
 |
Version: 2019b
|
 |
|
|
 |
|
Verfasst am: 25.10.2019, 12:03
Titel:
|
 |
Ich hab hier mal etwas gebastelt und beigefügt.
In dem Minimalbeispiel funktioniert das soweit ich es beurteilen kann super.
Aber in meinem System leider nicht.
Weiß jemand woran das liegen könnte?
Ich hab euch auch ein Bild angehängt was einen ausschnitt aus meinen Signalen zeigt.
Hier würde ich gerne das Zusammengefügte Signal (Hall1 Hall2 Hall3 - Oben ganz rechts) verwenden.
LG
| Beschreibung: |
|
 Download |
| Dateiname: |
MyCase.png |
| Dateigröße: |
67.87 KB |
| Heruntergeladen: |
520 mal |
| Beschreibung: |
|
 Download |
| Dateiname: |
detect_time_betweenFlanks.slx |
| Dateigröße: |
27.02 KB |
| Heruntergeladen: |
561 mal |
|
|
|
|
| JaSoIstEs |
Themenstarter

Forum-Guru
|
 |
Beiträge: 266
|
 |
|
 |
Anmeldedatum: 01.10.12
|
 |
|
 |
Wohnort: Hessen
|
 |
|
 |
Version: 2019b
|
 |
|
|
 |
|
Verfasst am: 25.10.2019, 14:48
Titel:
|
 |
So ich glaube ich habe es.
So müsste das aussehen (siehe Anhang).
Werde es hier aber noch auf offen lassen bis ich es verifizieren kann.
| Beschreibung: |
|
 Download |
| Dateiname: |
detect_time_betweenFlanks.slx |
| Dateigröße: |
26.85 KB |
| Heruntergeladen: |
489 mal |
|
|
|
|
| JaSoIstEs |
Themenstarter

Forum-Guru
|
 |
Beiträge: 266
|
 |
|
 |
Anmeldedatum: 01.10.12
|
 |
|
 |
Wohnort: Hessen
|
 |
|
 |
Version: 2019b
|
 |
|
|
 |
|
Verfasst am: 28.10.2019, 18:10
Titel:
|
 |
Habe noch ein kleines Problem das ich nicht gelöst bekomme.
Vielleicht fehlt mir hier einfach das Verständnis für Sub-Systeme mit Trigger.
Das Signal startet erst bei 1 und endet wenn das System nicht mehr getriggert wird somit bleibt gegen Ende das Signal auf seinen letzten gespeicherten Wert stehen und geht nicht zu null.
Wie kann ich das ändern?
Im Anhang hab ich mal ein Bild zur Verdeutlichung angehängt.
Danke im Voraus.
| Beschreibung: |
|
 Download |
| Dateiname: |
2019-10-28_17-01-32.png |
| Dateigröße: |
43.16 KB |
| Heruntergeladen: |
492 mal |
|
|
|
|
| JaSoIstEs |
Themenstarter

Forum-Guru
|
 |
Beiträge: 266
|
 |
|
 |
Anmeldedatum: 01.10.12
|
 |
|
 |
Wohnort: Hessen
|
 |
|
 |
Version: 2019b
|
 |
|
|
 |
|
Verfasst am: 29.10.2019, 11:25
Titel:
|
 |
Habe jetzt mal ein kleines Minimalbeispiel gebastelt um mein Problem besser schildern zu können.
| Beschreibung: |
|
 Download |
| Dateiname: |
MiniBsp.slx |
| Dateigröße: |
28.93 KB |
| Heruntergeladen: |
482 mal |
|
|
|
|
| fabianT |

Forum-Fortgeschrittener
|
 |
Beiträge: 84
|
 |
|
 |
Anmeldedatum: 31.10.18
|
 |
|
 |
Wohnort: ---
|
 |
|
 |
Version: ---
|
 |
|
|
 |
|
Verfasst am: 06.11.2019, 11:32
Titel:
|
 |
Hi,
ich denke mit einem Triggered Subsystem wird das schwierig. Woher soll denn das Subsystem wissen wann der letzte Trigger ist, um die Zustände oder ausgänge auf Null zu setzen. Vielleicht bekommst du das mit einem Enabled/Triggered Subsystem hin, oder ein if/else Subsystem, sodass du im else Zweig alles auf Null setzen kannst.
VG
Fabian
|
|
|
|
|
|
|
Einstellungen und Berechtigungen
|
|
Du kannst Beiträge in dieses Forum schreiben. Du kannst auf Beiträge in diesem Forum antworten. Du kannst deine Beiträge in diesem Forum nicht bearbeiten. Du kannst deine Beiträge in diesem Forum nicht löschen. Du kannst an Umfragen in diesem Forum nicht mitmachen. Du kannst Dateien in diesem Forum posten Du kannst Dateien in diesem Forum herunterladen
|
|
Impressum
| Nutzungsbedingungen
| Datenschutz
| FAQ
| RSS
Hosted by:
Copyright © 2007 - 2026
goMatlab.de | Dies ist keine offizielle Website der Firma The Mathworks
MATLAB, Simulink, Stateflow, Handle Graphics, Real-Time Workshop, SimBiology, SimHydraulics, SimEvents, and xPC TargetBox are registered trademarks and The MathWorks, the L-shaped membrane logo, and Embedded MATLAB are trademarks of The MathWorks, Inc.
|
|