|
|
|
Zähler mit Bedingung verknüpfen |
|
| AppleMan |

Forum-Newbie
|
 |
Beiträge: 3
|
 |
|
 |
Anmeldedatum: 29.09.14
|
 |
|
 |
Wohnort: ---
|
 |
|
 |
Version: ---
|
 |
|
|
 |
|
Verfasst am: 29.09.2014, 21:29
Titel: Zähler mit Bedingung verknüpfen
|
 |
Hallo alle zusammen,
ich bin leider noch recht unerfahren mit matlab/simulink, daher meine Frage:
Gibt es einen Block zum halten eines Signalpegels, bis eine bestimmte Bedingung nicht mehr erfüllt ist?
Konkret möchte ich einen Zähler erstellen, der die Anzahl der Überschreitungen eines Signals über einen gewissen Pegel zählt (habe ich mit einem switch und counter gelöst), jedoch den ausschlag nur einmal pro aktiv gesetzten Bit zählt (2.Bedingung).
Kann ich diese 2. Bedingung dort irgendwie mit integrieren?
Oder gibt es einfachere Möglichkeiten dies zu realisieren?
Danke!
|
|
|
|
|
|
| AppleMan |
Themenstarter

Forum-Newbie
|
 |
Beiträge: 3
|
 |
|
 |
Anmeldedatum: 29.09.14
|
 |
|
 |
Wohnort: ---
|
 |
|
 |
Version: ---
|
 |
|
|
 |
|
Verfasst am: 30.09.2014, 19:56
Titel:
|
 |
Hallo,
keiner eine Idee dazu???
|
|
|
|
| Epfi |

Forum-Meister
|
 |
Beiträge: 1.134
|
 |
|
 |
Anmeldedatum: 08.01.09
|
 |
|
 |
Wohnort: ---
|
 |
|
 |
Version: ---
|
 |
|
|
 |
|
Verfasst am: 01.10.2014, 09:34
Titel:
|
 |
|
Hast Du mal nen Screenshot von Deiner jetzigen Lösung? Würde die Sache etwas leichter nachvollziehbar machen...
|
|
|
|
| AppleMan |
Themenstarter

Forum-Newbie
|
 |
Beiträge: 3
|
 |
|
 |
Anmeldedatum: 29.09.14
|
 |
|
 |
Wohnort: ---
|
 |
|
 |
Version: ---
|
 |
|
|
 |
|
Verfasst am: 05.10.2014, 12:57
Titel:
|
 |
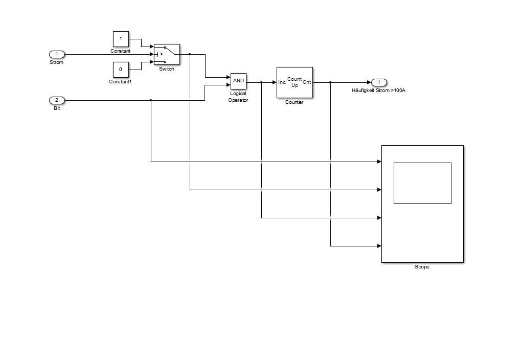
Hi, hier ein Bild vom Subsystem.
Problem ist, dass der Strom (Signal) teilweise wieder unter die Schwelle von 100A absinkt und erneut darüber ansteigt, während das Bit für EIN immernoch gesetzt ist.
D.h. der Counter zählt teilweise mehrfach den Strom bei einem Einschaltvorgang, obwohl ich nur allgemein die Einschaltvorgänge mit mehr als 100A haben möchte (also max 1mal zählen solang Bit 1 gesetzt ist).
Ich hoffe, das ist so verständlich. Es gibt sicher eine einfache Lösung für sowas, jedoch hab ich sie leider noch nicht gefunden.
| Beschreibung: |
|
 Download |
| Dateiname: |
subsystem.JPG |
| Dateigröße: |
36.28 KB |
| Heruntergeladen: |
617 mal |
|
|
|
|
|
|
|
Einstellungen und Berechtigungen
|
|
Du kannst Beiträge in dieses Forum schreiben. Du kannst auf Beiträge in diesem Forum antworten. Du kannst deine Beiträge in diesem Forum nicht bearbeiten. Du kannst deine Beiträge in diesem Forum nicht löschen. Du kannst an Umfragen in diesem Forum nicht mitmachen. Du kannst Dateien in diesem Forum posten Du kannst Dateien in diesem Forum herunterladen
|
|
Impressum
| Nutzungsbedingungen
| Datenschutz
| FAQ
| RSS
Hosted by:
Copyright © 2007 - 2026
goMatlab.de | Dies ist keine offizielle Website der Firma The Mathworks
MATLAB, Simulink, Stateflow, Handle Graphics, Real-Time Workshop, SimBiology, SimHydraulics, SimEvents, and xPC TargetBox are registered trademarks and The MathWorks, the L-shaped membrane logo, and Embedded MATLAB are trademarks of The MathWorks, Inc.
|
|