|
|
|
Zusammengesetztes Signal erstellen (Sinus-Konstant-Sinus) |
|
| Katzenstreu |

Forum-Newbie
|
 |
Beiträge: 3
|
 |
|
 |
Anmeldedatum: 15.08.12
|
 |
|
 |
Wohnort: ---
|
 |
|
 |
Version: ---
|
 |
|
|
 |
|
Verfasst am: 15.08.2012, 16:41
Titel: Zusammengesetztes Signal erstellen (Sinus-Konstant-Sinus)
|
 |
Hallo,
ich möchte in Simulink ein Signal erstellen. Dazu im Anhang eine profesionelle Paint-Skizze!
Der Anstieg soll sinusförmig von 0 auf 1 erfolgen.
Dann den Wert konstant auf 1 halten.
Danach sinusförmig von 1 auf 0 abfallen.
Danach möchte ich ein ähnliches Signal erzeugen, nun mit Sinus² (Sinus-Quadrat) im Anstieg und beim Abfallen.
Könnt ihr mir helfen?
Freundliche Grüße
Tim
| Beschreibung: |
| Verlauf des gewünschten Signals |
|
 Download |
| Dateiname: |
Sinus.png |
| Dateigröße: |
6.79 KB |
| Heruntergeladen: |
794 mal |
|
|
|
|
|
|
| Caravaggio |

Forum-Fortgeschrittener
|
 |
Beiträge: 86
|
 |
|
 |
Anmeldedatum: 20.04.12
|
 |
|
 |
Wohnort: Braunschweig
|
 |
|
 |
Version: R2012a
|
 |
|
|
 |
|
Verfasst am: 16.08.2012, 11:24
Titel:
|
 |
|
Ich würde mir ein *.m File schreiben, dass die Werte berechnet. Das kann ja beim Start der Simulation geladen werden und mit dem Signal Builder kannst du diese Werte ja einladen (Signals/New/Custom).
|
|
|
|
| Katzenstreu |
Themenstarter

Forum-Newbie
|
 |
Beiträge: 3
|
 |
|
 |
Anmeldedatum: 15.08.12
|
 |
|
 |
Wohnort: ---
|
 |
|
 |
Version: ---
|
 |
|
|
 |
|
Verfasst am: 16.08.2012, 15:14
Titel:
|
 |
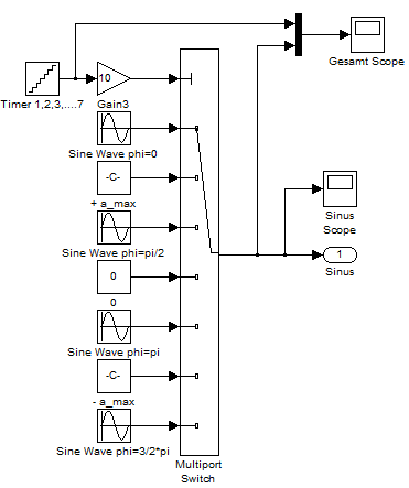
So habe ich es nun gebastelt:
| Beschreibung: |
|
 Download |
| Dateiname: |
Sinus.png |
| Dateigröße: |
11.71 KB |
| Heruntergeladen: |
960 mal |
|
|
|
|
|
|
|
Einstellungen und Berechtigungen
|
|
Du kannst Beiträge in dieses Forum schreiben. Du kannst auf Beiträge in diesem Forum antworten. Du kannst deine Beiträge in diesem Forum nicht bearbeiten. Du kannst deine Beiträge in diesem Forum nicht löschen. Du kannst an Umfragen in diesem Forum nicht mitmachen. Du kannst Dateien in diesem Forum posten Du kannst Dateien in diesem Forum herunterladen
|
|
Impressum
| Nutzungsbedingungen
| Datenschutz
| FAQ
| RSS
Hosted by:
Copyright © 2007 - 2026
goMatlab.de | Dies ist keine offizielle Website der Firma The Mathworks
MATLAB, Simulink, Stateflow, Handle Graphics, Real-Time Workshop, SimBiology, SimHydraulics, SimEvents, and xPC TargetBox are registered trademarks and The MathWorks, the L-shaped membrane logo, and Embedded MATLAB are trademarks of The MathWorks, Inc.
|
|