|
|
|
Subsystem simulieren in Matlab |
|
| ulrich |

Forum-Fortgeschrittener
|
 |
Beiträge: 53
|
 |
|
 |
Anmeldedatum: 25.03.13
|
 |
|
 |
Wohnort: Bingen
|
 |
|
 |
Version: ---
|
 |
|
|
 |
|
Verfasst am: 27.03.2013, 12:30
Titel: Subsystem simulieren in Matlab
|
 |
Hallo,
ich habe ein Modell. und das Modell a vielle andere TeilModelle. und ich will die Teilmodelle in Matlab Simulieren und Messen. aber ich ich bekomme immer eine Fehlermeldung
Hat jemand schon sowas gemacht oder eine ahnung wie ich das lösen kann?
Danke
|
|
|
|
|
|
| knilumis_baltaM |

Forum-Century
|
 |
Beiträge: 241
|
 |
|
 |
Anmeldedatum: 20.04.12
|
 |
|
 |
Wohnort: ---
|
 |
|
 |
Version: ---
|
 |
|
|
 |
|
Verfasst am: 27.03.2013, 14:36
Titel:
|
 |
|
Ist dieses Submodel "MCA" auch wirklich vorhanden? Vielleicht hat es einen anderen Namen in deinem Hauptmodell
|
|
|
|
| ulrich |
Themenstarter

Forum-Fortgeschrittener
|
 |
Beiträge: 53
|
 |
|
 |
Anmeldedatum: 25.03.13
|
 |
|
 |
Wohnort: Bingen
|
 |
|
 |
Version: ---
|
 |
|
|
 |
|
Verfasst am: 27.03.2013, 14:40
Titel:
|
 |
|
ja das model MCA ist vorhanden und mit andere verbinden mit andere Modelle. und das ganze ist in Motion Control.
|
|
|
|
| ulrich |
Themenstarter

Forum-Fortgeschrittener
|
 |
Beiträge: 53
|
 |
|
 |
Anmeldedatum: 25.03.13
|
 |
|
 |
Wohnort: Bingen
|
 |
|
 |
Version: ---
|
 |
|
|
 |
|
Verfasst am: 03.04.2013, 15:40
Titel:
|
 |
|
Hat jemand keine ahnung wie ich mein Subsystem messen kann?
|
|
|
|
| knilumis_baltaM |

Forum-Century
|
 |
Beiträge: 241
|
 |
|
 |
Anmeldedatum: 20.04.12
|
 |
|
 |
Wohnort: ---
|
 |
|
 |
Version: ---
|
 |
|
|
 |
|
Verfasst am: 03.04.2013, 15:42
Titel:
|
 |
|
Wenn du dein Modell nicht zeigst kann man nichts sagen. Es könnte sicherlich an vielem liegen.
|
|
|
|
| ulrich |
Themenstarter

Forum-Fortgeschrittener
|
 |
Beiträge: 53
|
 |
|
 |
Anmeldedatum: 25.03.13
|
 |
|
 |
Wohnort: Bingen
|
 |
|
 |
Version: ---
|
 |
|
|
 |
|
Verfasst am: 03.04.2013, 15:50
Titel:
|
 |
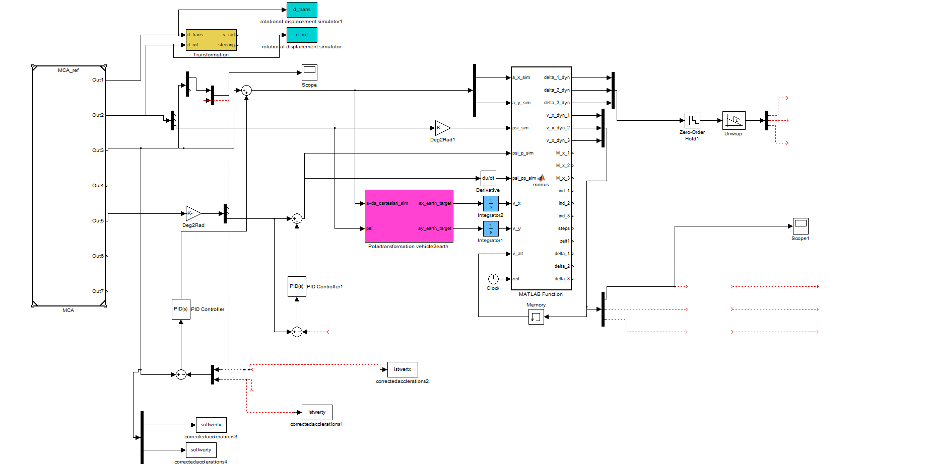
das ist mein Model MotionControl.
und MCA ist ein Subsystem. das will ich messen.
Danke
| Beschreibung: |
|
 Download |
| Dateiname: |
MotionControl.PNG |
| Dateigröße: |
77.55 KB |
| Heruntergeladen: |
721 mal |
|
|
|
|
| Harald |

Forum-Meister
|
 |
Beiträge: 24.502
|
 |
|
 |
Anmeldedatum: 26.03.09
|
 |
|
 |
Wohnort: Nähe München
|
 |
|
 |
Version: ab 2017b
|
 |
|
|
 |
|
Verfasst am: 03.04.2013, 15:50
Titel:
|
 |
Hallo,
meines Erachtens ist das Vorgehen so nicht sinnvoll. Das Subsystem benötigt ja Eingangswerte vom übergeordneten System, kann also gar nicht separat simuliert werden.
Meines Erachtens wäre die Verwendung von Modellreferenzen hier der richtige Weg, denn dann kannst du die für die Ausführung des referenzierten Modells benötigte Zeit mit Testdaten stoppen. Ich meine, das auch schon mal geschrieben zu haben.
Grüße,
Harald
|
|
|
|
| ulrich |
Themenstarter

Forum-Fortgeschrittener
|
 |
Beiträge: 53
|
 |
|
 |
Anmeldedatum: 25.03.13
|
 |
|
 |
Wohnort: Bingen
|
 |
|
 |
Version: ---
|
 |
|
|
 |
|
Verfasst am: 03.04.2013, 16:09
Titel:
|
 |
|
bitte was meinst du mit "Verwendung von Modellreferenzen"?
|
|
|
|
| Harald |

Forum-Meister
|
 |
Beiträge: 24.502
|
 |
|
 |
Anmeldedatum: 26.03.09
|
 |
|
 |
Wohnort: Nähe München
|
 |
|
 |
Version: ab 2017b
|
 |
|
|
 |
|
Verfasst am: 03.04.2013, 16:18
Titel:
|
 |
|
|
|
| ulrich |
Themenstarter

Forum-Fortgeschrittener
|
 |
Beiträge: 53
|
 |
|
 |
Anmeldedatum: 25.03.13
|
 |
|
 |
Wohnort: Bingen
|
 |
|
 |
Version: ---
|
 |
|
|
 |
|
Verfasst am: 04.04.2013, 10:43
Titel:
|
 |
Hallo Haral Danke für dein Tipps.
ich hab gelesen aber ich weiss immer nicht praktisch was ich mache soll. ich kenne mich nicht so gut mit Simulink.
Ulrich
|
|
|
|
| Harald |

Forum-Meister
|
 |
Beiträge: 24.502
|
 |
|
 |
Anmeldedatum: 26.03.09
|
 |
|
 |
Wohnort: Nähe München
|
 |
|
 |
Version: ab 2017b
|
 |
|
|
 |
|
Verfasst am: 04.04.2013, 11:21
Titel:
|
 |
Hallo,
bisher hast du ein Modell mit einem Subsystem, bei dem du die Laufzeit stoppen möchtest.
- Sicherungskopie des Modells erstellen
- Inhalt des Subsystems in ein neues Modell (new.mdl) kopieren
- Subsystem ersetzen durch "Model" Block aus "Ports & Subsystems"
- im Dialogfeld "new.mdl" auswählen
Jetzt sollte das Hauptmodell wieder genauso funktionieren wie das alte. Allerdings kannst du new.mdl getrennt laufen lassen. Du musst lediglich möglicherweise Sample Inputs definieren. (Simulink --> Configuration Parameters, Tab "Data Import / Export")
Grüße,
Harald
|
|
|
|
| ulrich |
Themenstarter

Forum-Fortgeschrittener
|
 |
Beiträge: 53
|
 |
|
 |
Anmeldedatum: 25.03.13
|
 |
|
 |
Wohnort: Bingen
|
 |
|
 |
Version: ---
|
 |
|
|
 |
|
Verfasst am: 04.04.2013, 12:55
Titel:
|
 |
ich habe referentiert aber ich bekomme immer die selbe fehler meldung
%Fehler meldung
%Unable to load block diagram 'MotionControl/MCA'
| Beschreibung: |
|
 Download |
| Dateiname: |
MotionControl.PNG |
| Dateigröße: |
55.61 KB |
| Heruntergeladen: |
715 mal |
|
|
|
|
| Harald |

Forum-Meister
|
 |
Beiträge: 24.502
|
 |
|
 |
Anmeldedatum: 26.03.09
|
 |
|
 |
Wohnort: Nähe München
|
 |
|
 |
Version: ab 2017b
|
 |
|
|
 |
|
Verfasst am: 04.04.2013, 13:10
Titel:
|
 |
Hallo,
du sollst ja auch das referenzierte Modell als eigenständiges Modell ausführen.
oder wie auch immer du es genannt hast.
Grüße,
Harald
|
|
|
|
| ulrich |
Themenstarter

Forum-Fortgeschrittener
|
 |
Beiträge: 53
|
 |
|
 |
Anmeldedatum: 25.03.13
|
 |
|
 |
Wohnort: Bingen
|
 |
|
 |
Version: ---
|
 |
|
|
 |
|
Verfasst am: 04.04.2013, 15:24
Titel:
|
 |
Danke schön hat gekklappt.
Aber die methode kann ich nicht benutzen um mein Embedded Matlab Function Block
zu messen oder?
|
|
|
|
| Harald |

Forum-Meister
|
 |
Beiträge: 24.502
|
 |
|
 |
Anmeldedatum: 26.03.09
|
 |
|
 |
Wohnort: Nähe München
|
 |
|
 |
Version: ab 2017b
|
 |
|
|
 |
|
Verfasst am: 04.04.2013, 15:52
Titel:
|
 |
Hallo,
dazu müsstest du deinen Embedded Matlab Function Block in ein separates Modell packen, In- und Out-Port hinzu, und das Modell wieder wie gehabt referenzieren.
Grüße,
Harald
|
|
|
|
|
Gehe zu Seite 1, 2, 3 Weiter
|
|
Einstellungen und Berechtigungen
|
|
Du kannst Beiträge in dieses Forum schreiben. Du kannst auf Beiträge in diesem Forum antworten. Du kannst deine Beiträge in diesem Forum nicht bearbeiten. Du kannst deine Beiträge in diesem Forum nicht löschen. Du kannst an Umfragen in diesem Forum nicht mitmachen. Du kannst Dateien in diesem Forum posten Du kannst Dateien in diesem Forum herunterladen
|
|
Impressum
| Nutzungsbedingungen
| Datenschutz
| FAQ
| RSS
Hosted by:
Copyright © 2007 - 2026
goMatlab.de | Dies ist keine offizielle Website der Firma The Mathworks
MATLAB, Simulink, Stateflow, Handle Graphics, Real-Time Workshop, SimBiology, SimHydraulics, SimEvents, and xPC TargetBox are registered trademarks and The MathWorks, the L-shaped membrane logo, and Embedded MATLAB are trademarks of The MathWorks, Inc.
|
|